EasyManua.ls Logo

Pfeiffer Vacuum TSH 071 E - Connections Diagram

Pfeiffer Vacuum TSH 071 E
15 pages
Print Icon
To Next Page IconTo Next Page
To Next Page IconTo Next Page
To Previous Page IconTo Previous Page
To Previous Page IconTo Previous Page
Loading...
7
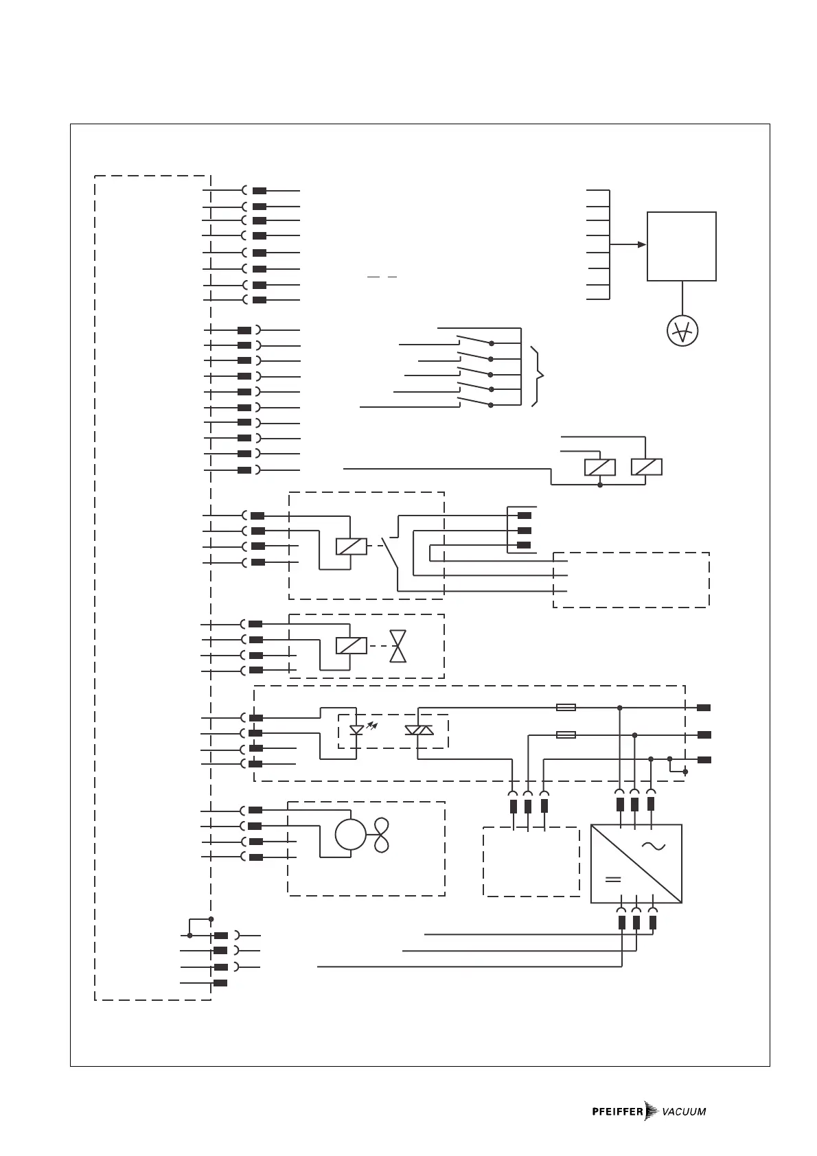
3.8. Connections Diagram
TC 600
RS 485
REMOTE
HEAT/TMS
VENT
FV PUMP
FAN
X4
1
1
1
1
1
1
1
1
2
2
2
2
2
2
2
2
3
3
3
3
3
3
3
3
4
4
4
4
4
4
4
5
5
5
6
6
6
7
7
7
8
8
8
9
10
n.c.
+24 VDC*/max. 200 mA (supply voltage, DCU)
n.c.
n.c.
n.c.
n.c.
RS 485+/ (DO/RI)
GND* (mass connection, DCU)
RS 485- / (DO/RI)
+24 VDC*/max. 50 mA
Venting release
Motor, turbopump
Pumping station
Heating/Reset
Standby
PWM ON (touch relation 25 -75%)
Switching output 1 (24 VDC / max. 50 mA)
Switching output 2 (24 VDC / max. 50 mA)
GND*
Relay box
Heating
Mains input, heating
115/208/230 VAC
Protection conducter (PE)
Supply voltage, TC
GND
PE
Relay box, Pumping station
FAN
Contact current max.
6 mA / Contact
HEATING
VENTING VALVE
TVF 005
M
GY/YE
BN
BU
L
N
PE
PE
N
L’
Pressure gauge
MVP 015-2
LN
PE
DCU 001
PE
N
L
TPS 100
F2
F1
PE
N
L
Mains input
115/208/230 VAC
PM 051 668 -S

Related product manuals