EasyManua.ls Logo

Pfeiffer Vacuum UNO - Page 7

Pfeiffer Vacuum UNO
24 pages
Print Icon
To Next Page IconTo Next Page
To Next Page IconTo Next Page
To Previous Page IconTo Previous Page
To Previous Page IconTo Previous Page
Loading...
7
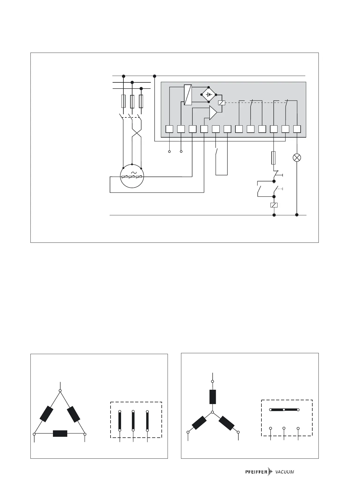
N
L1
M
3
L2
L3
F1 - F3
K1
10
11
AC 220 ... 240 V
Us
F4
U
V
W
S1
S2
k1
K1
H1
S3
2)
A1 A2 T1 T2 Y2Y1 24 21 22 14 1211
2)
2)
1)
1)
1)
PP1008/k
T1...T3
3)
Connection example for water cooled canned motors with Tripping unit (typ MSR 220 F, order no.: P 4768 051 FQ
U
S
Control Voltage
S1 Pressure key „OFF“
S2 Pressure key „ON“
S3 Control switch (reset key)
K1 Motor contactor
F1 ... F4 Fuses
T1... T3 Temperature sensors
H1 Signal lamp
M Motor, 3-phase
1)
Only for units with two relais
outputs
2)
Only for type MSR
3)
Only for order no. P 4768 051 FQ
Tripping Units Type MSR save the switch-off occuring on thermal overload and it is necessary to manually reset via the integrated key or via the
externally connected key S3 to switch back on. Switching on via the mains is automatically recognised as a reset.
Voltage see rating plate
The Three Phase Current Motor Circuit
The three phase motor winding consists of three identical
coils.
Delta Connection
The three coils are connected in series with the connection
point connected to the mains. The voltage of each coil is the
same as the mains voltage whereas the mains current is the
cube root of the coil current. Delta connections are denoted
by the symbol
.
The voltage between the mains supply lines is called mains
voltage. The mains current is the current which flows in the
supply lines.
Star Connection
The ends of the three coils are connected at the star center.
The terminal voltage is the cube root of the coil voltage; the
mains and the coil current are the same. Star connections are
denoted by the symbol Y.
A star connection three phase motor for 400 V mains voltage
has a coil voltage of 230 V.
W2
U1
L1
V2
V1
W1
U2
L3
L2
W2
U2
V2
U1
V1
W1
L1
L2 L3
W2
U1
L1
V2
V1
W1
U2
L3
L2
W2
U2
V2
U1
V1
W1
L1
L2 L3
Motor coil and connecting plate of Delta Connection
Motor coil and connecting plate of Star Connection

Related product manuals