EasyManua.ls Logo

Philips 14PV120 - Page 55

Philips 14PV120
63 pages
Print Icon
To Next Page IconTo Next Page
To Next Page IconTo Next Page
To Previous Page IconTo Previous Page
To Previous Page IconTo Previous Page
Loading...
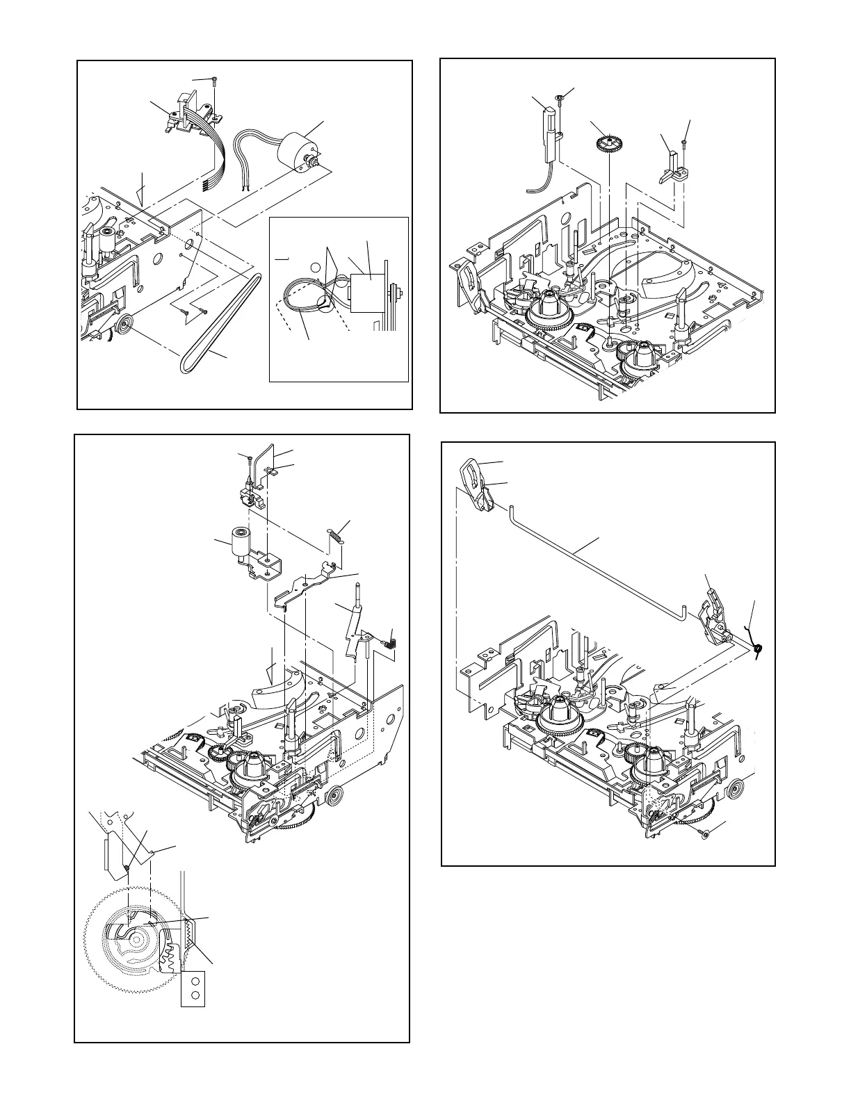
2-4-13 T6410DA
Fig. DM7
[8]
View for A
Desolder
from bottom
Lead with White Stripe
A
[8]
[9]
(S-4)
(S-3)
LDG
Belt
[28]
[11]
[13]
[12]
A
[10]
(L-4)
Adj. Screw
(P-3)
(P-2
)
When reassembling [10] and
[12], confirm that pin of [10]
and pin of [12] are in the
groove of [28] as shown.
Pin of [12]
Pin of [10]
Groove of [28]
View for A
Fig. DM8
Fig. DM9
[14]
[15]
(S-6)
(S-5)
[16]
Fig. DM10
[18]
[17]
[19]
(S-7)
(L-5)
(P-4
)

Related product manuals