EasyManua.ls Logo

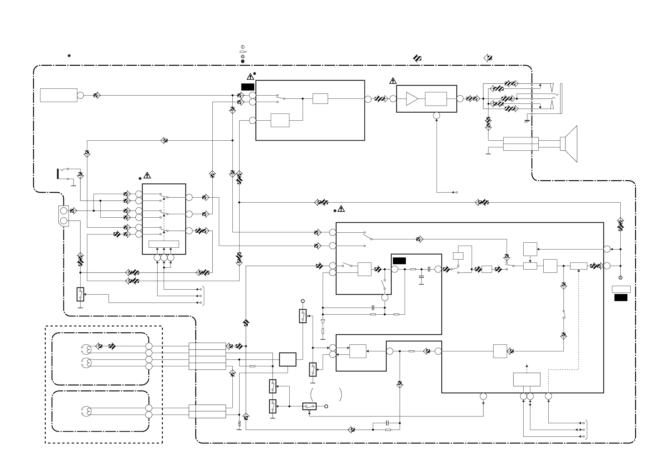
Philips 14PV120 - Audio Block Diagram

Philips 14PV120
63 pages
Print Icon
To Next Page IconTo Next Page
To Next Page IconTo Next Page
To Previous Page IconTo Previous Page
To Previous Page IconTo Previous Page
Loading...
Audio Block Diagram
REC
AMP
100
3
AUTO
BIAS
2
1
+5V
+5V
Q854
Q856
BIAS
OSC
Q855
Q853(PB=ON)
Q852(PB=ON)
Q851
SWITCHING
D-REC-OFF
5
EQ
AMP
98
7
LINE
AMP
REC-ON
TP007
AUDIO HD-SW
CONTROL
MUTE
11
6
PB-ON
SW CTL
SP/LP-ON
P
R
ALC
DET
ALC
IC401
(AUDIO SIGNAL PROCESS)
IC701 (SW)
13
17
3 A-PB/REC
CL402
4 A-COM
6 AE-H
5 FE-H
AUDIO
HEAD
AUDIO
ERASE
HEAD
ACE HEAD ASSEMBLY
FE HEAD
1 FE-H
2 FE-H-GND
CL403
1-7-19 1-7-20 T6410BLA
MAIN CBA
PB-AUDIO SIGNAL REC-AUDIO SIGNAL Mode : SP/REC
71
A-MUTE-H
SCL
SDA
FROM/TO
SERVO/SYSTEM
CONTROL BLOCK
FROM SERVO
/SYSTEM
CONTROL
BLOCK
FULL
ERASE
HEAD
68 69
SERIAL
DECODER
(DECK ASSEMBLY)
" " = SMD
NOTE FOR WIRE CONNECTORS:
1. PREFIX SYMBOL "CN" MEANS CONNECTOR.
(CAN DISCONNECT AND RECONNECT.)
2. PREFIX SYMBOL "CL" MEANS WIRE-SOLDER
HOLES OF THE PCB.
(WIRE IS SOLDERED DIRECTLY.)
TEST POINT INFORMATION
:INDICATES A TEST POINT WITH A JUMPER WIRE ACROSS A HOLE IN THE PCB.
:USED TO INDICATE A TEST POINT WITH A COMPONENT LEAD ON FOIL SIDE.
:USED TO INDICATE A TEST POINT WITH NO TEST PIN.
:USED TO INDICATE A TEST POINT WITH A TEST PIN.
12
16
INV
ATT
IC301
7
1
IC151 (AMP)
(VIDEO/AUDIO/CHROMA/DEFLECTION/IF)
SP
2
SP-GND 1
JK151
HEADPHONE JACK
SP151
SPEAKER
CN804
CL801
SP-MUTE
(FROM PIN 44 OF IC201)
OUTPUT
AMP
50
52
53
54
MUTE
5
1
2
15
5
3
4
13
12
14
21
2
1
AUDIO OUT
TU001
JK702
A-IN
JK703
A-IN
A-OUT
Q701
1011 9
SCART-H
EXT-L
SCART-MUTE
TUNER
TUNER1
LINE
LINE
A-OUT
ATT
AUDIO
MUTE
WF7
WF9
WF8

Related product manuals