EasyManua.ls Logo

Philips 14PV360 - Page 18

Philips 14PV360
95 pages
Print Icon
To Next Page IconTo Next Page
To Next Page IconTo Next Page
To Previous Page IconTo Previous Page
To Previous Page IconTo Previous Page
Loading...
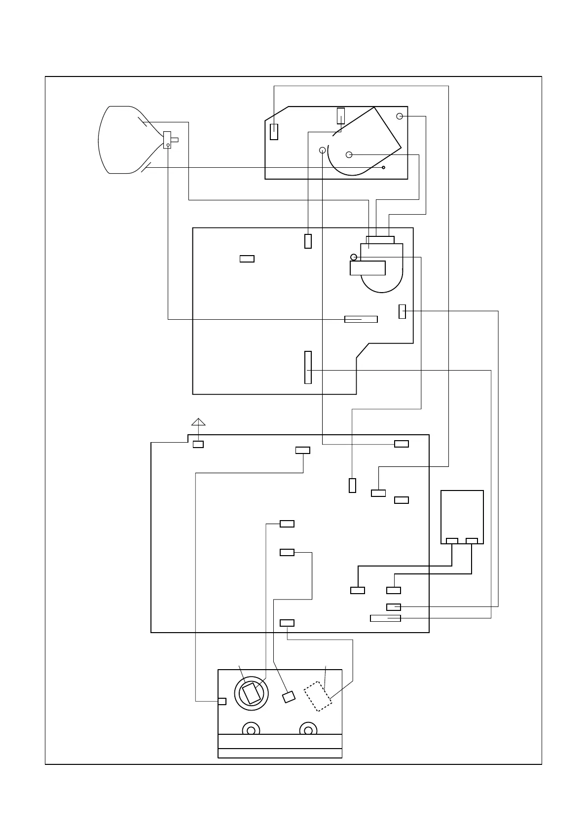
1-5-5 T6300DC
CN701
CN702
CN752
CN751
CN201
CL402
CL401
CL403
CN801
CL302A
CL603A
CL301A
CN503
CN571
CL501A
CN601
CL506A
CN602
CN901
CN902
CRT
ANODE
GND
MAIN CBA
H.V./POWER SUPPLY CBA
TEXT CBA
TO SPEAKER
FE HEAD
CYLINDER
ASSEMBLY
AC HEAD
ASSEMBLY
CAPSTAN
MOTOR
DECK UNIT
TO DEGAUSS
COIL
CN501
CN504
CN501B
SCREEN
FOCUS
CRT CBA
CL505A
Fig. 6

Related product manuals