EasyManua.ls Logo

Philips 22PFL3606/77 - Page 23

Philips 22PFL3606/77
63 pages
Print Icon
To Next Page IconTo Next Page
To Next Page IconTo Next Page
To Previous Page IconTo Previous Page
To Previous Page IconTo Previous Page
Loading...
Circuit Descriptions
EN 23TPM8.3L LA 7.
2011-Sep-30
7.2 Power Supply
7.2.1 Power Supply Unit
Before checking other parts first check whether fuse on the
PSU is not broken. Always replace a defective fuse with one
with the correct specifications! This part is available in the
regular market.
Consult the Philips Service web portal for the order codes of the
boards.
The output voltages to the chassis are:
+5V-STANDBY for standby mode and panel
+24V for audio circuit and tuner
7.2.2 Diversity
The diversity in power supply units is mainly determined by the
diversity in screen sizes, but please note to always order the
correct replacement.
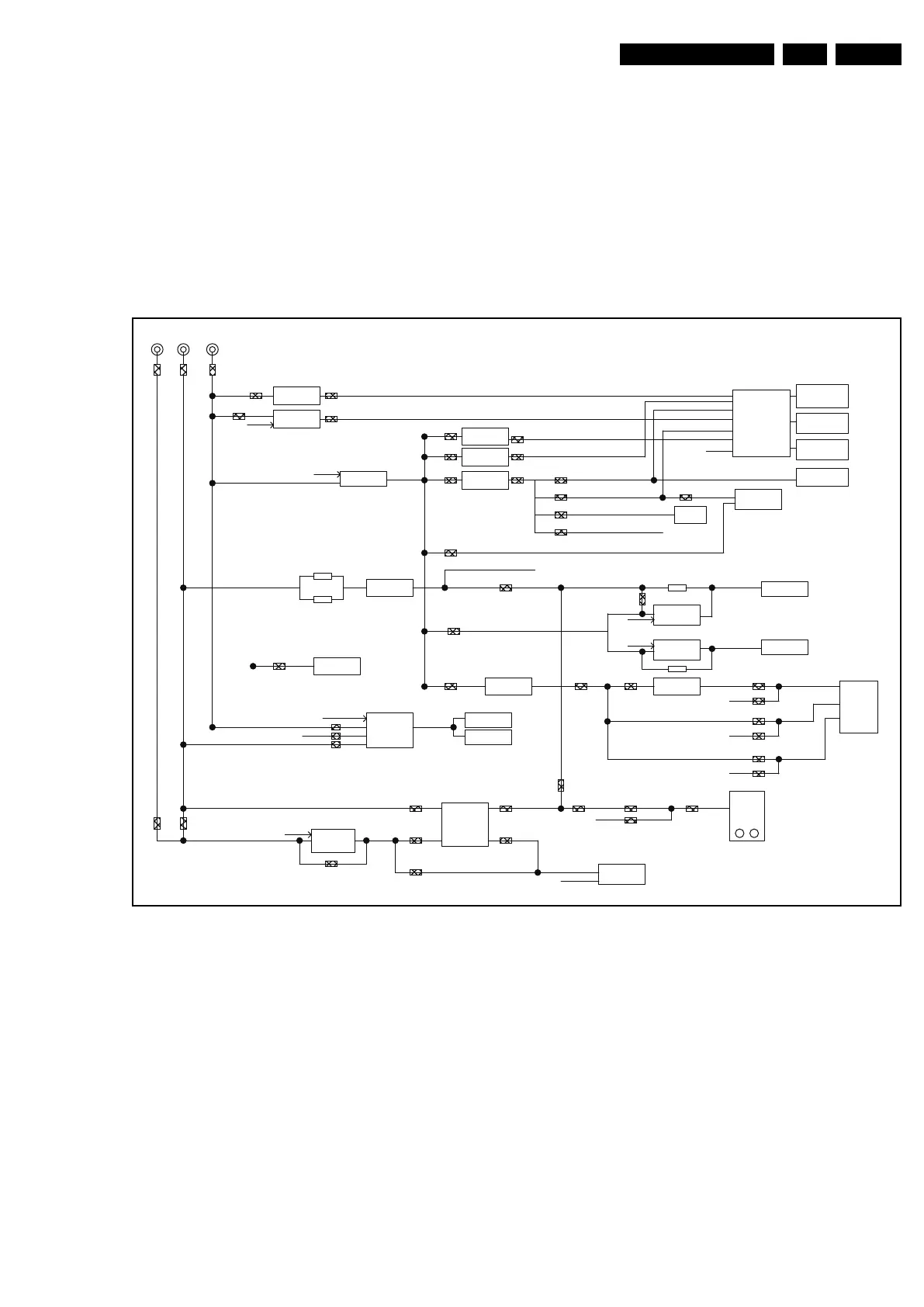
7.3 Power Management
Figure 7-3 Power Architecture
The on-board DC/DC converters deliver the following voltages
(depending on set execution):
+5V-STANDBY, permanent voltage for the Stand-by
controller, LED/IR receiver and controls; connector CN701
pin 11 and 12.
+24V, input from the power supply for audio (in active
mode) and tuner; connector CN701 pins 8 and 9.
19190_207_110905.eps
110905
5V
Audio AMP
AD82587
U602
5VSB
VCCK
BUCK (2A)
G5657F12U
U704
OPWRSB
LDO
G903T63UF
U705
BS3V3BSV5
DC/DC
AOZ1242
U703
+12V
5V_TUNER
FB720
EEPROM
AT24C128BN-SH-B
U4103
NOR FLASH
MX25L6445EM2I-10G
NC/U405
USB Connect
CN104
USB Connect
CN103
SW
STMPS2171STR
NC/U1001
USB_PWR_ENx
5V_SW
HDMI SW
TMDS361BPAGR
U501
5V_SW
24V 12V
TUNER
5V_SW
L1108
VCCK
MT5301B
U401
DDR2
H5PS1G63EFR-G7C
1Gb-1066MHz
U402
DDRV
DV33SB
AVDD1V2
5V_SW
TDTR-T032D
F35CT-6-E
NC/TU101
TU102
FB603
FB502
FB703
+B_5V
FB1101
FB724
5V_BUCK
NC/FB725
BUCK_USB2
NC/FB701
FB702
+24V +12V
NC/FB709
FB708
+24V_12V
MOS SW
AO4449
NC/Q708
STANDBY
24V_12V_SW
NC/FB721
18V4_BUCK
FB1007
VUSB5V
VUSB1_5V
BUCK
SC189
U702
DDRV
FB101
AMUX_5V
Audio-in SW
CD4052BPWR
U102
FB501
5VDD5V_SW
AVDD1V2
5V_SW
LVDS_PWR_EN
MOS SW
AO4449
Q709
LVDSVDD
5V_BUCK
+12V
NC/FB712
FB711
NC/FB713
LVDS Connect
CN408 (40P)
LVDS Connect
NC/CN409 (30P)
FB716
FB717
DVDD3V3
AVDD3V3
VCCK
5VSB
5V_SW
AO4449
Q707
KCUB_3V3WS_V5
BUCK (2A)
SC189
U701
AVDD3V3
DVDD3V3
R631
AVDD3V3_HP
FB604
DVDD3V3_AMP
DV33_TMDS
NAND FLASH
HY27US08561A-TPCB
U403
FB727
FB726
AMP_PWR
HP AMP
TPA6132A2
U606
ADAC_PWR
DVDD3V3_AMP
NC/FB1112
5VSB
FB728
L704
FB719
FB718
L701
B715F
NC/FB1102
FB710
FB729
BUCK
SC189
U706
FB730
5V_SW
LDO
G903T63UF
U707
LDO
G912T63UF
U708
FB733
V3.3
V1.2
NC/FB1109
VDD12
NC/FB1110
AVDD1V2
FB1107
ASIC_3V3
NC/FB1108
AVDD3V3
FB1111
VDD33
AVDD3V3
FB731
Demod.
ATBM8848
NC/U101
FB732
LDO
G9084-50TU3U
U709
+12V
NC/FB1006
LDO_USB2
FB1008
19"~26"
NC/FB722
19"~26"
>=32"
>=32"
FB723
>=32"
>=26"
>=26"
(Reserved for Tuner and USB)
SW
STMPS2171STR
NC/U1002
VUSB2_5V
USB_PWR_ENx
TH1001
TH1002
5V_MEMC
USB2
USB1
R754
TH1003

Related product manuals