EasyManua.ls Logo

Philips 22PFT5403/56 - Page 44

Philips 22PFT5403/56
52 pages
Print Icon
To Next Page IconTo Next Page
To Next Page IconTo Next Page
To Previous Page IconTo Previous Page
To Previous Page IconTo Previous Page
Loading...
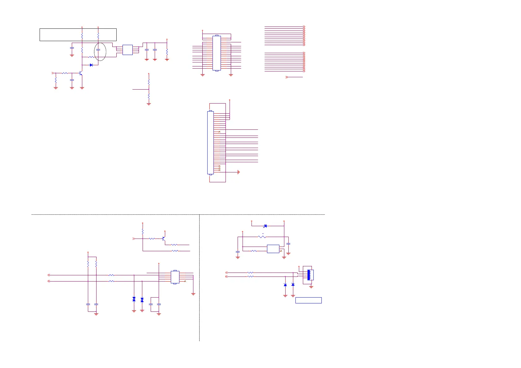
9-3-5 LVDS/USB/KEYPAD Outout
BCKM
B3M
ACKM
B1M
B2M
B0M
A3M
A2M
A0M
A1M
R172
0 OHM 1/8W
A0M
R156
10K 1/16W 5%
A3M
A1M
B2P
B0P
A0P
ACKM
ACKP
BCKP
B3P
ACKP
A1P
B1P
C149
NC 100NF 16V
A2P
LVDS_CON_DET
A3P
A2P
A0P
A1P
A2M
C145
150nF 16V
A3P
Q101
SM4310PSKC
S
1
S
2
S
3
G
4
D
8
D
7
D
6
D
5
PANEL_VCC
R150
10K 1/16W 5%
CN407
NC CONN 30P
1
2
3
4
5
6
7
8
9
10
11
12
13
14
15
16
17
18
19
20
21
22
23
24
25
26
27
28
29
30
31 32
Output
C161
100NF 16V
R173
NC 0 OHM 1/8W
C148
100NF 16V
C158
10UF 16V
R153
150K 1/16W 5%
C161
綼
Q10 1
CN408
CONN
2
4
6
8
10
12
14
16
18
20
22
24
26
28
30
32
1
3
5
7
9
11
13
15
17
19
21
23
25
27
29
31
Q102
MMBT3904
R155
4K7 1/16W 5%
D701
1N4148WS
PANEL_VCC
+5VSB
PANEL_VCC
+12V_MB
LVDS Power
PANEL_ON/OFF3
A0M 3
ACKM 3
BCKP 3
A0P 3
B1P 3
H PANEL ON
L PANEL OFF
ACKP 3
B2M 3
B3M 3
B0M 3
A1M 3
B2P 3
BCKM 3
A2M 3
B0P 3
B3P 3
A3M 3
A2P 3
B1M 3
A3P 3
A1P 3
+12V_MB9
+12V_MB
For 24" R172 Panel=5V
For ≠ 28" R173 Panel=12V
ZD122
AZ5413-01F.R7GR
12
ZD121
AZ5413-01F.R7GR
12
Panel_Vcc / 468mA
LVDS
BCKP
ACKP
ACKM
A3M
B2M
A0P
B1M
A0M
A1M
A2M
B2P
B1P
A2P
A3P
A1P
B3M
BCKM
B0M
B0P
B3P
MB to FHD/HD panel define (CS10)
311GW200C32ABX (R/A)
LED_RE
KEY1_IN
OIRI
KEY1
USB 2.0
088G352F6B3AYG
088G352F6B3ACL
C151
1UF 10V
t
TH101
NC/PTCR
1 2
R161
10K 1/16W 5%
R169 100R 1/16W 1%
R157
5R6 1/16W 5%
D101
FB340M
12
LED_RE
R158
5R6 1/16W 5%
C155
100NF 16V
R159
10K 1/16W 5%
R168 100R 1/16W 5%
R167
1K2 OHM
R164
30K OHM +-1% 1/16W
C150
4.7UF 10% 10V
R165
1K 1/16W 5%
1 2 3 4
CN102
USB CONN
1
2
3
4
6 5
C153
100NF 16V
ZD105
NC
12
U109
APL3511CBI-TRG
VOUT
1
GND
2
OCB
3
EN
4
VIN
5
ZD106
NC
12
R163
10K 1% 1/16W
Q103
MMBT3906
C156
100PF 50V
R180
NC/1K2 OHM
LVDS_CON_DET
C152
1UF 10V
USB_5V
CN401
CONN
2
4
6
8
10
1
3
5
7
9
5V_SW
LED_GE
+3.3V_Standby
+3.3V_Standby
+3.3V_Standby
+5VSB
+3.3V_Standby
USB_5V
LED_R3
KEY13
OIRI3
IR / KEY BOARD CONN.
USB_DM3
USB PORT
USB_DP3
USB_DM
USB_DP
LED_R
LED_GE
KEY1: POWER
KEY2: Vol+/-, CH+/-, Menu, Input
R151
NC 4K7 1/16W 5%
R154
NC 4K7 1/16W 5%
+3.3V_Standby
LVDS_CON_DET
R176
1K 1/4W

Related product manuals