EasyManua.ls Logo

Philips 24PHA4309/56 - Page 31

Philips 24PHA4309/56
86 pages
Print Icon
To Next Page IconTo Next Page
To Next Page IconTo Next Page
To Previous Page IconTo Previous Page
To Previous Page IconTo Previous Page
Loading...
IC Data Sheets
EN 31TPS14.1A LA 8.
2014-Oct-24
back to
div.table
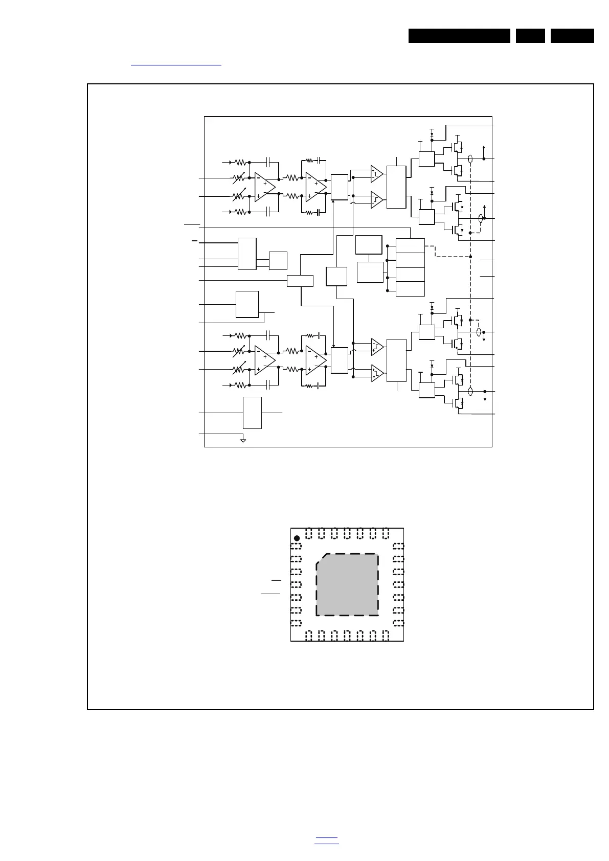
8.3 Diagram 10-5-8 AUDIO AMP B08, APA2619RI-TRG (IC U602)
Figure 8-3 Internal block diagram and pin configuration
19660_302.eps
Block diagram
Pinning information
APA2619
QFN4x4-28
LOUTP 1
LBSP 2
LPVDD 3
SD 4
FLAG 5
LINP 6
LINN 7
NC8
GAIN09
GAIN1 10
AVDD11
AGND12
VCLAMP 13
PLIMIT14
15 RINN
16 RINP
17 NC
18 MONO
19 RPVDD
20 RBSP
21 ROUTP
22 PGND
28PGND
23 ROUTN
24RBSN
25 NC
26 LBSN
27 LOUTN
PLIMIT
Reference
Startup
Protection
AVDD
RAMP
GEN.
GAIN1
GAIN0
PGND
GAIN
Control
PLIMIT
VCLAMP
LINP
LINN
PLIMIT
PWM
Logic
MONO Select
Gain
Control
LOUTP
LBSP
LOUTP FB
LBSN
PGND
LOUTN
LOUTN FB
PGND
RINN
RINP
PLIMIT
PWM
Logic
MONO Select
Gain
Control
ROUTN
RBSN
ROUTN FB
PGND
ROUTP
ROUTP FB
LOUTP FB
LOUTN FB
ROUTN FB
ROUTP FB
LDO
Regulator
TTL
Buffer
DC Detect
UVLO/OCLO
Thermal
Detect
SD Detect
Logic
Biases and
References
VCLAMP
TTL
Buffer
MONO
MONO
Select
AGND
Gate
Drive
Gate
Drive
Gate
Drive
Gate
Drive
VCLAMP
VCLAMP
VCLAMP
VCLAMP
LPVDD
LPVDD
RPVDD
RPVDD
LPVDD
LPVDD
RPVDD
RPVDD
LPVDD
RPVDD
FLAG
SD
RBSP
APA2619

Related product manuals