EasyManua.ls Logo

Philips 24PHA4309/56 - Page 32

Philips 24PHA4309/56
86 pages
Print Icon
To Next Page IconTo Next Page
To Next Page IconTo Next Page
To Previous Page IconTo Previous Page
To Previous Page IconTo Previous Page
Loading...
IC Data Sheets
EN 32 TPS14.1A LA8.
2014-Oct-24
back to
div.table
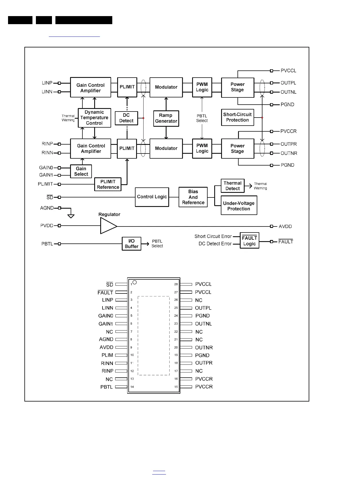
8.4 Diagram 10-6-8 AUDIO AMP B08, AD52580-QG28NAR (IC U601)
Figure 8-4 Internal block diagram and pin configuration
19660_303.eps
Block diagram
Pinning information
AD52580
AD52580

Related product manuals