EasyManua.ls Logo

Philips 26MF231D/37 - 6 Wiring Diagram; Block Diagram

Philips 26MF231D/37
102 pages
Print Icon
To Next Page IconTo Next Page
To Next Page IconTo Next Page
To Previous Page IconTo Previous Page
To Previous Page IconTo Previous Page
Loading...
16
TPE1.0U LA
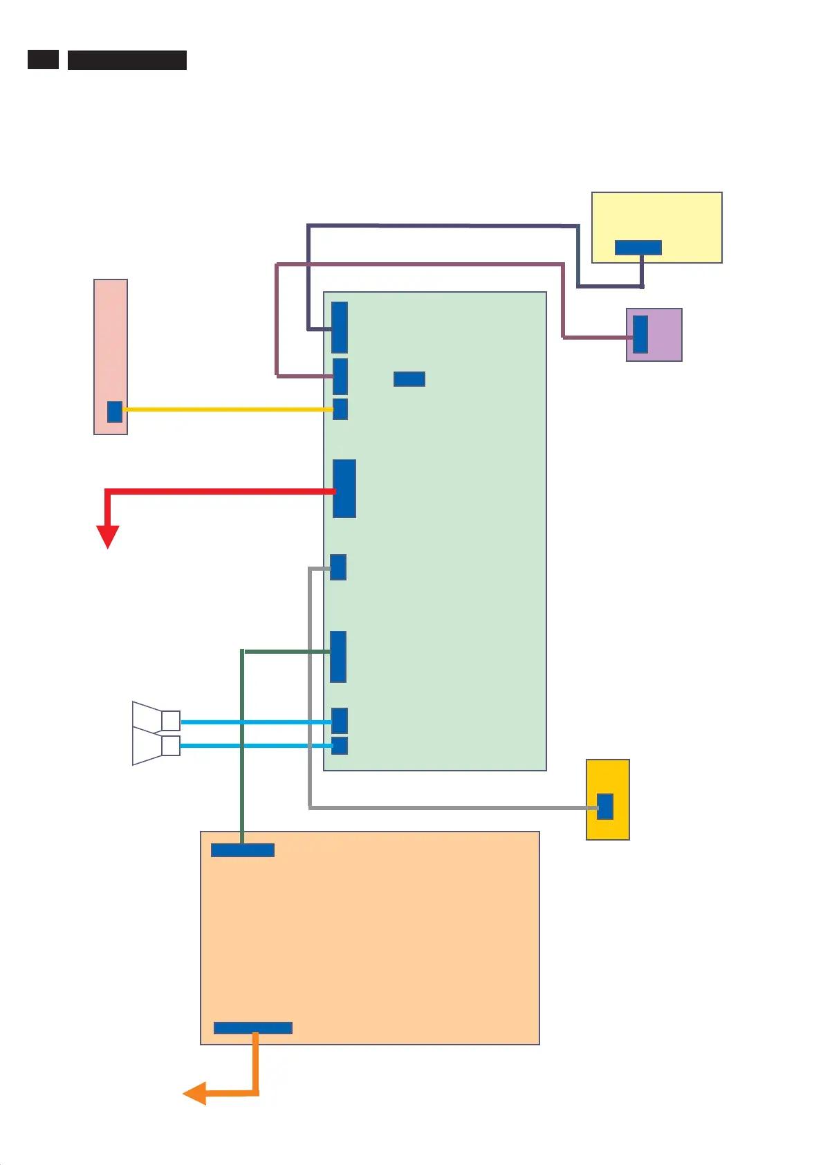
6. Block Diagram
6. Block Diagram
Index of this chapter:
6.1
6.2 Block Diagram
Wiring Diagram
6.1 Wiring Diagram
5.1
5.2
Speakers
R/L
1
1902
2p
1901
3p
1001
10p
1M6
04p
1402
2p
1M2
16p
1410
8p
1T1
04p
1088
12p
1089
10p
1630
8p
Main Board
Power board
1403
30p
Key board
1907
6p
1921
2p
Panel
3
4
6
2
1998
4p
Inverter
USB
Board
7
8
Side-AV
Board
Switch
board
www.freeservicemanuals.info
It`s Free