EasyManua.ls Logo

Philips 26MF231D/37 - Page 28

Philips 26MF231D/37
102 pages
Print Icon
To Next Page IconTo Next Page
To Next Page IconTo Next Page
To Previous Page IconTo Previous Page
To Previous Page IconTo Previous Page
Loading...
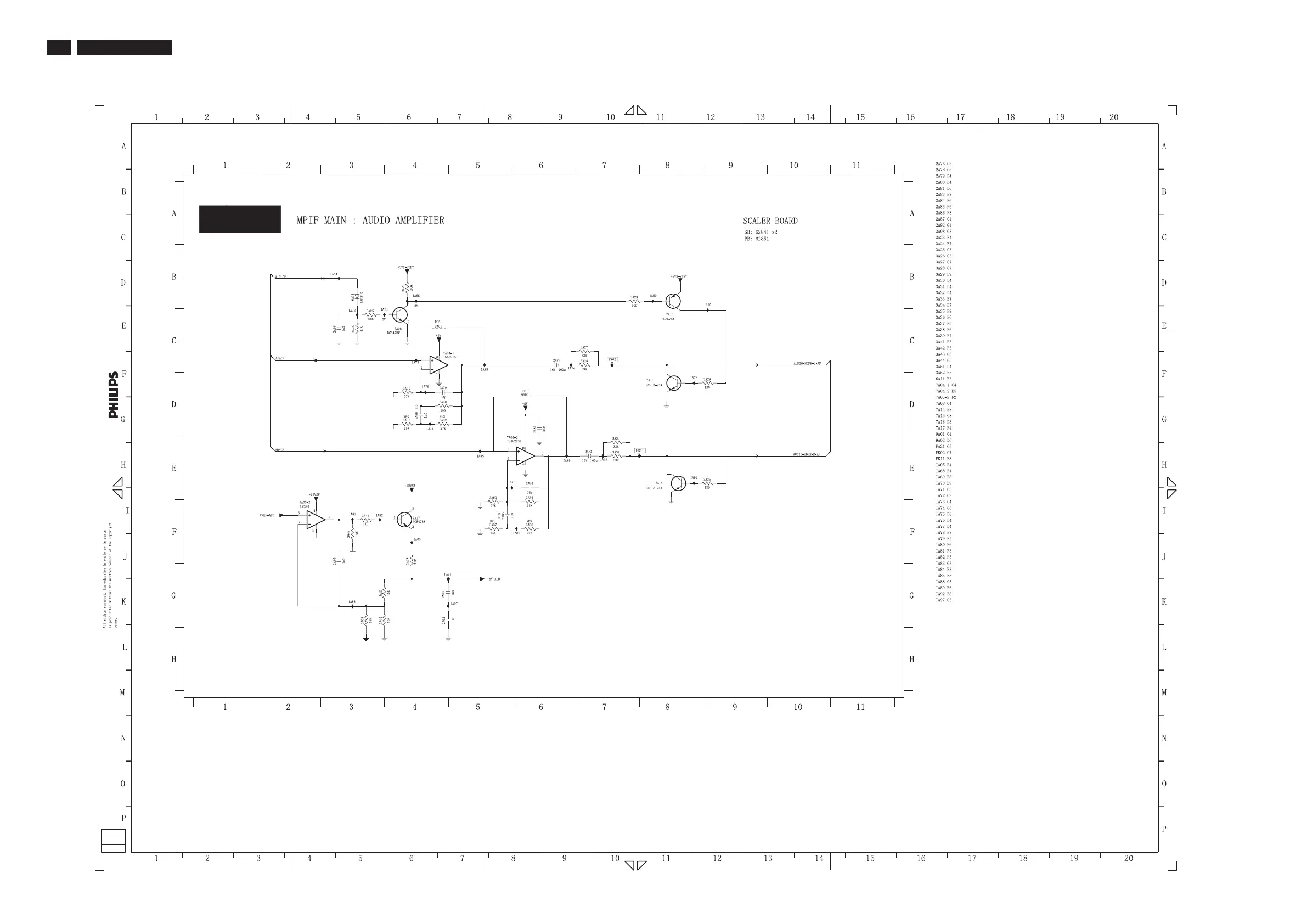
7.3.6 Scaler Schematic Diagram - MPIF MAIN: AUDIO AMPLIFIERBoard
28
TPE1.0U LA
7. Circuit Diagrams and PWB Layouts
S-A06
www.freeservicemanuals.info
It`s Free

Related product manuals