EasyManua.ls Logo

Philips 26MF231D/37 - Page 38

Philips 26MF231D/37
102 pages
Print Icon
To Next Page IconTo Next Page
To Next Page IconTo Next Page
To Previous Page IconTo Previous Page
To Previous Page IconTo Previous Page
Loading...
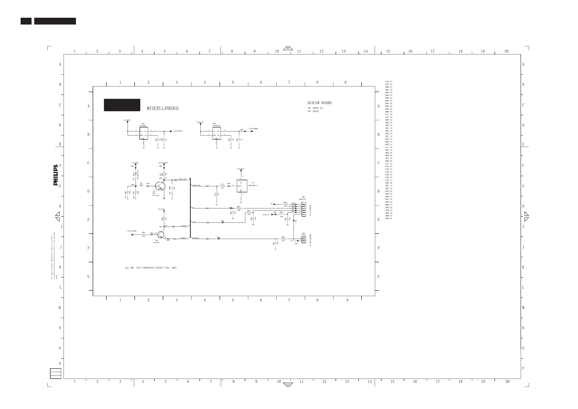
7.3.16 Scaler Schematic Diagram - MISCELLANEOUSBoard
38
TPE1.0U LA
7. Circuit Diagrams and PWB Layouts
S-B16
www.freeservicemanuals.info
It`s Free