EasyManua.ls Logo

Philips 27PS60S321 - Page 33

Philips 27PS60S321
125 pages
Print Icon
To Next Page IconTo Next Page
To Next Page IconTo Next Page
To Previous Page IconTo Previous Page
To Previous Page IconTo Previous Page
Loading...
Figure:
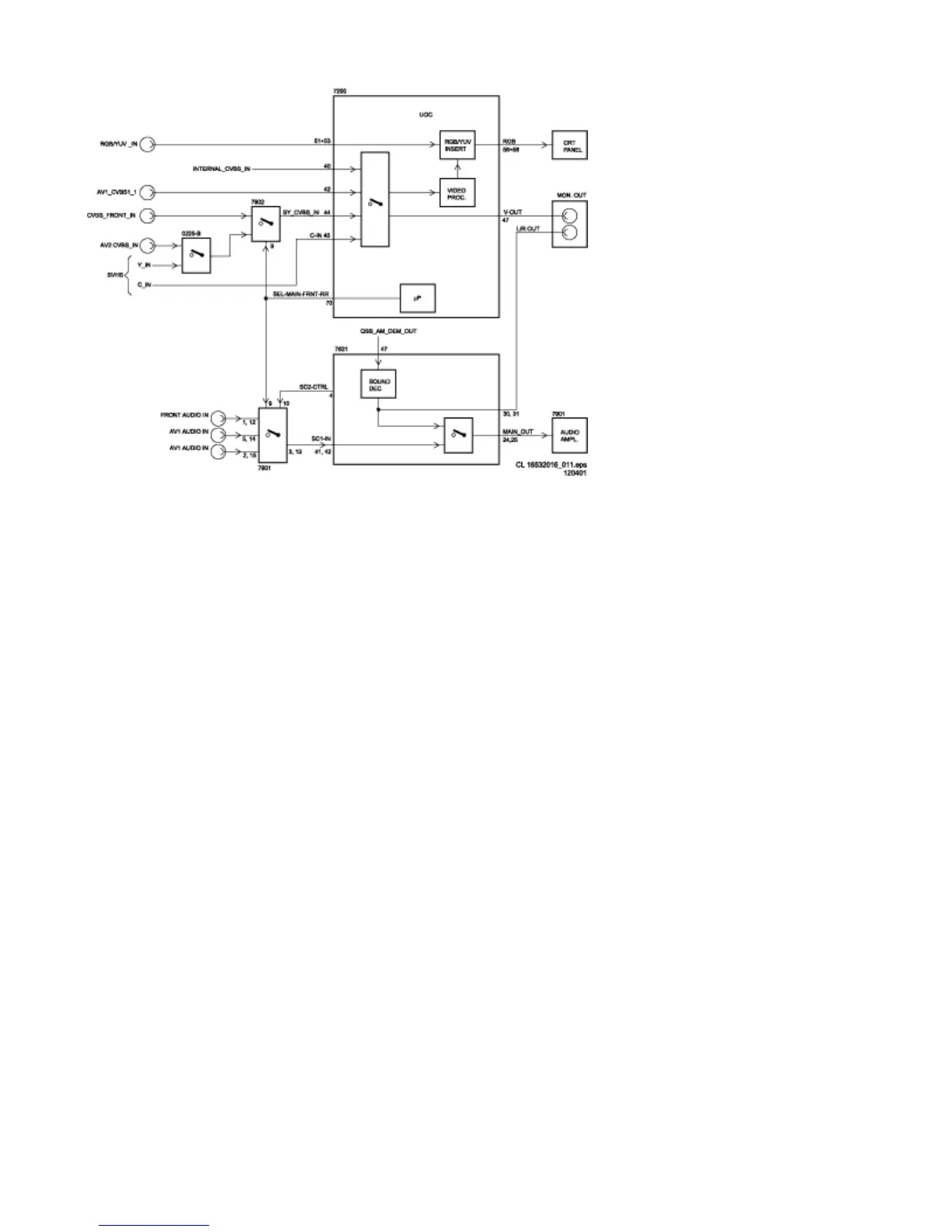
Once the signal source is selected, a chroma filter calibrationis performed. The received color
burst sub-carrier frequency is usedfor this. Correspondingly, the chroma band pass filter for
PAL/NTSCprocessing or the cloche filter for SECAM processing is switchedon. The selected
luminance (Y) signal is supplied to the horizontaland vertical synchronization processing circuit
and to the luminanceprocessing circuit. In the luminance-processing block, the
luminancesignal goes to the chroma trap filter. This trap is switched "on" or "off" dependingon
the color burst detection of the chroma calibration circuit.
The group delay correction part can be switched betweenthe BG and a flat group delay
characteristic. This has the advantagethat in multi-standard receivers no compromise has to
be made forthe choice of the SAW filter.
Video demodulation
The color decoder circuit detects whether thesignal is a PAL, NTSC or SECAM signal. The
result is made knownto the auto system manager. The PAL/NTSC decoder has aninternal
clock generator, which is stabilized to the required frequency byusing the 12 MHz clock signal
from the reference oscillator of themicrocontroller / teletext decoder.
The base-band delay line is used to obtain a good suppression ofcross color effects.
The Y signal and the delay line outputs U and V are appliedto the luminance / chroma signal
processing part of theTV processor.
Pa
g
e 6 of 32SPMS
7/8/2004

Related product manuals