EasyManua.ls Logo

Philips 27PS60S321 - Power Supply Operation

Philips 27PS60S321
125 pages
Print Icon
To Next Page IconTo Next Page
To Next Page IconTo Next Page
To Previous Page IconTo Previous Page
To Previous Page IconTo Previous Page
Loading...
Two protections are built-in for the E/W circuit:over-current and over-voltage protection. See
paragraph 9.3.5.
Panorama
The panorama function is only used in 16:9sets. This is a function to enable the 4:3 and Super-
Wide feature.It drives the ‘Bass_panorama’ line, toactivate relay 1400. When this relay is
switched on, the capacitors2453//2454 are added in parallel to the defaultS-correction
capacitors 2456//2457. This results inan increased capacitance, a lower resonance frequency
of the linedeflection coil and the S-correction capacitors and therefore aless steep S-corrected
line deflection current.
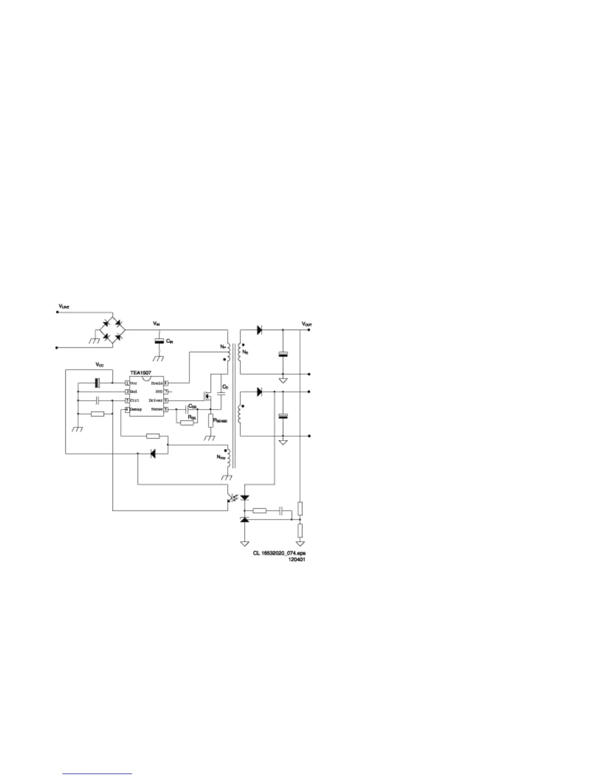
Power Supply
Figure:
Pa
g
e 12 of 32SPMS
7/8/2004

Related product manuals