EasyManua.ls Logo

Philips 27PS60S321 - Page 40

Philips 27PS60S321
125 pages
Print Icon
To Next Page IconTo Next Page
To Next Page IconTo Next Page
To Previous Page IconTo Previous Page
To Previous Page IconTo Previous Page
Loading...
Figure:
Introduction
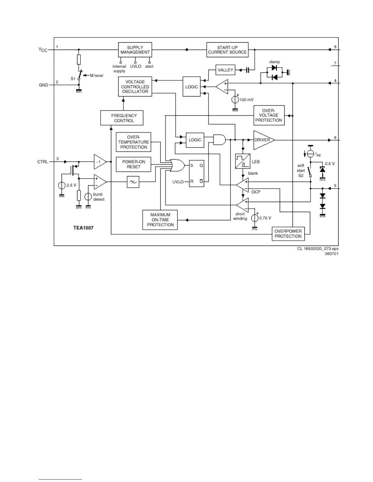
The supply is a Switching Mode Power Supply(SMPS). The frequency of operation varies with
the circuit load.This ‘Quasi-Resonant Flyback’ behavior has someimportant benefits compared
to a ‘hard switching’ fixedfrequency Flyback converter. The efficiency can be improved up
to90%, which results in lower power consumption. Moreoverthe supply runs cooler and safety
is enhanced.
The power supply starts operating when a DC voltage goes fromthe rectifier bridge via T5520,
R3532 to pin 8. The operating voltagefor the driver circuit is also taken from the ‘hot’ sideof this
transformer.
The switching regulator IC 7520 starts switching the FET ‘on’ and ‘off’,to control the current
flow through the primary winding of transformer5520. The energy stored in the primary winding
during the ‘on’ timeis delivered to the secondary windings during the ‘off’ time.
Pa
g
e 13 of 32SPMS
7/8/2004

Related product manuals