EasyManua.ls Logo

Philips 27PS60S321 - Page 92

Philips 27PS60S321
125 pages
Print Icon
To Next Page IconTo Next Page
To Next Page IconTo Next Page
To Previous Page IconTo Previous Page
To Previous Page IconTo Previous Page
Loading...
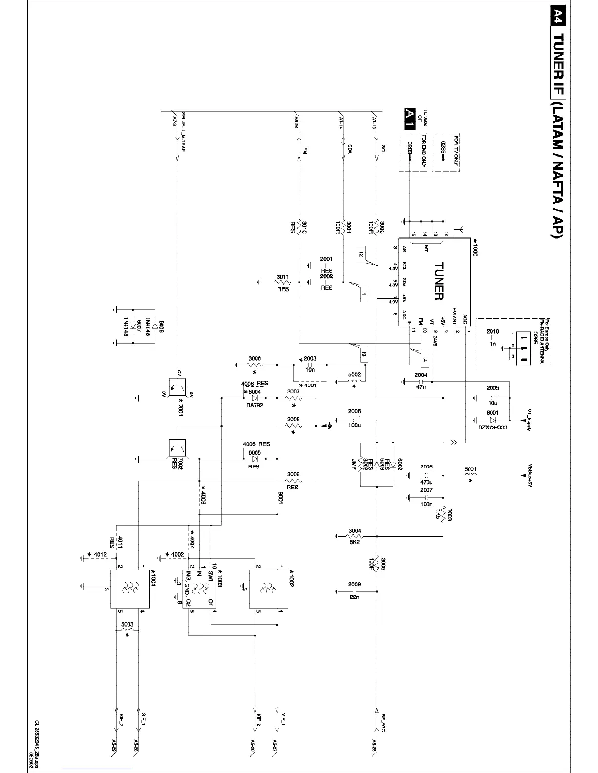
27PS60S321(7629) - Tuner IF (Diagram A4) Page: 5 of 30

Related product manuals