EasyManua.ls Logo

Philips 27PS60S321 - Page 96

Philips 27PS60S321
125 pages
Print Icon
To Next Page IconTo Next Page
To Next Page IconTo Next Page
To Previous Page IconTo Previous Page
To Previous Page IconTo Previous Page
Loading...
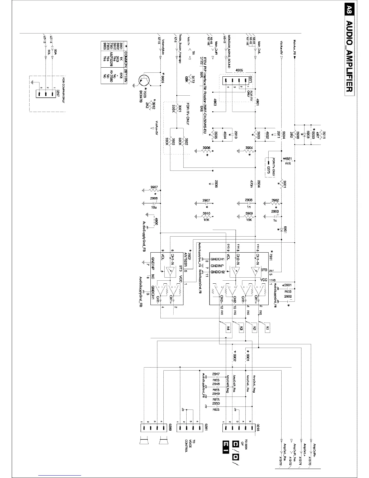
27PS60S321(7629) - Audio Amplifier (Diagram A8) Page: 9 of 30

Related product manuals