EasyManua.ls Logo

Philips 32HFL5850D/10 - Page 48

Philips 32HFL5850D/10
123 pages
Print Icon
To Next Page IconTo Next Page
To Next Page IconTo Next Page
To Previous Page IconTo Previous Page
To Previous Page IconTo Previous Page
Loading...
IC Data Sheets
EN 48 Q522.2HE LA8.
2010-Jun-30
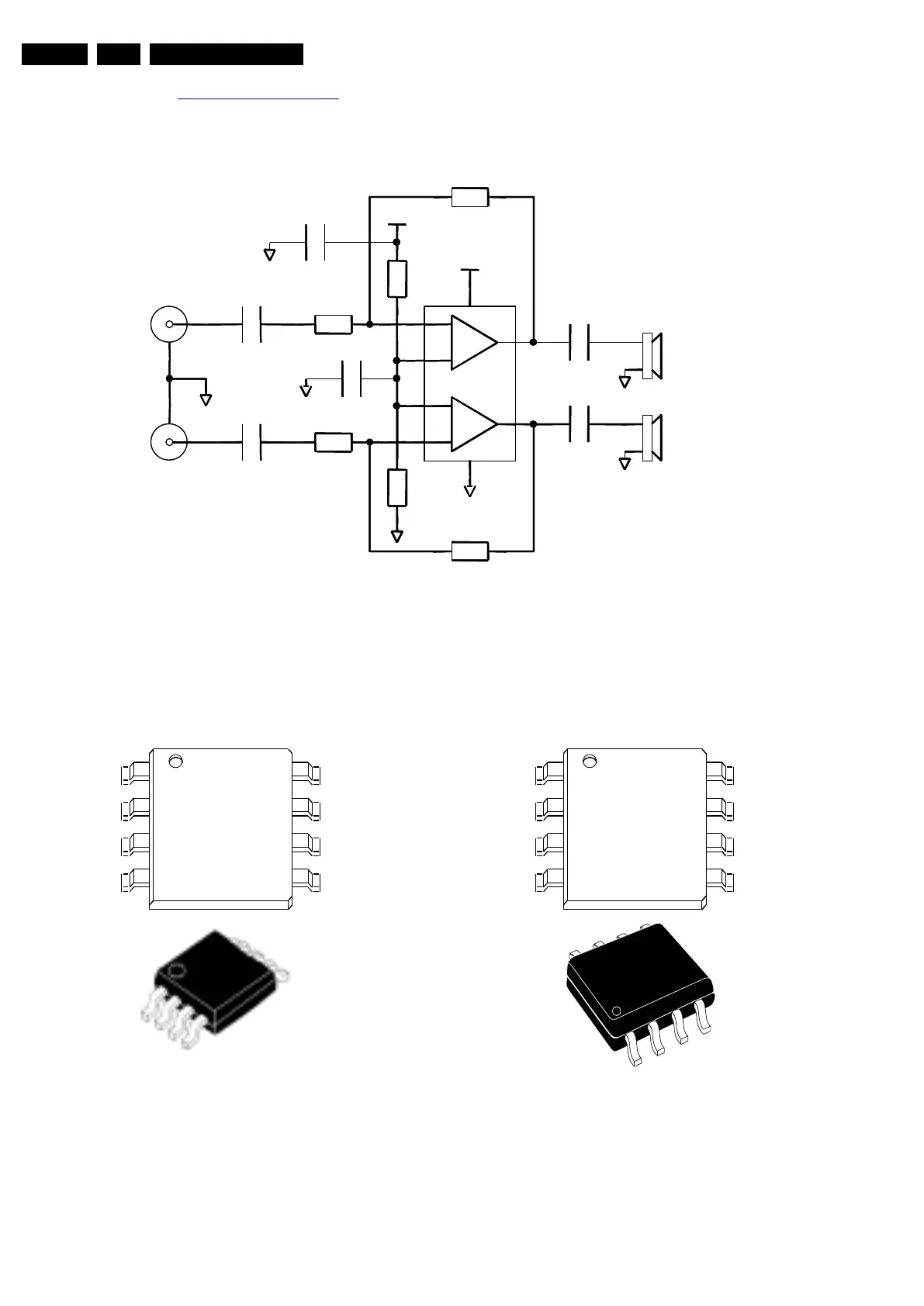
8.6 Diagram B04M SSB: PNX8541: Audio, TS4821DT (IC 7HV3)
Figure 8-6 Typical application schematic and pin configuration
TS482IS, TS482IST - MiniSO8
TS482ID, TS482IDT - SO8
5
O
UT (1)
6
7
8
4
3
2
1
V
IN+ (1)
G
ND
VCC
O
UT (2)
V
IN- (2)
V
IN+ (2)
V
IN- (1)
5
O
UT (1)
6
7
8
4
3
2
1
V
IN+ (1)
G
ND
VCC
O
UT (2)
V
IN- (2)
VIN+ (2)
V
IN- (1)
+
-
+
-
8
4
1
7
2
3
5
6
TS482
3.9k
3.9k
3.9k
3.9k
100k
100k
Vcc
Vcc
H
220µF
H
220µF
Right In
Left In
+
RL=32Ohms
+
RL=32Ohms
+
1µF
+
2.2µF
+
2.2µF
+
Cs
1µF
Cin1
Cin2
Rin1
Cout2
Cout1
Rin2
Rfeed1
Rfeed2
Cb
Rpol
Rpol
+
-
+
-
8
4
1
7
2
3
5
6
TS482
3.9k
3.9k
3.9k
3.9k
100k
100k
Vcc
Vcc
H
220µF
H
220µF
Right In
Left In
+
RL=32Ohms
+
RL=32Ohms
+
1µF
+
2.2µF
+
2.2µF
+
Cs
1µF
Cin1
Cin2
Rin1
Cout2
Cout1
Rin2
Rfeed1
Rfeed2
Cb
Rpol
Rpol
I_18010_084.eps
130608
Pin Configuration
Typical Application Schematic