EasyManua.ls Logo

Philips 32HFL5850D/10 - Page 93

Philips 32HFL5850D/10
123 pages
Print Icon
To Next Page IconTo Next Page
To Next Page IconTo Next Page
To Previous Page IconTo Previous Page
To Previous Page IconTo Previous Page
Loading...
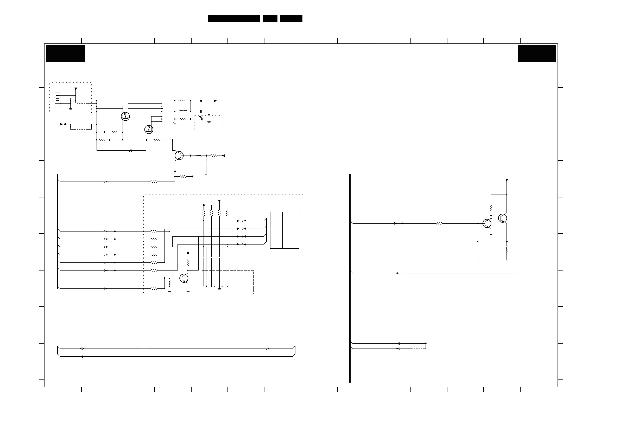
Circuit Diagrams and PWB Layouts
EN 93Q522.2HE LA 10.
2010-Jun-30
SSB: Display Interfacing
D
E
F
G
H
I
1GA0 B1
FOR ITV
RES
PDP-GO
8 910 14
123
FOR PDP ONLY
RES
VDISP-SWITCH
B
C
D
C
H
I
A
B
FOR LCD ONLY
RES
RES
FHP
DISPLAY-INTERFACING
123 4567
2G64 F5
2G65 F5
2G66 F5
11 12 13
3G60 D3
3G62 E11
3G63 C2
3G66 F13
RES
CPU-GO
45678 9 10111213 14
A
3G67-3 C5
3G67-4 C5
3G72 D4
E
F
G
3G79 E5
3G86 E3
3G88 F3
3G90 F3
RESET
2G54 B5
2G57 C2
2G58 F12
2G60 D5
2G63 F5
5G55 B4
5G56 B4
6G50 C3
2G76 C4
3G55 E13
3G56 B4
7G55 C4
7G57 G4
7G58-1 E13
7G58-2 E13
SDI
RES
3G67-1 C4
3G67-2 C2
9GA5 C1
9GAA G5
9GAB G5
3G76 E5
3G77 E5
3G78 E5
9GAF B1
CG01 I3
CG02 I3
FG50 B5
IRQ
RES
3G91 F3
3G93 F3
3G94 F4
3G96 F3
3G98 G3
3G99 G4
FG56 B1
FG59 E5
IG53 C2
6G51 B5
7G52 B2
7G54 B3
IG75 F2
IG77 F2
IG78 F2
IG79 F2
PDWN
FOR DEV. PURPOSE
9G48 I11
9G56 F13
9G61 B3
9GA3 B1
9GA4 C1
IG89 E10
IG90 F13
9GAC G5
9GAD G6
9GAE B1
IG95 C3
IG97 D4
IGA9 H11
IGB5 C2
IGB6 B4
IGBD E12
FG51 E6
FG52 E6
FG53 F6
FG54 F6
IGBC E13
IG65 G4
IG71 C4
IG73 E2
VDISP
RES
RES
IG92 B4
IG93 C4
IG94 C5
3G96
3G62
1K0
RES
47R
3G91
47R
9GA3
9GAA
IG73
FG59
FG51
3G79
10K
IG93
1
2
3
45
9GA5
1GA0
FG54
IG75
1u0
2G57
47R
3G63
+3V3
100R
3G60
3G55
47K
+12VD
1u0
2G58
3G72
4K7
IG92
47K
8 1
FG53
3G67-1
IG97
RES
9G56
IGBC
IGB6
100p2G63
IGBD
7G57
BC847BW
47R
RES
2G66 100p
3G76
9G61
9GAD
RES
+3V3
IG71
45
FG56
3
47K
3G67-4 3G67-3
47K
6
3G77
BZX384-C5V6
6G50
47R
9GAB
1K0
3G66
2G54
100n
7G54
SI3441BDV
100K
3G99
3G98
100K
9GA4
2K2
FG50
4
3G56
BC847BPN
7G58-2
5
3
47R
3G90
RES
IG89
CG02
CG01
IGA9
IG90
30R
5G55
47R
3G78
RES
IG65
27
+5VD
47K
3G67-2
100p2G65
IG79
IG77
IG78
IG95
4K7
3G94
FG52
IG94
IG53
2G76
10u 16V
RES
30R
3G88
47R RES
5G56
9GAC
47R
3G86
RES
+3V3-STANDBY
+3V3
1
3
2
9G48
BC847BW
7G55
2G60
10n
IGB5
9GAF
9GAE
BC847BPN
7G58-1
2
6
1
+12VD
6G51
3G93
RES
SML-310
47R
7G52
SI4835BDY
2G64 100p
RES
CTRL5-STBY
CTRL2-STBY_PWM-BOOST
CTRL1-MIPS_LCD-PWR-ON
CTRL2-STBY_PWM-BOOST
BACKLIGHT-CONTROL
CTRL4-STBY_SELECT
STANDBY
BACKLIGHT-OU T
CTRL-DISP3
CTRL-DISP2
CTRL-DISP1
CTRL3-STBY_POWER-OK-DISP
CTRL5-STBY
CTRL1-STBY_LAMP-ON
SCL-I2C4-DISP
SDA-I2C4-DISP
SCL-SSB-MUX1
SDA-SSB-MUX1
CTRL1-MIPS_LCD-PWR-ON
CTRL-DISP4
B06B B06B
I_18010_032.eps
020608
3139 123 6417.2