EasyManua.ls Logo

Philips 32HFL5850D/10 - Page 94

Philips 32HFL5850D/10
123 pages
Print Icon
To Next Page IconTo Next Page
To Next Page IconTo Next Page
To Previous Page IconTo Previous Page
To Previous Page IconTo Previous Page
Loading...
EN 94Q522.2HE LA 10.
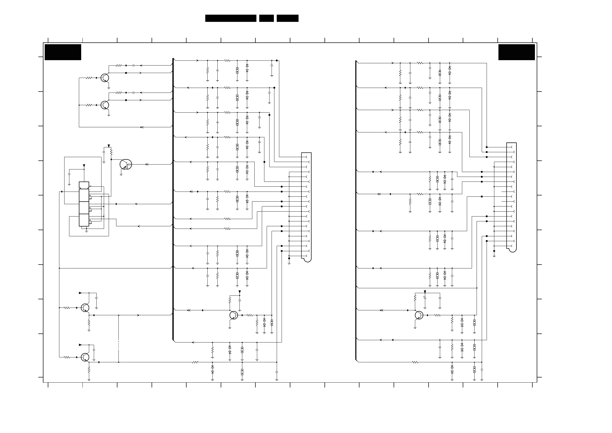
Circuit Diagrams and PWB Layouts
2010-Jun-30
SSB: Analog IO: Scart 1 & 2
4X1
G4
4X2
1
2
VDD
VEEVSS
RES
FEA0 A3
FEA1 B3
6E12 B6
6E14 C6
6E22 E12
IE96 E2
IE98 C2
IEC0 A3
IEC1 A2
IEC2 A3
IEC3 B2
IEC4 D10
IEC7 E10
FE61 A7
IE48 H11
IE51 H5
IE91 H1
IE92 H2
IE93 I2
IEC9 G10
IE06 H6
IE09 H11
IE18 D10
IE20 A5
IE21 C5
7E15 C3
9E10 I3
IE22 A11
IE23 C11
3EBB E6
6E01 A12
FE62 B7
FE63 D7
FE64 D7
FE65 E7
FE66 E7
FE67 E7
RES
FE71 C13
FE72 C13
FE73 D13
FE74 D13
FE75 D13
FE76 E7
FE77 F7
FE78 F7
FE79 F7
FE80 D13
RES RES
FE82 E13
FE83 F13
FE84 F13
FE85 F13
6E09 C12
IE04 D1
IE05 D5
3E73 H6
3E99 C2
6E23 D12
6E24 D6
6E26 F12
6E28 G12
6E29 H12
6E30 I12
6E31 I5
6E32 I12
6E34 F6
6E35 G6
6E36 H7
6E37 I6
7E01-1 A2
IE94 I1
7E02 D2
7E04 I1
7E05 H1
7E09 H11
7E14 H6
3EB7 H2
3EB8 I2
FE60 A7
3EBA E6
3E38 F11
3E43 H12
6E02 E6
6E03 B12
6E07 B12
6E08 B6
RES
SCART1
(AV2)
FE68 D7
IECB I10
RES
RES
FE81 E13
3E63 A6
3E64 B6
6E10 A6
3E69 H6
3E07 A11
3E11 A6
3EA7 A3
3EA8 A3
3EA9 A2
3EB0 B2
RES
(AV1)
7E01-2 B2
RES
3EB6 H1
3E31 D11
3E32 E11
3EB9 I1
3E37 A11
2E70 B7
2E73 I2
3E44 G11
3E45 I11
3E51 F5
3E52 I5
SCART2
FE70 C13
RES
3E54 G11
3E55 G5
3E59 I12
3E61 H6
3E62 I5
2EA5 A3
2EB0 I7
3E68 H12
3E02 D5
2E13 H6
2E14 F12
3E12 A11
3E14 C6
3E15 B11
3E16 D6
RES
RES
3E17 E5
3E18 B5
3E19 C11
RES
3E22 C11
3E24 A5
3E27 B11
3E28 D11
3E30 B11
2E41 I6
2E44 I12
3E34 C5
2E51 B7
1E12 D12
1E13 F6
2E74 G2
2E75 D1
2E77 C2
2E82 C7
RES
RES
2E87 A11
2E88 B11
2E90 B11
2E91 C11
2EA4 A3
2E04 C11
2E06 B11
2EB1 I13
2E12 G12
10 11
2E15 D12
2E16 D5
2E17 F5
2E18 E12
ANALOG IO: SCART 1 & 2
B07A B07A
I_18010_033.eps
020608
3139 123 6417.2
RES
RES
2E19 G5
3E21 B5
2E29 A5
2E30 B5
2E31 C5
2E32 B5
2E33 E5
1028 E6
1E00 A12
2E50 A7
1E02 C8
1E18 F12
1E19 G12
1E22 H13
1E23 I13
RES
RES
RES
RES RES
RES
1E24 I6
1E26 H7
1E27 I6
1E31 B12
2E01 A11
2E02 G11
7
2E10 B11
9
12 13 14
A
RES
RES
1011 G6
2E24 G12
1022 A6
1023 B6
1024 B6
1025 C6
1027 D6
RES
1E01 C14
RES
6
RES
RES
123 45
RES
RES
8 910111213 14
12
1E25 I13
56
A
B
8
E
F
G
B
C
D
E
F
G
7
1015 C12
H
I
1001 E11
1009 B12
3 4
RES
RES
H
I
C
D
22p
2EB0 1n0
2E50
100R
3EBB
3EBA
100R
PESD5V0S1BA
6E32
2E01
100p
RES
21
3
4
5
6
7
8
9
12
13
14
15
16
17
18
19
2
20
1E01
1
10
11
6E03
MRC-021H-09 PC
1K0
3EB0
PESD5V0S1BA
5
3
4
BC847BS
7E01-2
2E82
1n0 1n0
2E70
IEC9
FE72
0001
1E13
FE71
75R
3E51
+5V
390R
3EB7
100R
3EB6
0001
1E26
3EB8
FE68
390R
100R
3EB9
75R
+5V
3E59
RES
1K0
3E19
100p
2E04
2E14
100p
PESD5V0S1BA
6E31
68R
3E52
2EB1
22p
2E24
100n
IE48
FE66
IE94
IE91
PESD5V0S1BA
6E35
PESD5V0S1BA
6E34
FEA1
IE20
IE21
6E24
PESD5V0S1BA
0001
1E27
3E28
100p
75R
2E19
PESD5V0S1BA
6E26
75R
3E38
2
7E04
BC847BW
BC847BW
7E14
1
3
100n
2E33
330p
2E73
2E17
100p
2E16
100p
IE04
IE98
IEC2
+5V
6E23
PESD5V0S1BA
6E28
PESD5V0S1BA
IE96
3E61
75R
FE61
FE62
FE60
FE64
FE63
3E02
75R
2E44
100p
2E41
100p
3E54
75R
100K
3E22
RES
IE51
FE65
3E73
4K7
+3V3
100p
2E10
RES
2E31
100p
1E24
0001
100K
3E34
1024
75R
0001
3E55
IE92
IE93
100n
2E13
2EA5
10u
1E22
0001
100n
2E74
7E05
BC847BW
100p
2E15
100p
2E06
RES
3E27
100K
RES
PESD5V0S1BA
6E36
22u
2E02
+3V3
10V
0001
1E12
0001
1015
IEC3
IEC1
IEC0
FEA0
0001
1K0
3E14
1025
PESD5V0S1BA
6E12
3E21
RES
FE79
3E24
RES
100K 100K
IE09
IE23
IE18
IE22
2EA4
10u
3E16
8K2
3E43
1027
75R
0001
IE06
IE05
1E18
0001
6E22
PESD5V0S1BA
3E62
75R
PESD5V0S1BA
6E37
7E15
PDTC114EU
1
3
2
3E31
8K2
3E32
3K3
0001
1E00
3E44
4K7
1011
0001
IECB
3E15
1009
0001
470R
1K0
3EA9
2
6
1
BC847BS
7E01-1
150R
3EA8
PESD5V0S1BA
6E14
PESD5V0S1BA
6E08
470R
3E64
100p
2E32
RES
FE76
PESD5V0S1BA
FE67
8
9
6E02
18
19
2
20
21
3
4
5
6
7
1
10
11
12
13
14
15
16
17
1E02
MRC-021H-09 PC
100p
RES
3E17
3K3
2E30
1n0
2E91
PESD5V0S1BA
6E29
FE85
FE84
FE83
2E77
100n
8K2
3E99
3E07
1K0
1E31
0001
RES
2E29
100p
IEC4
PESD5V0S1BA
6E09
3E37
470R
3E69
100R
1
3
12
2
5
14
15
4
+5V
MDX
6
11
10
9
16
7
8
13
74HC4053PW
7E02
2E87
1n0
0001
100p
2E12
PESD5V0S1BA
6E10
1023
1n0
2E882E90
1n0
FE74
FE73
9E10
FE77
FE78
2E18
330p
0001
1E23
6E30
PESD5V0S1BA
0001
1028
2E51
1n0
3E18
100K
RES
1
3
2
100R
3E68
BC847BW
7E09
0001
1E19
1E25
0001
1001
0001
150R
3EA7
IEC7
6E07
PESD5V0S1BA
2E75
100n
FE70
3E11
0001
1K0
1022
3E63
470R
3E12
RES
100K
RES
100K
3E30
PESD5V0S1BA
FE81
6E01
FE82
FE80
FE75
3E45
68R
SC1-R
SC1-G
SC1-B
SC1-CVBS
AUDIO-CL-L
AP-SCART-OUT-L
AUDIO-CL-R
AP-SCART-OUT-R
A-PLOP
Y_CVBS-MON-OUT-SC
CVBS-TER-OUT
CVBS-OUT-SC1-iTV
CVBS-OUT-SC1
VSYNC
AV2-BLK
REGIMBEAU_CVBS-SWITCH
AV2-STAT U S
HSYNC
SC2-G
SC2-R
SC2-CVBS
SC2-B
AP-SCART-OUT-R
AUDIO-IN2-R
AP-SCART-OUT-L
AUDIO-IN2-L
AV1-STAT U S
CVBS-OUT-SC1
AV1-BLK
AV1-BLK-BO
AP-SCART-OUT-R
AUDIO-IN1-R
AP-SCART-OUT-L
AUDIO-IN1-L