EasyManua.ls Logo

Philips 32PFL4007D/78 - Tuner B14

Philips 32PFL4007D/78
74 pages
Print Icon
To Next Page IconTo Next Page
To Next Page IconTo Next Page
To Previous Page IconTo Previous Page
To Previous Page IconTo Previous Page
Loading...
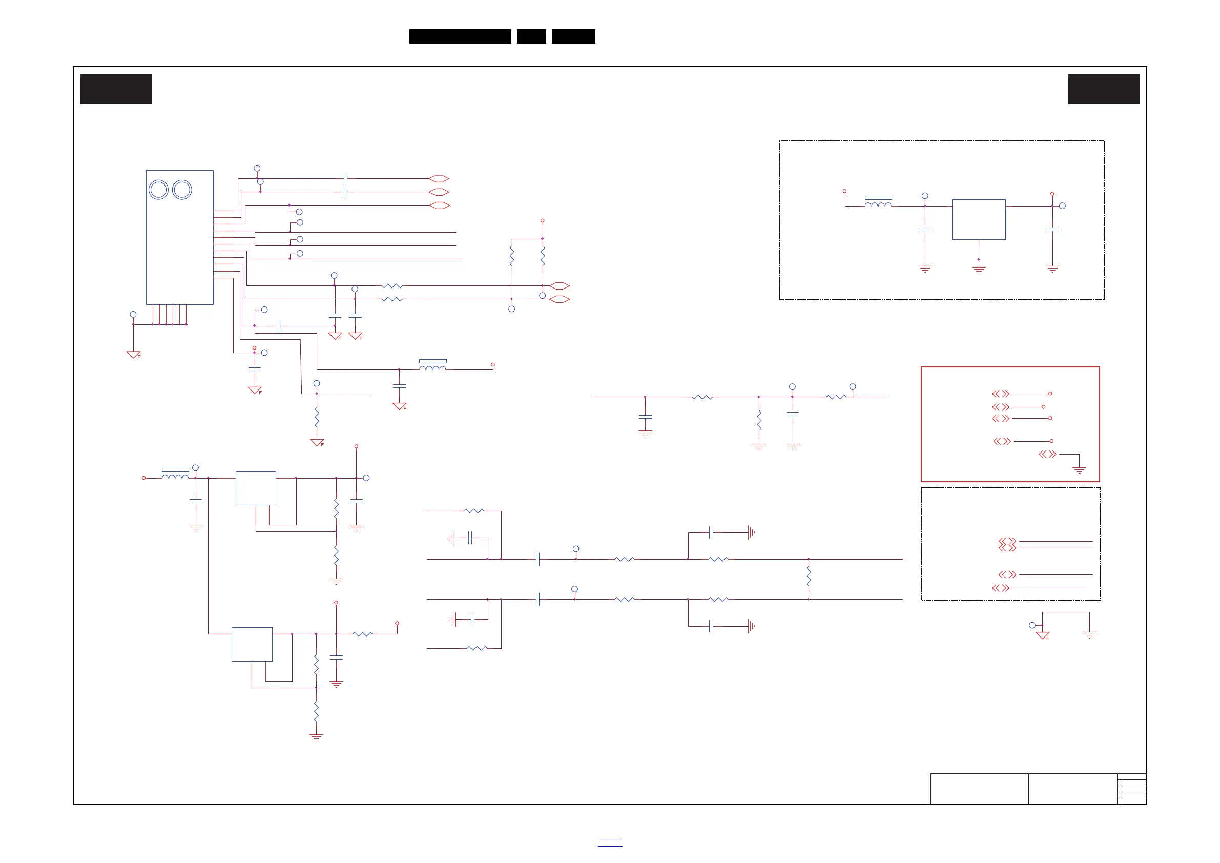
EN 64TPM9.2L LA 10.
Circuit Diagrams and PWB Layouts
2012-Mar-30
back to
div. table
10-3-14 Tuner
19260_514_120319.eps
120321
Tuner
B14 B14
2011-12-14
C
715G5172
Tuner
FAT_IN+
R145
150OHM 1/16W +/-5%
FAT_IN-
IF_AGC
R155
22K 1/16W 5%
C102
10N 50V
R203
10K 1/16W 5%
C130
47NF 16V
IF_AGC
IF_AGC
C202 47P 50V
R140
100R 1/16W 5%
C162 1uF 25V
R138
100R 1/16W 5%
C206 47P 50V
R139
0R05 1/16W
C211 1uF 25V
R152 4K7 1/16W 5%
TP305
R142
0R05 1/16W
+5V_SW
FAT_IN-
FAT_IN+
GND
+5V_SW
FAT_IN-
AVDD3V3AVDD3V3
FAT_IN+
Tuner I/O Interface
DEMOD_RST
DEMOD_RST
TP306
TP302
IFOUT1N-
R132 200R 1/16W 5%
TP297
C204
39pF 50V
C205 1UF 6.3V
R123 200R 1/16W 5%
R154
10K 1/16W 5%
C207
39pF 50V
R128
3K3 1/16W 5%
R124
3K3 1/16W 5%
IFOUT1N
C208 1UF 6.3V
C212
100N 16V
TIFAGC
IFOUT1P
TUNER_SCL
AVDD3V3
TUNER_SDA
AGC2
DEMOD_RST
TU_FAT_IN2+
TU_FAT_IN2-
+5V_TUNER
TP300
IF1_P
1
IF1_N
2
AGC1
3
IF2_P
4
IF2_N
5
AGC2
6
I2C_SCL
7
I2C_SDA
8
2.5V
9
RESET
10
5V
11
TH1
12
TH2
13
TH3
14
TH4
15
TH5
16
TH6
17
TU103
SUT-RB211TV
TP343
TP344
C209
10uF 6.3V
TP298
TP315
TP352
1 2
FB104
220R/2000mA
TP353
C203
100N 16V
TP299
A2.5V
T_SCL
T_SDA
TP294
TP295
IFOUT1P+
TP301
D_2V5
TP296
AGC2
1 2
FB712 220R/2000mA
TP309TP310
C213
NC/47pF 50V
IFOUT1P+
C214
NC/47pF 50V
IFOUT1N-
R185
NC/0R05 1/16W
TU_FAT_IN2+
R186
NC/0R05 1/16W
TU_FAT_IN2-
C771
10uF 6.3V
TP303
C197
1UF 10V
VIN
3
GND
1
VOUT
2
TH
4
U102
G1117T63Uf
TP304
R151
120R 1/16W 1%
R117
120R 1/16W 1%
1 2
FB106
220R/2000mA
D_2V5
C210
10uF 6.3V
+5V_SW
VIN
3
GND
1
VOUT
2
TH
4
U104
NC/G1117T63Uf
R175
NC/120R 1/16W 1%
R119
NC/120R 1/16W 1%
C218
NC/10uF 6.3V
A_2V5
D_2V5
R184
0R05 1/16W
TP354
TP355
TUNER POWER +5V_TUNER
form +12V/+12V_TUN
+24V(16V)
+24V(16V)
GND
2
OUT
3
IN
1
U755
AS7805DTR-E1
C769
1uF 25V
+5V_TUNER
+12V
TP356
+12V+12V

Related product manuals