EasyManua.ls Logo

Philips 32PFL7403D/10 - Diagram B03 A, TDA9898 HL (IC 7 T57)

Philips 32PFL7403D/10
152 pages
Print Icon
To Next Page IconTo Next Page
To Next Page IconTo Next Page
To Previous Page IconTo Previous Page
To Previous Page IconTo Previous Page
Loading...
Circuit Descriptions, Abbreviation List, and IC Data Sheets
EN 141Q528.2E LB 9.
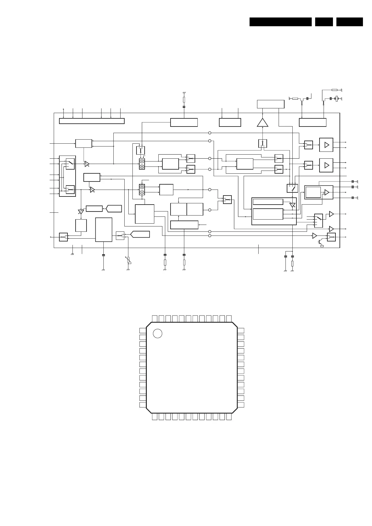
9.5.2 Diagram B03A, TDA9898HL (IC 7T57)
Figure 9-8 Internal block diagram and pin configuration
Block Diagram
Pin Configuration
H_16800_029.eps
111007
A
B
C
D
E
F
G
H
TDA9897
I
2
C-BUS
SIF AGC
PEAK
AGC
TUNER
VIF PLL
AND
ACQUISITION
HELP
VIF
AFC
NYQUIST
FILTER
sideband
I
Q
VIF AGC
AM average
23
36
A
GCDIN
IF3A
IF3B
SDA
3
4
IF2A
IF2B
9
10
2, 5, 18, 37
1NYSFLFIVFL2POT
3111
i.c.
TAGC
45
47
IF1A
IF1B
6
7
FM peak
24
SCL
14
i.c.
SYNTHESIZER
AND VCO
SYNTHESIZER
AND VCO
standard
1
LFSYN2
25
ADRSEL
32
BVS
22
GNDD
38
SIDEBAND
FILTER
sideband
Q
I
SOUND
CARRIER
TRAP
trap reference
GROUP
DELAY
EQUALIZER
DECODER
I
2
C-BUS
TOPNEG
n.c.
optional tuner
AGC TOP for
IF based tuner
AGC and
radio signal
strength detector
onset
CTAGC
8
I
2
C-BUS TOP2
AND RSSI
RSSI
DETECTOR
AND
IF BASED
TUNER
AGC
GND
48
A
B
C
D
E
F
G
H
TDA9897
FM CARRIER AGC
FM
VIF AGC
port
I
2
C-bus
AM
AM DEMODULATOR
AND
FM NARROW-BAND PLL
LFFM
19
4 MHz FREQUENCY
REFERENCE
46 39
SUPPLY
BP on/off
OUTPUT
SWITCH
FM SWITCH
AM
26
27
21
43, 44
V
P
33
12
40, 41 15
+3 dB
GNDA EXTFILO
FM
AMPLIFIER
BAND-PASS
FILTER
20
34
28
31
16
29
OUT2A
OUT2B
OUT1A
OUT1B
EXTFMI
MPP2
CVBS
MPP1
CAF2
CDEEM
CAF1
AUD
30
17
EXTFILI
4 MHz reference
input
R
(2)
R
(2)
OPTXTALFREF
EXTERNAL SOUND
BAND-PASS FILTER
(1)
SIF AGC
TAGC
FM AGC
AFC
35, 42
n.c.
TDA9897HL
TDA9898HL
NIDCGA2NYSFL
.c.n.c.n
2FACA3FI
SBVCB3FI
CIFAGC
(1)
BVS
DUAA1FI
B2TUOB1FI
A2TUOCGATC
1FACA2FI
B1TUOB2FI
A1TUO2POT
LESRDA1PPM
DNGFIVFL
CGAT.c
.
i
FERFOLIFTXE
.c
.
i
2PPM
VILI
F
TXE
P
V.c
.
n
P
.c.nMFFL
ADNGMEE
DC
ADNGIM
F
TXE
LA
TX
T
P
OD
D
N
G
SDA
SCL
LFSYN1
n.c.
1
2
3
4
5
6
7
8
9
10
11
12
36
35
34
33
32
31
30
29
28
27
26
25
13
14
15
16
17
18
19
20
21
22
23
48
47
46
45
44
43
42
41
40
39
38
37
24

Table of Contents

Related product manuals