EasyManua.ls Logo

Philips 32PHH4100/88 - Power Layout Top

Philips 32PHH4100/88
150 pages
Print Icon
To Next Page IconTo Next Page
To Next Page IconTo Next Page
To Previous Page IconTo Previous Page
To Previous Page IconTo Previous Page
Loading...
Circuit Diagrams and PWB Layouts
EN 57TPN15.1E LA 10.
2015-Oct-20
back to
div.table
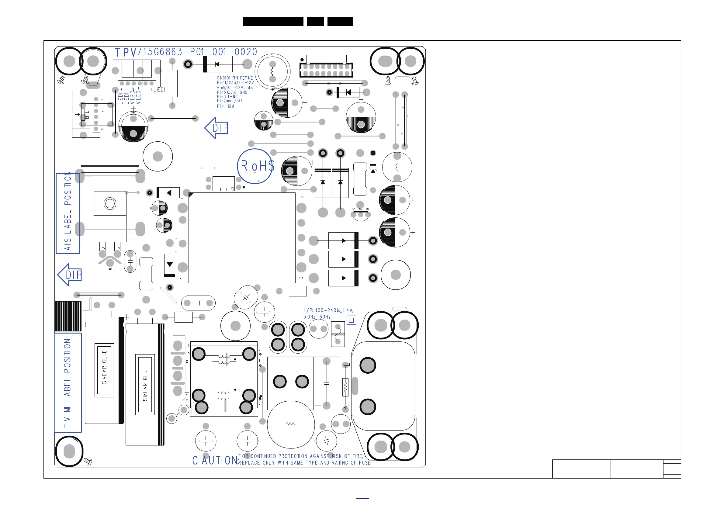
10-1-2 Power layout top
19760_501.eps
2014-06-05
715G6863
LAYOUT TOP
D9102
D9107
IC9102
D9109
D9108
R9136
SU2
SU1
SU3
CN8603
D9110
D9106
C9802
BD9901
J907
C8602
C9801
C8608
C9106
C9111
C9103
D9101
F9901
J905
J901
J909
J911
J906
J904
J902
J914
C8615
J908
J910
J912
J913
J903
R9101
T9101
D8601
S6
S7
S3
S4
S5 S8 S9
S10
S11
S12
S13
S15
C9102
C9117
C9118
C9901
C9905
C9903
C9904
CN8601
CN8602
D9105
FB9901
HS9101
L9101
MH5
MH1
MH4
Q9102
C8601
C9115
FB9905
MH3
MH2
FB9906
C9902
L8601
ZD9102
L8602
Q9101
RV9901
CN9101
C9906
C9907
FB9907
FB9908
GND3
L9901
L9902
NR9901
NR9902
C9100
FB9903
CN9901
R9907
CN8605
CN8604

Table of Contents

Other manuals for Philips 32PHH4100/88

Related product manuals