EasyManua.ls Logo

Philips 42PFL3603D/27 - Page 85

Philips 42PFL3603D/27
96 pages
Print Icon
To Next Page IconTo Next Page
To Next Page IconTo Next Page
To Previous Page IconTo Previous Page
To Previous Page IconTo Previous Page
Loading...
Circuit Descriptions, Abbreviation List, and IC Data Sheets
EN 85LC8.1U LA 9.
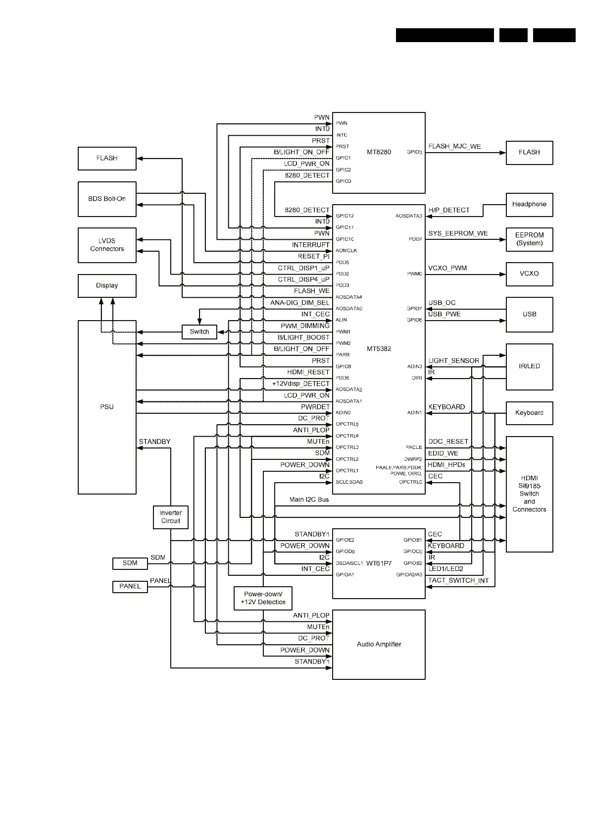
9.9 Control Signal Description
The following diagram gives an overview of the control signal
flow for the LC08SP platform.
Figure 9-11 Control Signal flow diagram
H_17740_054.eps
250108

Related product manuals