EasyManua.ls Logo

Philips 43PUS6412/05 - 15 G8694 IR;LED Pa Nel

Philips 43PUS6412/05
107 pages
Print Icon
To Next Page IconTo Next Page
To Next Page IconTo Next Page
To Previous Page IconTo Previous Page
To Previous Page IconTo Previous Page
Loading...
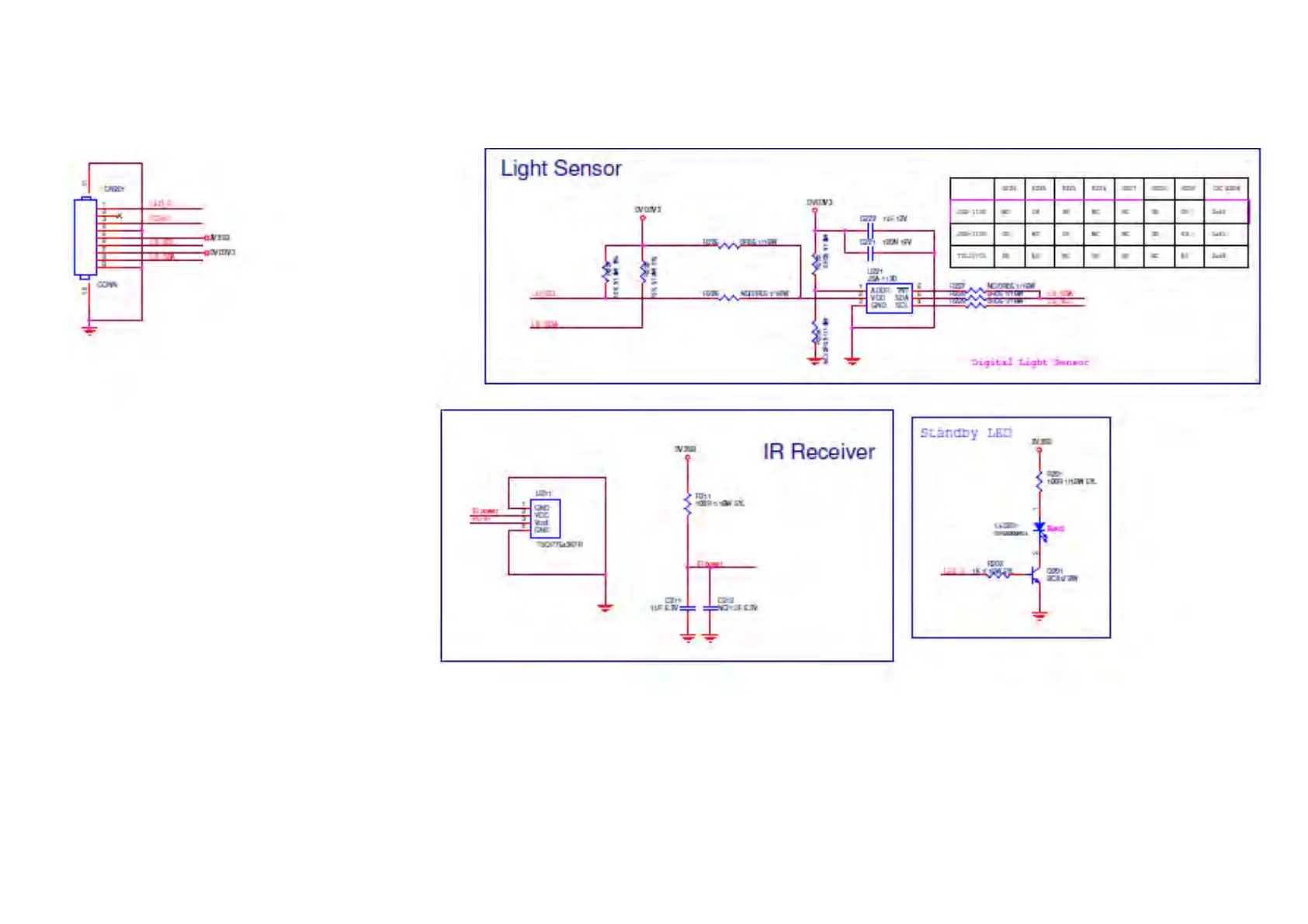
8.7J 715G8694 IR/LED Panel
8-7-1 LED&I R&Light sensor

Related product manuals