EasyManua.ls Logo

Philips 5000 LATTE GO - Water Circuit and Electrical Diagrams

Philips 5000 LATTE GO
53 pages
Print Icon
To Next Page IconTo Next Page
To Next Page IconTo Next Page
To Previous Page IconTo Previous Page
To Previous Page IconTo Previous Page
Loading...
PHI 5000 LATTE GO / GO+ 01 INTRODUCTION
4/9
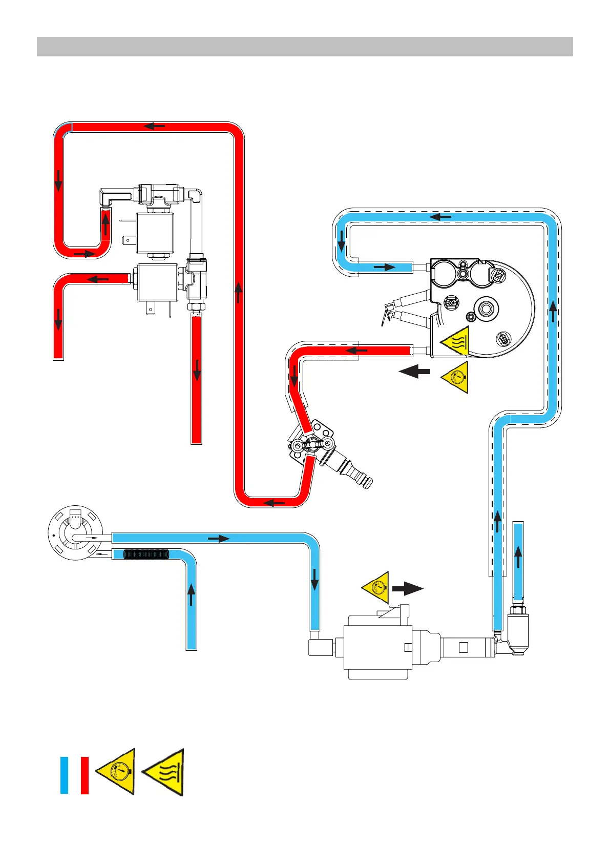
1.5. Water circuit diagram
Safety valve
Water
Hot water /steam
Water tank
Flowmeter
Pump
Boiler
Solenoid valves
Water
discharge
Discharge
Steam and
hot water
Brewing Unit
From this point circuit
High temperaure
From this point circuit
in pressure
Image 1

Related product manuals