EasyManua.ls Logo

Philips 55PFL7007T/12 - B04 C, V-Disp Output

Philips 55PFL7007T/12
227 pages
To Next Page IconTo Next Page
To Next Page IconTo Next Page
To Previous Page IconTo Previous Page
To Previous Page IconTo Previous Page
Loading...
EN 86QFU1.1E LA 10.
Circuit Diagrams and PWB Layouts
2012-Sep-14
back to
div. table
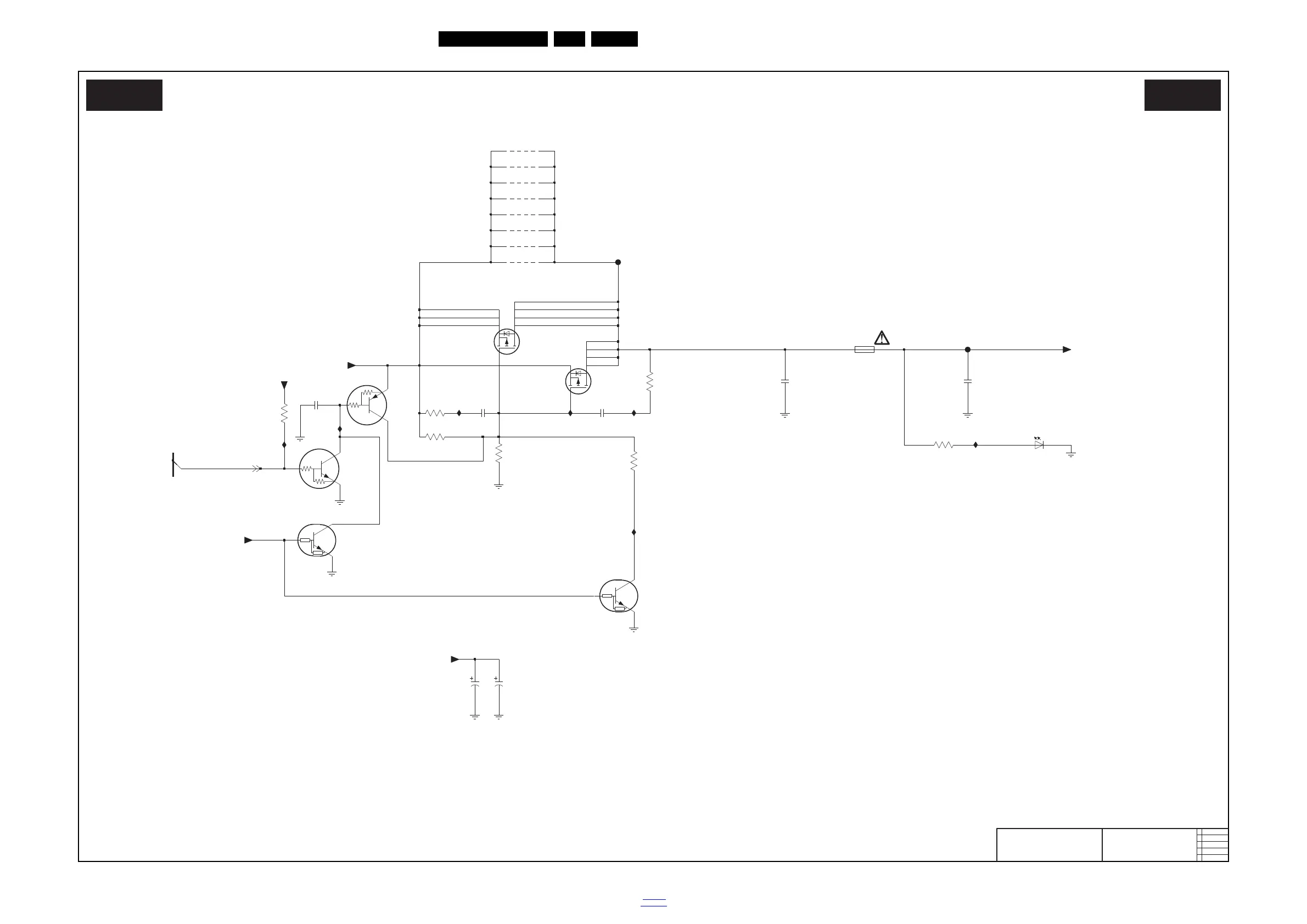
10-1-17 B04C, V-disp output
19210_022_120424.eps
120424
V-disp output
B04C B04C
2011-12-22
4
8204 000 9229
V-disp output
VDISP-SWITCH
5
3
4
PUMD12
7GS3-1
2
6
1
7GS3-2
PUMD12
27K
3GS6
3GS4
47K
RES
1 8
IGS4
1
2
3
9GS1-1
7GS1
5
6
7
8
4
+3V3
RES
SI4835DDY-GE3
3GS3
4K7
IGS3
1
2
5
6
3
4
IGS5
SI3443CDV
7GS2
1u0
IGS2
RES
2GS4
RES
3GS2
47R
+12V
RES
IGS7
+2V5
2GS3
22n
22K
2
RES
3GS7
PDTC114EU
7GS5
1
3
7GS4
PDTC114EU
1
3
2
RES
5
RES
3 6
9GS2-4
RES
4
RES
27
RES
9GS2-3
1 8
9GS2-2
9GS1-4
45
RES
9GS2-1
RES
3 6
RES
9GS1-2
27
9GS1-3
2GS5
RES
47R
3GS1
100n
T
IGS1
IGS6
32V3.0A
1GS1
2GS1
22u
RES
DBG
6GS1
LTST-C190KGKT
RES
220u 2V0
2JW1
2JW2
2V0220u
FGS2
+1V1-FD
DBG
3GS5
4K7
100n
RES
+VDISP
2GS2
FGS1
LCD-PWR-ONn

Table of Contents

Related product manuals