EasyManua.ls Logo

Philips 58PUT6604/79 - Electrical Diagrams; System Block Diagram Overview

Philips 58PUT6604/79
85 pages
Print Icon
To Next Page IconTo Next Page
To Next Page IconTo Next Page
To Previous Page IconTo Previous Page
To Previous Page IconTo Previous Page
Loading...
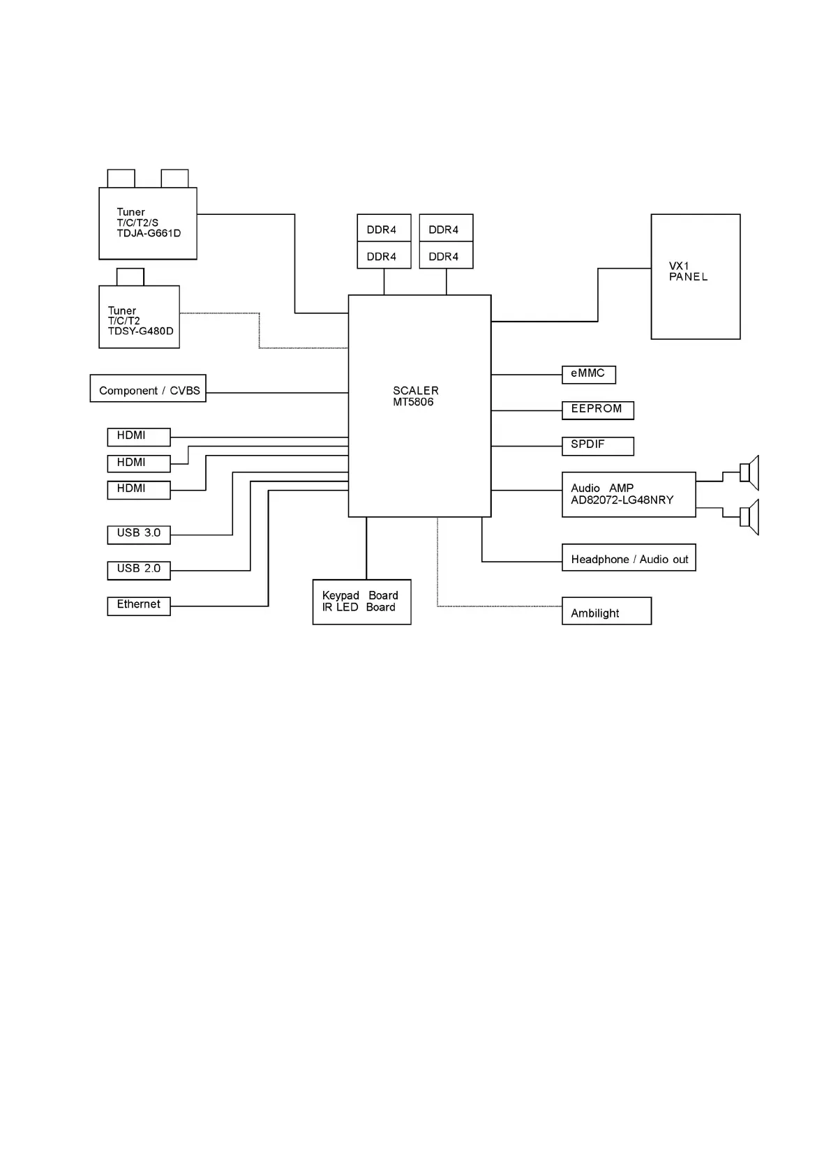
7. Electrical Diagram
7.1 Block diagram

Related product manuals