EasyManua.ls Logo

Philips 58PUT6604/79 - Page 60

Philips 58PUT6604/79
85 pages
Print Icon
To Next Page IconTo Next Page
To Next Page IconTo Next Page
To Previous Page IconTo Previous Page
To Previous Page IconTo Previous Page
Loading...
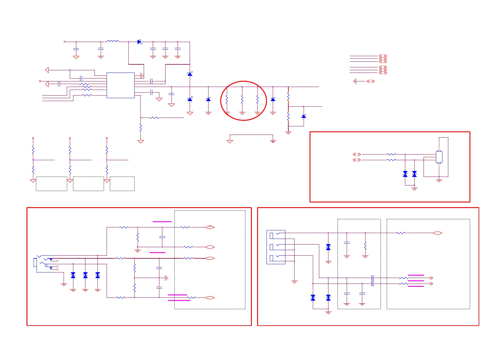
9-4-11 LNB & EXT AV INPUT
R8076
NC/0R05 1/10W
R8077
NC/0R05 1/10W
R8078
NC/0R05 1/10W
R8079
NC/0R05 1/10W
ZD202
PJSD24CW
1 2
C l o s e t o C N 1 0 1
R e s e rv e r f o r AP / L T
Main_12V
R e s e rv e r f o r AP / L T
AV In p ut
A
B
C
CN133
NC/RCA JACK
2
1
4
3
5
6
YPbPr_L
YPbPr_R
ZD7517
NC/MLVG0402
12
C8173
NC/10PF 50V
ZD7518
NC/MLVG0402
12
38 8 G0 7 8G 1 37 A CL 0 00 1
ZD7519
NC/MLVG0402
12
Cl ose t o S oC
PR-IN-0
PB-IN-0
Y-IN-0
13_18V_SW
LINEDROP
LNB_EN
L I N E D R O P:
Low: 13.3/18.3V
Hig h: 14.3/19.3V
Compensation Selection
1 3 _ 1 8 V _ SW
Hig h: 18V
Low: 13V
L NB _ E N :
Low: disable
Hig h: enable
MP8124 Enable Selection
R774
10K 5%
R780
NC/100K 1/16W 5%
DVDD3V3
LINEDROP
R721
NC/100K 1/16W 5%
R720
10K 5%
DVDD3V3
M o d if y 0 4 / 1 9
CN130
NC/CONN
1
2
3
45
U0TX
U0RX
U0TX
6,22
U0RX
6,22
R718
10K 5%
R719
NC/100K 1/16W 5%
DVDD3V3
ZD203
NC/PJSD24CW
1 2
U202
MP8124GD Z
AGND
8
BYPASS
11
VDD
12
COMP
10
EN
2
LINEDROP
1
TCAP
9
VOUT
7
VBOOST
6
BST
5
SW
3
PGND
4
13V/18V
14
EXTM
13
L201
10uH
R227 60.4K 1%
R213
100K 1%
DISEQC_OUT
C245 22NF25V
R224 33 OHM
TUNER_LNB
C249 220nF 16V
Main_12V
C253 3.3NF 50V
C248
100NF 25V
TUN_LNB
R216
3K
R217
3K
LNB P O W ER S U P P L Y
ES D & Su r ge
Protect
ZD201
NC/PJSD24CW
1 2
C250
100NF 25V
C297
100NF 25V R221
33K 1%
C298
10uF 16V
R225
5.1K 1%
CVBS0P_EXT
CVBS0P_EXT
9
R8067
NC/100R 1/16W 5%
Cl ose t o C O N N E C T OR
w it h G ND
w i t h G N D
C8166
NC/1nF 50V
C8165
NC/1nF 50V
C8167 NC/1uF 10V
C8168 NC/1uF 10V
D505
SR24
1 2
R8068
NC/30K OHM +-1% 1/16W
Ne a r S c a l e r
R8069
NC/30K OHM +-1% 1/16W
D504
SR24
1 2
D503
SR24
1 2
R214
0R05 1/16W
AIN_R0
AIN_L0
AIN_R0
9,21
AIN_L0
9,21
R8065
NC/75R 1/16W 1%
R215
0R05 1/16W
R218
0R05 1/16W
LNB_EN 13_18V_SW
C240
10uF 25V
w it h G ND
w it h G ND
R8070
NC/75R 1/16W 1%
R8071
NC/75R 1/16W 1%
R8072
NC/75R 1/16W 1%
NE A R C O NNE C T O R
C8170
NC/10PF 50V
R8073
NC/0R05 1/10W
C8171
NC/10PF 50V
R8074
NC/0R05 1/10W
C8172
NC/10PF 50V
R8075
NC/0R05 1/10W
w it h G ND
w i t h G N D
SOY_EXT
9
COM0_EXT
9
PB0P_EXT
9
PR0P_EXT
9
R e s e rv e r f o r AP / L T
C243
10uF 25V
C244
10uF 25V
R220
3K
DISEQC_OUT
13
TUN_LNB
TUN_LNB
17
LINEDROP
13_18V_SW
LNB_EN
DISEQC_OUT
LNB_EN
13
LINEDROP
17
13_18V_SW
13
TUNER_LNB
13
GND
4,5,6,7,8,9,10,11,12,13,15,16,17,18,19,20,21,22
TUNER_LNB
R4010
NC/100R 1/16W 5%
R4011
NC/100R 1/16W 5%
ZD130
NC/MLVG0402
12
ZD145
NC/MLVG0402
12
SOC-TX-SERVICE
SOC-RX-SERVICE
ZD7514
NC/TVM1G5R5M100R
12
ZD7515
NC/TVM1G5R5M100R
12
ZD7516
NC/TVM1G5R5M100R
12
CN132
NC/PHONE JACK 7P
1
2
3
4
5
6
7

Related product manuals