EasyManua.ls Logo

Philips AZ 2536 - MTF Board Circuit Diagram; MTF Board Schematic

Philips AZ 2536
24 pages
Print Icon
To Next Page IconTo Next Page
To Next Page IconTo Next Page
To Previous Page IconTo Previous Page
To Previous Page IconTo Previous Page
Loading...
8 - 1
8 - 1
R IN
L IN
GND
R OUT
L OUT
+ TAPE
1
1
2
2
3
3
4
4
5
5
6
6
7
7
8
8
9
9
10
10
11
11
12
12
13
13
14
14
15
15
A
A
B
B
C
C
D
D
E
E
F
F
G
G
H
H
71 D15
73 E15
74 G 9
1702 G15
1707 F 3
1707 C 3
1707 G 7
1707 C 7
1707 E 9
1707 E12
1709 A14
1710 E15
1725 A15
2703 G 7
2704 C 7
2706 B 4
2707 B 6
2708 C 3
2709 G 3
2710 G12
2711 F 6
2712 E 7
2714 C 3
2715 C 6
2716 D 5
2719 C 8
2721 G 3
2722 G 7
2723 G 5
2726 G 8
2727 F 7
2728 C13
2729 C13
2730 G11
2732 G12
2733 H13
2734 G10
2735 G10
2738 B 3
2739 B 1
2750 D 6
2751 H 6
2760 E14
2799 E15
3701 B 6
3703 D 3
3704 C 3
3706 D 4
3707 B 5
3710 D 8
3712 E 7
3713 G 3
3714 F 3
3716 H 4
3719 H 8
3720 F 7
3722 A 2
3723 A 2
3726 B 9
3727 E 9
3730 F12
3731 G12
3732 H13
3733 F 6
3734 D11
3743 C 9
3744 G 9
3747 G12
3748 B 3
3749 B 2
3761 G 6
3762 D 6
5701 F11
6704 F11
7702 H13
7705 G 4
7705 C 4
8702 F 1
8702 F 1
8702 E 1
8702 E 1
8704 E15
8704 E15
8705 F15
8705 F15
9753 C13
9754 F11
9758 D12
T701 A14
T702 A14
T705 B14
T706 E14
T707 B10
T708 B10
T709 D14
T710 G11
T711 F14
T712 F 5
T716 F10
T717 F 2
T718 E 2
T719 H13
T721 A14
T722 G 7
T723 F 2
T724 E 2
T725 C 7
DECK
M
+ MOTOR
GND
+1
LEFT
MOTOR
ELECTROLYTIC CAPACITOR
MYLAR CAPACITOR
PLATE CERAMIC CAPACITOR
ALL TUBULAR CERAMIC CAPACITORS UNLESS OTHERWISE STATED.
ALL CARBON RESISTORS E12 SERIES
G = 50V
f = 25V
0.33W 5% UNLESS OTHERWISE STATED.
o
123456 987101112131415 181716
PLAY RECORD
1707
RECORD
PLAY ---V
5V
5V1
0V
0V
1V5
1V7
2V6
4V2
1V5
0V
0V
2V6
0V
REC INFO
(REC=L)
OPT
OPT
OPT
OPT = OPTIONAL / Used for some Versions
d = 10V
E = 16V
OPT
1725
FE
1
2
3
4
5
6
2728
4n7
2729
4n7
2738
10n
2739
10n
2751
5n6
2750
5n6
2714
1n5
2715
10n
2716
100n
2719
5n6
2721
1n5
2722
10n
2723
100n
2726
5n6
2727
1n5
2732
3n3
2733
10n
2730
1n2
2712
1n5
2734
220p
2735
100p
74
1
2
3
2710
od
100u
2703
22u
oG
2704
22u
oG
2706
of
47u
2707
od
220u
2708
of
47u
2709
of
47u
2711
22u
oG
2799
oE
470u
2760
of
47u
T708
T707
T710
T722
T725
T712
T709
T706
T711
T723
T724
T718
T717
T701
T721
T702
T705
T719
T716
9758
9753
9754
8704
8704
8705
8705
10k
3734
73
1
2
71
1
2
3762
5k6
3761
5k6
3747
150R
3701
100R
3703
150R
3704
220
3706
330k
3707
470k
3710
27k
3712
12k
3713
150R
3714
220
3716
330k
3719
27k
3720
12k
3722
22k
3723
22k
3726
2k2
3727
2k2
3730
150R
3731
56K
3732
10R
3733
4M7
3743
470R
3744
470R
3748
470R
3749
470R
5701
b
a
d
c
8702 4
8702 3
8702 2
8702 1
1702
1
2
3
4
6704
1N4148
7705
12
8
9
11
5
10
13
14
AN7323
NF2
IN2
RF
Vcc
REF1
ALC2
REF2
OP2
7705
3
2
1
7
6
4
AN7323
NF1
IN1
GND
ALC-TC
ALC1
OP1
---V
3V4
V78
0V3
1710
DECK
1707
R
14
P
13
15
1707
R
17
P
16
18
1707 R
5
P
4
6
1707 R
2
P
1
3
1707
R
8
P
7
9
12
10
11
1707
R
P
7702
BC337-25
1709
1
2
3
4
5
6
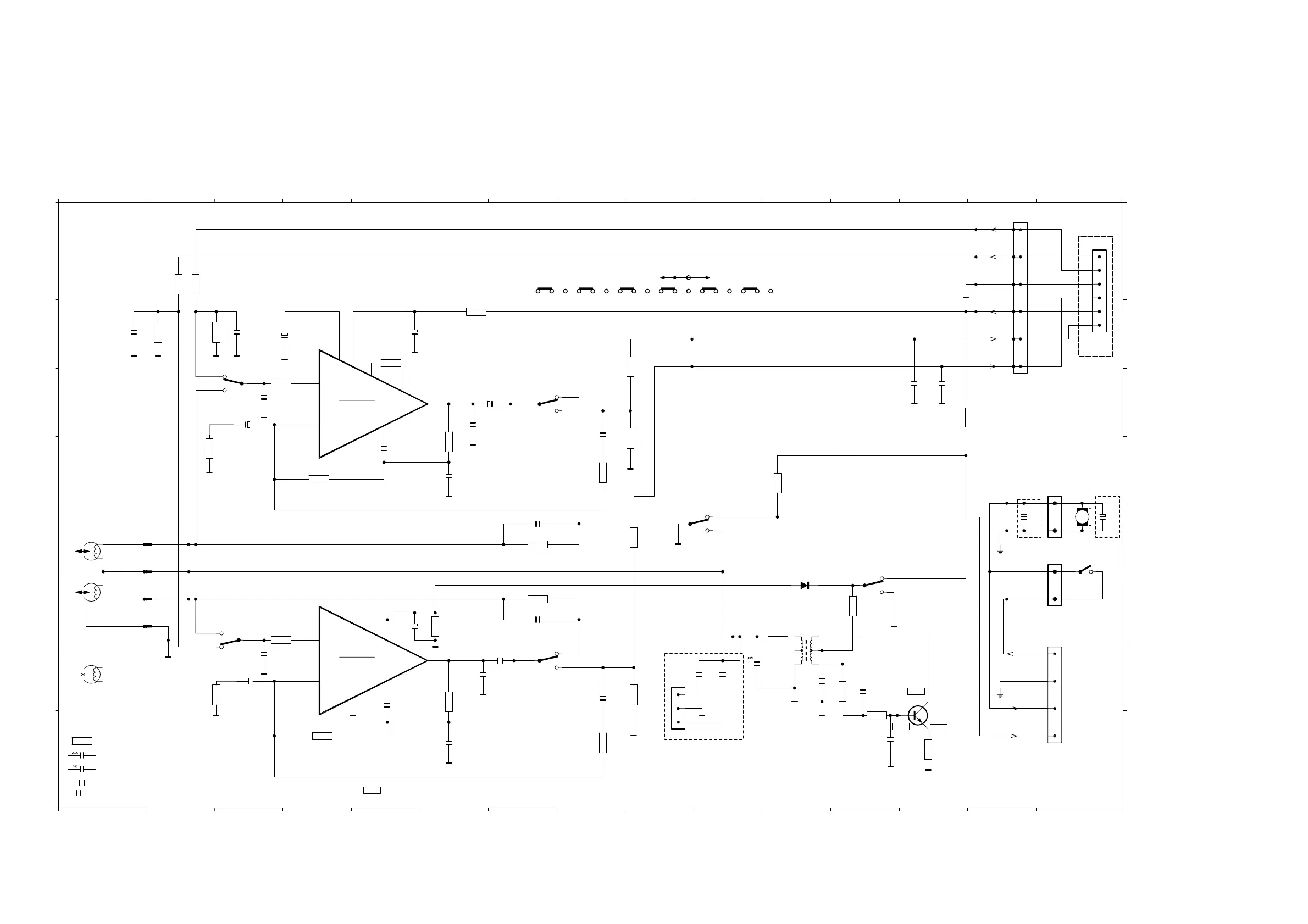
MTF BOARD - CIRCUIT DIAGRAM

Related product manuals