EasyManua.ls Logo

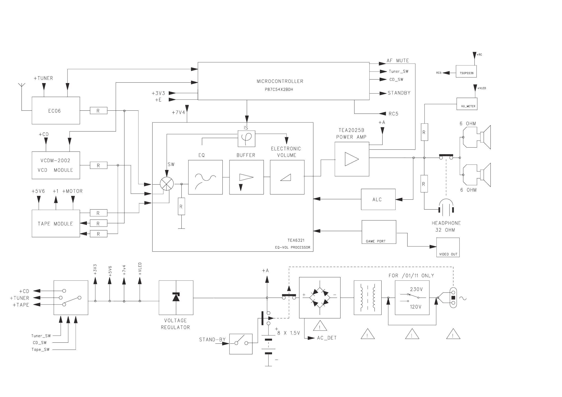
Philips AZ 2536 - Block Diagram

Philips AZ 2536
24 pages
Print Icon
To Next Page IconTo Next Page
To Next Page IconTo Next Page
To Previous Page IconTo Previous Page
To Previous Page IconTo Previous Page
Loading...
5 - 1
5 - 1
BLOCK DIAGRAM

Related product manuals