EasyManua.ls Logo

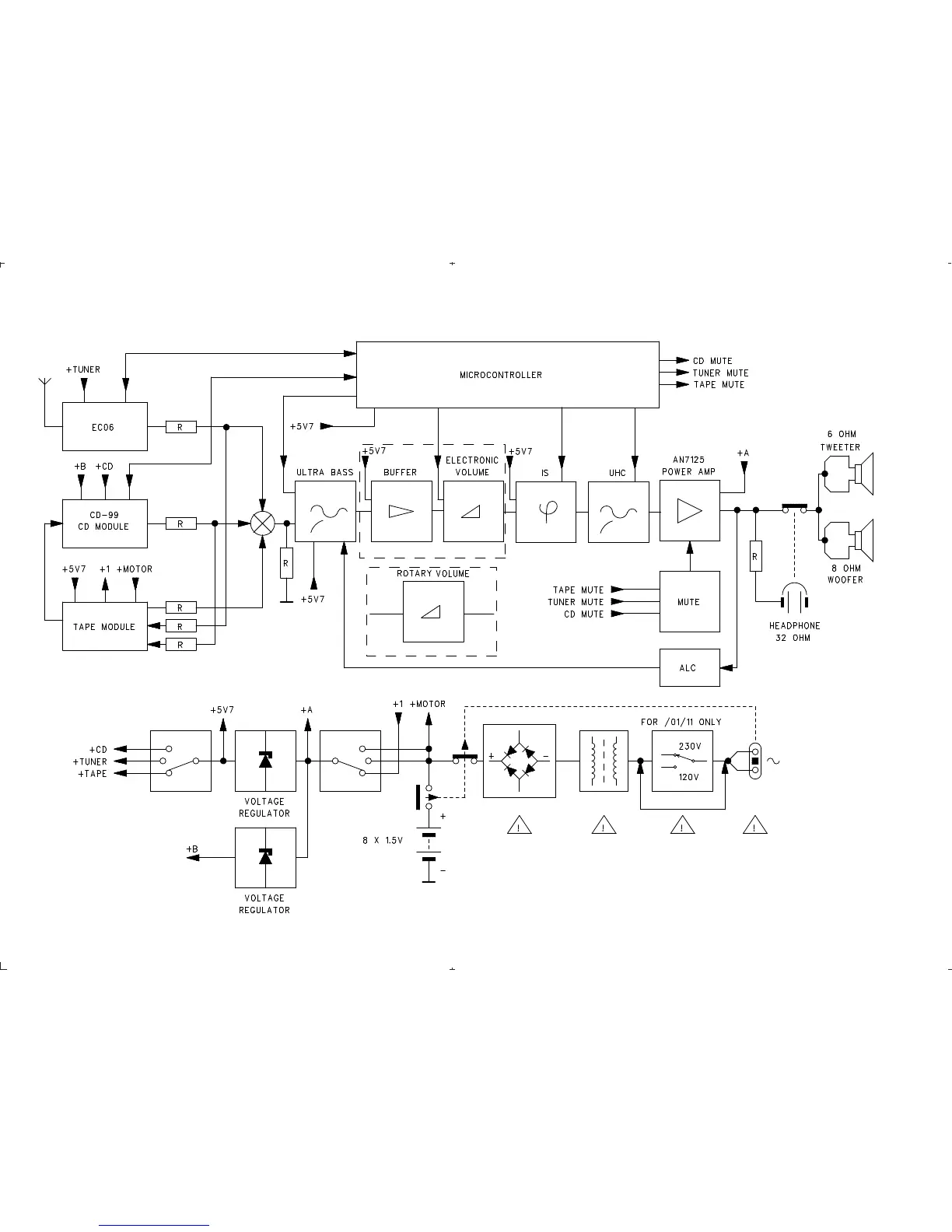
Philips AZ2030 - Block Diagram; System Overview Diagram; Signal Flow and Power Distribution

Philips AZ2030
34 pages
Print Icon
To Next Page IconTo Next Page
To Next Page IconTo Next Page
To Previous Page IconTo Previous Page
To Previous Page IconTo Previous Page
Loading...

Other manuals for Philips AZ2030

Related product manuals