EasyManua.ls Logo

Philips BTM2360/ALL - Page 10

Philips BTM2360/ALL
25 pages
Print Icon
To Next Page IconTo Next Page
To Next Page IconTo Next Page
To Previous Page IconTo Previous Page
To Previous Page IconTo Previous Page
Loading...
5
5
4
4
3
3
2
2
1
1
D D
C C
B B
A A
TUNER_XI
TU_ROUT
FM_R
TUNER_XI
A_MUTE
TU_LOUT
TUNER_SCLK
TUNER_XO
A+9V
TU_LOUT
TUNER_XO
FMI
TU_RST
I2C_SCL
I2C_SDA
TU_ROUT
FM_L
TUNER_SDIO
TUNER_SEN
TU_RST
I2C_SCL
I2C_SDA
GND
A_MUTE
AUXIN_DET
OUT_R
OUT_L
-P9V
CD_L
CD_R
I2C_SDA
I2C_SCL
A+9V
A-9V
VCC
LINE_R
LINE_L
+P9V
VCC
CD_R
LINE_R
FM_R
CD_L
LINE_L
FM_L
A-9V
A-9V
A+9V
+P9V
OUT_L
OUT_R
+9V
FMI
TU_3V3
AUX_DET
A-9V
A-9V
A+9V A+9V
AUXIN_DET
AUX_DET
-P9V
+9V
+9V VCC
TU_3V3
-P9V+P9V
I2C_SCL (1)
I2C_SDA (1)
TU_RST (1)
AUXIN_DET (1)
A_MUTE (3)
OUT_R (3)
OUT_L (3)
+P9V (3,4)
-P9V (1,3,4)
VCC (1,4)
CD_L (1)
CD_R (1)
GND (1,3,4)
+9V (4)
AUX_DET (1)
OFF-PAGE
TUNER Audio OP
MUTE_CIRCUIT
POWER CONNECTION
CTRL CONNECTION
AUDIO CONNECTION
DATA CONNECTION
C660.1uF C660.1uF
R79 1KR79 1K
C54
22pF
C54
22pF
R107
10
R107
10
R184 NCR184 NC
C109 NCC109 NC
R61 10RR61 10R
R106
10
R106
10
R75 100R75 100
R111
100K
R111
100K
R110
47K
R110
47K
R62
10K
R62
10K
C59
470pF
C59
470pF
C84
220PF
C84
220PF
U6
SI4702
U6
SI4702
NC
1
FMI
2
FRGND
3
AMI
4
RST
5
SEN
6
SCLK
7
SDIO
8
RCLK
9
VIO
10
VDD
11
GND
12
ROUT
13
LOUT
14
NC
15
NC
16
P3
17
P2
18
P1
19
NC
20
C96
0.33uF
C96
0.33uF
C52 100pFC52 100pF
FB5 1000RFB5 1000R
Q8
BAT54C
Q8
BAT54C
1
3
2
+
EC27
100uF/16v
+
EC27
100uF/16v
C93
0.15uF
C93
0.15uF
C75 4.7UFC75 4.7UF
C80
0.1UF
C80
0.1UF
R138 NCR138 NC
U7
PT2314E
U7
PT2314E
VDD
1
AGND
2
TREB_L
3
TREB_R
4
RIN
5
ROUT
6
ROUD_R
7
RIN4
8
RIN3
9
RIN2
10
RIN1
11
LOUD_L
12
LIN4
13
LIN3
14
LIN2
15
LIN1
16
LIN
17
LOUT
18
BIN_L
19
BOUT_R
20
BIN_R
21
BOUT_L
22
OUT_R
23
OUT_L
24
DGND
25
DATA
26
CLK
27
REF
28
+
-
U5B
NJM4558
+
-
U5B
NJM4558
5
6
7
8 4
C70
1000pF
C70
1000pF
Q5
3906
Q5
3906
1
23
C100 4.7UFC100 4.7UF
C76 4.7UFC76 4.7UF
TP32TP32
R80
100K
R80
100K
R64 1KR64 1K
R77
10K
R77
10K
+
-
U5A
NJM4558
+
-
U5A
NJM4558
3
2
1
8 4
+
-
U21B
NC
+
-
U21B
NC
5
6
7
8 4
+
EC21
100uF/16V
+
EC21
100uF/16V
ZD4
5.1V/1%
ZD4
5.1V/1%
C73 4.7UFC73 4.7UF
C103
0.1uF
C103
0.1uF
C102
470PF
C102
470PF
C139
47PF
C139
47PF
C53
22pF
C53
22pF
TP43TP43
+
EC232.2uF/50V
+
EC232.2uF/50V
R93
100K
R93
100K
R102 100R102 100
Y3
32.768KHZ
Y3
32.768KHZ
R82 11KR82 11K
C63 100pFC63 100pF
C174
NC
C174
NC
R112
100K
R112
100K
C81
0.33uF
C81
0.33uF
R109
47K
R109
47K
TP48TP48
C82
272PF
C82
272PF
R86 10KR86 10K
R101
200K
R101
200K
R94
27K
R94
27K
R108 470RR108 470R
R59 20KR59 20K
R88 75RR88 75R
C111 NCC111 NC
C68 4.7UFC68 4.7UF
TP33TP33
C55 4.7UFC55 4.7UF
R76 100R76 100
R89 11KR89 11K
C58
0.1uF
C58
0.1uF
C91 4.7UFC91 4.7UF
C168
47PF
C168
47PF
Q4
S8050
Q4
S8050
3
1
2
FB4 1000RFB4 1000R
R85
100R
R85
100R
C67
0.01uF
C67
0.01uF
C173
NC
C173
NC
JR3 0RJR3 0R
+
-
U8A
NC
+
-
U8A
NC
3
2
1
8 4
C69 4.7UFC69 4.7UF
C101
470PF
C101
470PF
R83 3.9KR83 3.9K
C57
1000pF
C57
1000pF
R70
10K
R70
10K
C95
0.15uF
C95
0.15uF
FB1 80RHFB1 80RH
C74 4.7UFC74 4.7UF
C83
272PF
C83
272PF
FB2 270nHFB2 270nH
R91
27K
R91
27K
R98
100K
R98
100K
R71
10K
R71
10K
R216 NCR216 NC
R72
220R
R72
220R
R145
NC
R145
NC
C92
0.22uF
C92
0.22uF
D4
BAV99
D4
BAV99
1
3
2
+
EC242.2uF/50V
+
EC242.2uF/50V
R67 100RR67 100R
C94
0.22uF
C94
0.22uF
C104
0.1uF
C104
0.1uF
R95
100K
R95
100K
C78
0.1uF
C78
0.1uF
+
EC25
22uF/16v
+
EC25
22uF/16v
C182 100pFC182 100pF
C61
1uF
C61
1uF
R65
100K
R65
100K
R105 470RR105 470R
C60
100pF
C60
100pF
C56 4.7UFC56 4.7UF
C79
0.1UF
C79
0.1UF
R90 3.9KR90 3.9K
C62
1uF
C62
1uF
CON5
3PIN/2.0mm
CON5
3PIN/2.0mm
1
2
3
R66
100k
R66
100k
C65
10uF
C65
10uF
C98
100PF
C98
100PF
+
EC20
47uF/10V
+
EC20
47uF/10V
R104
5.6K
R104
5.6K
R63
5.1K
R63
5.1K
R84 4.7KR84 4.7K
C160 NCC160 NC
+
EC32
NC
+
EC32
NC
D6
NC
D6
NC
1
3
2
R115 NCR115 NC
FB3
80R/100MHz
FB3
80R/100MHz
R100 100R100 100
Q6
3906
Q6
3906
1
2 3
FB6 1000RFB6 1000R
R124 NCR124 NC
R81
100k
R81
100k
C72
470pF
C72
470pF
C89
470PF
C89
470PF
+
CE1
100uF/10V
+
CE1
100uF/10V
C86
470PF
C86
470PF
R87 10KR87 10K
+
EC22
220uF/16V
+
EC22
220uF/16V
C110 NCC110 NC
R73 20KR73 20K
R9 10RR9 10R
FB16 3*9FB16 3*9
C97
100PF
C97
100PF
R74100R R74100R
C88
NC
C88
NC
R78
5.1K
R78
5.1K
C87
220PF
C87
220PF
C64
0.1uF
C64
0.1uF
R92
100K
R92
100K
R99 4.7KR99 4.7K
C85
NC
C85
NC
C99 4.7UFC99 4.7UF
R60 100RR60 100R
R69
10K
R69
10K
ZD5
9.1V
ZD5
9.1V
R96 1KR96 1K
ZD3
3.9V
ZD3
3.9V
+
EC26
220uF/16v
+
EC26
220uF/16v
R103
5.6K
R103
5.6K
C77 4.7UFC77 4.7UF
R68
10K
R68
10K
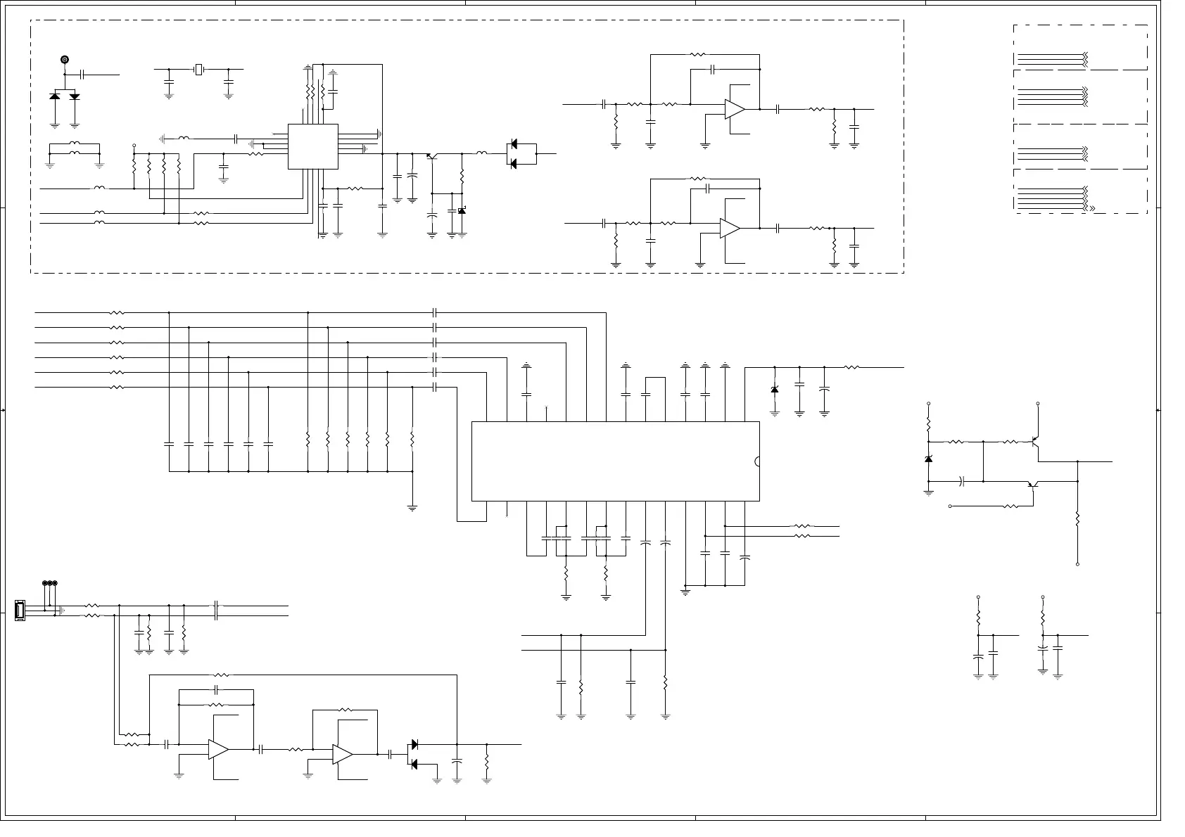
Main Board Circuit Diagram