EasyManua.ls Logo

Philips BTM2360/ALL - Page 12

Philips BTM2360/ALL
25 pages
Print Icon
To Next Page IconTo Next Page
To Next Page IconTo Next Page
To Previous Page IconTo Previous Page
To Previous Page IconTo Previous Page
Loading...
5
5
4
4
3
3
2
2
1
1
D D
C C
B B
A A
M33V
AMP_GND
-P9V
GND
+P9V
VCC
STBY_CTRL
M33V
AMP_VCC
AMP_VCC
STBY_CTRL
-P9V
+P9V
+9V
+9V
STBY_CTRL
AMP_VCC
5V
USB_CTRL
USB_5V
USB_CTRL
USB_5V
VCC
STBY_CTRL
BT_GND
+P9V
BT_CTRL
AMP_GND
VCC_BTBT_VCC
BT_CTRL
VCC_BT
BT_GND
5V
5V
0
0 0
GND (1,2,3)
AMP_GND (3)
STBY_CTRL (1)
AMP_VCC (3)
M33V (1,3)
VCC (1,2)
-P9V (1,2,3)
+P9V (2,3)
+9V (2)
USB_CTRL (1)
USB_5V (1)
BT_CTRL (1)
BT_GND
VCC_BT
* CAUTION :
ON
PLEASE USE THE PARTS HAVING THE DESIGNATED PARTS NUMBER WITHOUT FAIL.
1
0
THE PARTS MARKED WITH ARE IMPORTANT PARTS ON THE SAFETY.
OFF
OFF PAGE
POWER CONNECTION
Vo=1.23*(1+R193/R191)
NC/3P/3.96
NL
Default Power ON
Default Power ON
ON
0
1
OFF
(1+R1/R2)*2.495=V
20.2V
5.6V
-5.6V
DB-8
OP2
MMD60R360P
OP2
MMD60R360P
1
2 3
R327
1K
R327
1K
R332
100K
R332
100K
+
EC29
470uF/35V
+
EC29
470uF/35V
R159
0.22R/1W
R159
0.22R/1W
R175 510R/1%R175 510R/1%
R328
100K
R328
100K
R326
100K
R326
100K
R149
47K
R149
47K
IC5
431
IC5
431
1 2
3
CON6CON6
1
1
2
2
+
EC34
220uF/16V
+
EC34
220uF/16V
R190
1.5M
R190
1.5M
!!
R330 NC/0RR330 NC/0R
C158
2A473J
C158
2A473J
Q304
RCR1525SI
Q304
RCR1525SI
1
32
R198 220RR198 220R
C154
0.1uF
C154
0.1uF
R182
0R
R182
0R
D10 FR107D10 FR107
R336
100K
R336
100K
!!
C145
630V/103PF
C145
630V/103PF
!!
T1
ER35
T1
ER35
1
2
3 6
8
5
7
9
11
10
4
R165
100R/1W
R165
100R/1W
M3
M3.2-6.1
M3
M3.2-6.1
1
C144
1KV/102P
C144
1KV/102P
D11
12V
D11
12V
+
EC33
150uF/400V
+
EC33
150uF/400V
!!
Q19
2N3904
Q19
2N3904
R168
NC
R168
NC
+
EC39
100UF/10V
+
EC39
100UF/10V
+
EC54
100UF/16V
+
EC54
100UF/16V
D18 HER103D18 HER103
D13
1N4007
D13
1N4007
+
EC45
220uF/16V
+
EC45
220uF/16V
M4
M3.2-6.1
M4
M3.2-6.1
1
C147
1KV/150pF
C147
1KV/150pF
R202
330K
R202
330K
ZD7
NC/22V
ZD7
NC/22V
+
EC44
2200uF/35V
+
EC44
2200uF/35V
R203 220RR203 220R
FB10 0RFB10 0R
C142
0.1uF
C142
0.1uF
U14
ADS9129ADJ
U14
ADS9129ADJ
OUTPUT
2
VIN
1
ON/OFF
4
GND
5
GND
6
FEEDBACK
3
GND
7
GND
8
C181
0.1uF
C181
0.1uF
R169 3KR169 3K
Q15
8050
Q15
8050
2
1 3
+
EC40
47uF/50V
+
EC40
47uF/50V
R333
1K
R333
1K
CX1 275V/0.1uFCX1 275V/0.1uF
D22 NCD22 NC
C164
0.1uF
C164
0.1uF
IC3
OB5269
IC3
OB5269
GND
4
FB
2
NC
7
CS
3
RT
1
GATE
5
VDD
6
HV
8
R170 10KR170 10K
RT1
5D-9
RT1
5D-9
1 2
+
EC41
1000uF/10V
+
EC41
1000uF/10V
C313
0.1UF
C313
0.1UF
R151 NC/2KR151 NC/2K
C157
0.1uF
C157
0.1uF
C161 0.1uFC161 0.1uF
R161
10K
R161
10K
R200 220RR200 220R
C141
1KV/102P
C141
1KV/102P
!!
Q17
8550
Q17
8550
2
13
CY5 250V/470PFCY5 250V/470PF
R201
330K
R201
330K
CY1 NCCY1 NC
F1
T2.5AL250V
F1
T2.5AL250V
1
1
2
2
R199 220RR199 220R
!!
L36
10uH/7A
L36
10uH/7A
C146
0.1uF
C146
0.1uF
R146
22R/1206
R146
22R/1206
L34
10uH
L34
10uH
R204 10R/1206R204 10R/1206
C155
1KV/102P
C155
1KV/102P
Q305
RCR1525SI
Q305
RCR1525SI
1
32
R152
NC/100K
R152
NC/100K
D25 HER103D25 HER103
Q302
RCR1525SI
Q302
RCR1525SI
1
32
R331 2KR331 2K
C156
0.1uF
C156
0.1uF
!!
ZD8
NC/15V
ZD8
NC/15V
Q14
NC/2N3904
Q14
NC/2N3904
1
2 3
R222 NC/0RR222 NC/0R
D23 UF5404D23 UF5404
R186
200K
R186
200K
R167
100K
R167
100K
J2J2
1
1
2
2
R157 1KR157 1K
R191
1.2K 1%
R191
1.2K 1%
CY2 250V/470PFCY2 250V/470PF C149
0R
C149
0R
R171
10K
R171
10K
R150
100K
R150
100K
R33
10K
R33
10K
CX2 275V/0.1uFCX2 275V/0.1uF
C153
0.1uF
C153
0.1uF
R160
100K/1%
R160
100K/1%
+
EC38
220UF/16V
+
EC38
220UF/16V
LF2
T16*9*5C
LF2
T16*9*5C
31
2 4
M2
M3.2-6.1
M2
M3.2-6.1
1
D14
FR207
D14
FR207
1 2
R337
1K
R337
1K
R187
1.5M
R187
1.5M
R162 6.8RR162 6.8R
C143
0.1uF
C143
0.1uF
L43
47uH/1.6A
L43
47uH/1.6A
R335 4.7KR335 4.7K
R194 NC/10KR194 NC/10K
R173
20K1%/NC
R173
20K1%/NC
C148
0.1UF
C148
0.1UF
Q18
MPSA92
Q18
MPSA92
R156
10K
R156
10K
R144
22K/10K/1%
R144
22K/10K/1%
LF1
UM-007/UF16-45
LF1
UM-007/UF16-45
3 1
24
Q301
2N3904
Q301
2N3904
+
EC309
47uF/16V
+
EC309
47uF/16V
R143 10R/1206R143 10R/1206
R154 47RR154 47R
VR1
HEL14D471K
VR1
HEL14D471K
1 2
!!
R155
200K
R155
200K
C314
0.1uF
C314
0.1uF
C159 2A104JC159 2A104J
M1
M3.2-6.1
M1
M3.2-6.1
1
D19 1N4148D19 1N4148
D21 UF5404D21 UF5404
U12
GBU4J
U12
GBU4J
1
2
3
4
R164
22R/1206
R164
22R/1206
R188
1.5M
R188
1.5M
R334
100K
R334
100K
+
EC35
100uF/16V
+
EC35
100uF/16V
D20
1N4007
D20
1N4007
R147
200K
R147
200K
!!
R163
1K
R163
1K
+
EC37
100uF/16V
+
EC37
100uF/16V
Q305
2N3904
Q305
2N3904
R193 3.9K/1%R193 3.9K/1%
!!
IC7
ADS5210-3.3
IC7
ADS5210-3.3
GND
1
OUT
2
VIN
3
Q303
2N3904
Q303
2N3904
R338 10KR338 10K
R172 75K/1%R172 75K/1%
R158
200K
R158
200K
D24 UF5404D24 UF5404
R153
330K
R153
330K
CY3 250V/470PFCY3 250V/470PF
C180 103PFC180 103PF
CY4 NCCY4 NC
R189
1.5M
R189
1.5M
R329 4.7KR329 4.7K
C150
220P
C150
220P
FB8 #3*9FB8 #3*9
+
EC36
+
EC36
150uF/400V
FB11 0RFB11 0R
+
EC42
22uF/50V
+
EC42
22uF/50V
C191
1KV/102P
C191
1KV/102P
C164
0.1uF
C164
0.1uF
PC1 EL817PC1 EL817
2
4
3
1
R166 2KR166 2K
D12
SS24
D12
SS24
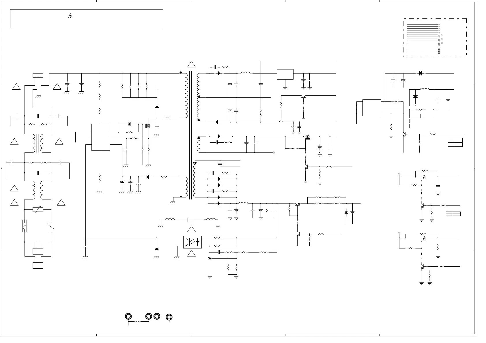
Main Board Circuit Diagram

Related product manuals