EasyManua.ls Logo

Philips CD950 - Page 25

Philips CD950
53 pages
Print Icon
To Next Page IconTo Next Page
To Next Page IconTo Next Page
To Previous Page IconTo Previous Page
To Previous Page IconTo Previous Page
Loading...
27
28
DRIVERS
KILL
$
10
Pf
1
1
4
15
1
17
18
1
0
2
18
cl
i
bis
268
8
84s
ae
ae
Bt
Sra
ee
er
eee
ae
eee
ee
eS
ES
H
|
4
i
Ht
=
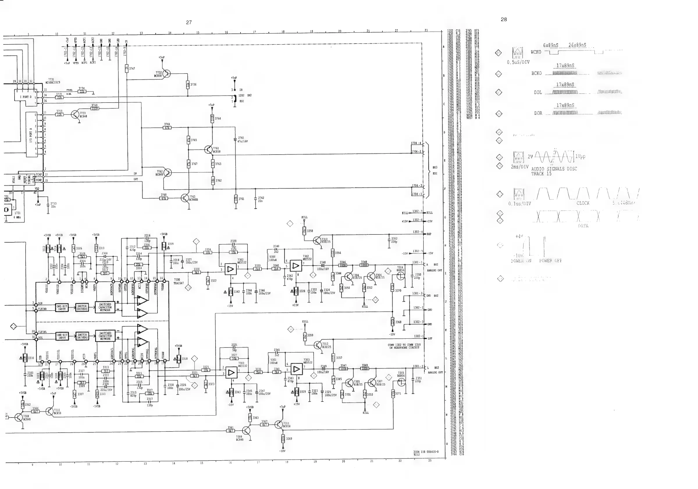
6x89n$___26x89nS
=
+4
=
=
4
tj
=
=
/\.
ee
SRP
AE
Pate
7
_
LAL
EL
ee
EL
a
%
|
fe]
we
Ls
+5uP
VETD
ACF]
ACE2
A
i
i
ca
i
:
ene
|
,
5uS
3747
|
1702
¢
7304.
1
Bey
!
1
Het
17x89nS
29
|
30]
31]
32
2731
+5uP
I
ai
BL
v)
oy
BCKO
___SINMIUUINIUAIL
ATMA
4304311324
wc6BHCOSCS
1
|
Hos
kd
THO
WB
Litt
|;
mn
qe
l
Ba
a
17x89nS
O
3
IR
j
FLA
salad
j
192
All
«7313
-K
1202
sK2
i
if
a
Bis
is
7
DOL
__OOOOOONOO0OO0O0,
aon
:
1
MR
TH
Bi
OS
i
|
ee
|
C
1704
E
7751
£5
17x
|
|
A
ie
Ste
—_
(]
i
=
|
\
am)
|
VULVUUUOUDED
Bf
|
a
ne
Hd
<
Ck)
4
:
[4
2761
>
th
g
oy
Fy
3765
T
A7u/16v
230
i
>
1704
-4
9
Ll
Hi
704-2
|
tt
iz
:
i
Se
nay
x
Aon
©
oS
AAAdm
i
|
os
|
2B
#
&
ams/DIV
"
j
ue
il
AUDIO
SIGNALS
DISC
;
fb
Be
TRACK
15
Hn
af
LAR
SY!
431
in
|
{
\
/
\
|
fe
oe
He
©
SVAN
A
H
ou
=
a
\
Zi
i
I
i
i
0,
lus/DIV
CLOCK
5,
448Mu?
oa
43.
Ml
~
pc
eh
in
tgs
:
7
HE
g
yoyo
yoy,
~
Y
[
\
;
f
<>
+15V
Hy
Ht
&>
-
of
gia
-
/
/
+5VSB
-+5VSB
-SVSB
-5VSB
2316
-5VSB
a
20
RHP
:
i
~:
Hi
2733
Fid
$47
As
!
CK
)iibes
2ibp
git
Ed
\
ahlasks
A
Ha
site
Fa
3310
2340
]
u
979%
FN
gy
|
3308
2308
n2
C5356
sane
Hi
i
v
|
Cis}
Tale
5300 7302
=
-15V
-15V
i
ti
10)
|
wlelel«
2306
100ux
6
E5532
|
3)
18
“UN
Goa
a
3
gis
hn
Af
aa
shen
1
2348
Fite,
Aue
1301-1b
agp
3
i
POWER
ON
POWER
OFE
ole
]
aK
ako
100u/16v
&
ale,
l
wasos
om
|
382
He
2
2342
[8
S
43
77;
(VY
.
a
2350
|
I
Mil
2
6
1
if
|
1
$4
.
Jl
2300
a2
4
1™
t
4
K
)iibhes
EK
)aibhes
UG
220p
|
nt
<>
§
ELE
3
j
10
#12
4
2
8
[J
LY
[ad
'
11
M12
ed
2322
F4
3350
Es}
3352
|
12.
112
Rie
affoc
dae
des,
ape
te
am,
Bo
Ha
|
ae
>
|
I]
6
a
SWITCH
ain
a
4
-15V
+15V
A
&
ale
tt
NETHORK
°
i
>
:
3
é
SWITCHED
CAPACITOR
HEH
ROG
HEHE
Qe
eer
fey
teh pal
et
ete
at
att
[0k
}
5
pe
a
>
pa
ih
BORSSSSShS5:
RO
DO
OO
HOO
HOSS
OD
I
NOW
100n
:
=
1
Yo
gee
Y
t
2309
2318
©
2326
oy
Fy
3323
I
7
é
220u/16V
]
aia
7"
.
i
q33n1
ANF
3343
2345
2347
AES)
3329
2323
&
9395
NL
=
i
ibaa
:
img
|
Se
ay
“3
"9
E59
3362
H
sy sv
3
-15v
+5V
¥
CP)
1310
oe
.
+5VSB
+5uP
aH
CK
)
aise
333
rf
F
st
cl
BI
iain)
ee
=
°
2321
CONN
1302
TO
CONN
1310
E
ain
ON
HEADPHONE
CIRCUIT
3327
n2
O-O-—-O—_O-O
y
(ith
J
5301
L
P29)
3
3
100uH
3325,
249
rj
3331
3341
B
R
L
BU2
ANALOG
OUT
J
4
220p
M
N
0
-10V
3104
118
00641S-D
9212
felalulnlalalietd
isle)
1
3
10
lh
12
13
M4
15
16
7
18
19
20
21
22
23

Related product manuals