EasyManua.ls Logo

Philips CD950 - Page 26

Philips CD950
53 pages
Print Icon
To Next Page IconTo Next Page
To Next Page IconTo Next Page
To Previous Page IconTo Previous Page
To Previous Page IconTo Previous Page
Loading...
26
:
27
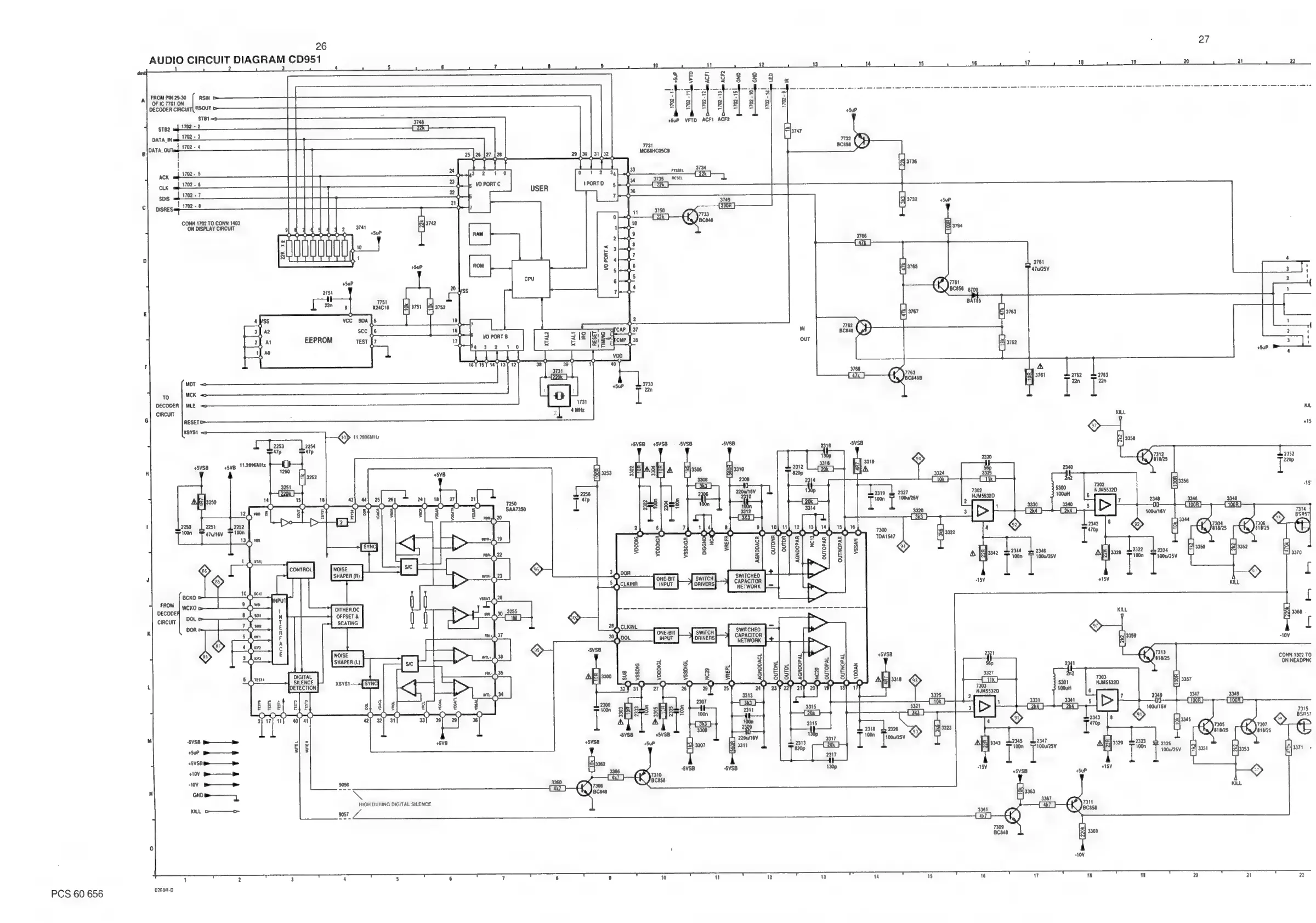
AUDIO
CIRCUIT
DIAGRAM
CD951
1
2
A
FROM
PIN
29-30
RSIN
©
OF
IC
7701
ON
DECODER
CIRCUIT|
RSOUT
&
sT81<
grag
mp
102-2
DATA_IN
mp
1202-3
5
[OATA.ouT
1702-4
ACK
mp
1202-5
cox
ap
tor
soig
wp
1702-7
|
1702-8
o
VO
PORTA
sad
eae.
Seesere
C!
pISRES
CONN
1702
TO
CONN
1403
ON
DISPLAY
CIRCUIT
ls
4d
9
2
7H
OOOO)
0
sHOUNCOU
D
'
T
'
'
+5uP
re.
2751
b
7751
..]
[
2n
E
8
X24C16
r)
e
O
ia
fs|9763
4
vec
Js
'
&
w
aaa
EEE
02
Ae
ei
|
2]
EEPROM
test
|7
17
fs]
s762
3
'
I
|
‘avers
s
wee
.
eeEn'
F
Ter
51
14]
13]
12
"
yi
K
x}
3761
2762
2763
(220k)
g
Zn
2n
MOT
<
+5uP
2733
22n
be
ae
1731
DECODER
|
MLE
<
ae
os
CIRCUIT
,
2
KILL
G
RESET
O
‘ag
xsyS1
<1
Cop
11,2696mN2
5]
ns
L
[
2253
|
2254
+5VSB+SVSB
=
-SVSB
F
z
5
me
()
7312
2352
[}
he
818/25
220p
ssvsB45vB_
11-2096MHz
sig
H
AS
5300
100uH
ae
"
Bj
3340
5
00
i
(2k)
100W/16V
O
8
[3344
I
2250
|
2251
2252
ne
2,
E
1000
PF
a7uiev
T100n
I
13d,
2344
hp
2346
Ak
gaze
2322
hy
2324
100n
‘TP
100w25V
a
co
AGNDOPAR
SHAPER
(R)
+15V
prnenoc)
lc
(atest
ef
Pe
eee
cai
Tsou]
OFFSET
&
CIRCUIT
ae?
ee
Tl
DOR
0
—_
SWITCHED
K
son
|
sswercu!
>
[Fete]
o>
3
Es
nOGE
+SVSB
Ate
CONN
1302
TO
©
SHAPER
(L)
5
=A
ON
HEAOPH(
3327
7303
t
:
aks"
airs
aw
6
3325
asst
7
{10k
]
eee
Sara
Be!
aot
ain
(3K
aaa
[8
2318
dy
2326
te|323
I
M
5VSB
"000
Yroowasy
I
[|
2345
2347
0
2323
-5VSB
S=—_—_—__>
ANS
3343
Sefton
ibe
psv
fefoo2s
is
[=
ewe?
+5uP_
o=——_—_—_>
+5VS8
>_>
-SVSB
-SVSB
“18V
Saas
we
1
(*)
7310
858
100
S—_——_
9056
ra]
a
oe
N
GNO
>———_
PGS
.
bg
/Bc848
HIGH
DURING
DIGITAL
SILENCE
KL
o_o
9057
°
“10V
1
2 3
a
5
6
7
8
9
i0
rm
12 13
:
14 18 16
7
18 19
20
ry
2
PCS
60
656
mr

Related product manuals