EasyManua.ls Logo

Philips CDR785/00 - Block Diagrams; Component Board Diagrams

Philips CDR785/00
67 pages
Print Icon
To Next Page IconTo Next Page
To Next Page IconTo Next Page
To Previous Page IconTo Previous Page
To Previous Page IconTo Previous Page
Loading...
6-3 6-3
M
CDL 4009
LOADER ASSY
TRAY
TR+, TR-
SL+, SL-
SLEDGE
RAD
SLEDGE
FOCUS
TRAY
TRAYSW
RAD+, RAD-
FOC+, FOC-
SIN+, SIN-
COS+, COS-
TRAY
SWITCH
TURN
TABLE
VRA, VFO, VSL
TRAYIN, TRAYOUT
TRAYSWF
REFSIN, SINPHI, REFCOS, COSPHI
CDM3800
7240
7225
PCS PRE-AMP
NE532D
POWER
DRIVER
BA5938FM
HALL
MOTOR
DRIVER
BA6856FP
7330
FLASH
EPROM
7208
DEMUX
7209
DASP
MCF5244
M
M
FLEX 10P
FLEX 11P
LASER
&
FORWARD
SENSE
PHOTO
DIODES
RADIAL
FOCUS
1330
FLEX 30P
1000
1220
1200
7010
AEGER
TZA1020
ANALOG
ERROR SIGNAL
GENERATOR
FOR
RECORDABLE
A1LF, A2LF, B1LF, B2LF
C1LF - C4LF
LASER
CONTROL
7016
XDAC
M62364
CAHF
IR, IW, IE
EFMDATA, EFMCLK, LWRT
HF AMP
FILTER
I
2
C BUS
I
2
C
EEPROM
M24C08
7207
EFMTIM3
LO9805
7008
RAM
7802
CONTROL
LINES
CONTROL
LINES
CONTROL
LINES
CONTROL
LINES
CONTROL
LINES
CDR60
SAA7392
DECODER
ENCODER
MOTOR CONTROL
HIN WOBBLE
7300
DRIVE, HALL FEEDBACK
OFFTRACK
LLP
CDR60PLL
ATIPSYNC
A1, A2, CALF
ALPHA0
TLN, MIRN, FEN, REN, RE
CONTROL
LINES
EFM TIMING
GENERATOR
1704
2 WIRES
2 WIRES
FLASH
ROM
7703
DRAM
7702
DSA-CDR
DATA
BUS
ADDRESS
BUS
SUBCODE BUS
I
2
S BUS 1
DOBM-CDR
I
2
S BUS 2/4
L3 BUS
CODEC
UDA1341TS
ADC / DAC
7406
DIGITAL AUDIO
SIGNAL
PROCESSOR
MACE2
SAA7399
BASIC ENGINE
PROCESSOR
MAD0 - MAD7
MA8 - MA17
7270
7701
ADDRESS
BUS
DATA
BUS
A1 - A20 D16 - D31
I
2
C BUS
SYS-RESET
FLEX 7P
FRONT BOARD
1403
DIGITAL
POT
DS1807
7801
INTERFACE BOARD
EXTERNAL
DIGITAL IN
EXTERNAL
OPTICAL IN
DIGITAL OUT
EXTERNAL
ANALOG IN
ANALOG OUT
CD CHANGER
1420 1306
1702 1307
7 WIRES
5 WIRES
6 WIRES
POWER SUPPLY
UNIT
CON 2
1501
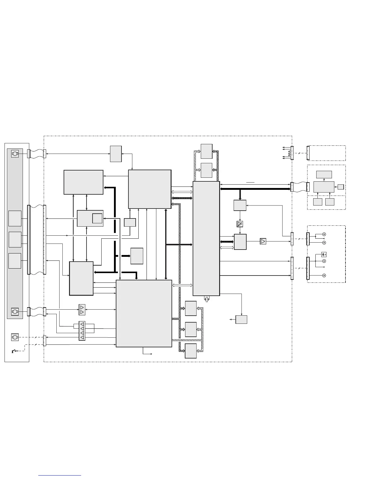
BLOCK DIAGRAM
CDR-MODULE
33.8688 MHz
1707
+5V
+5V
+12V
-8V
7405
7409
ANALOG
IN
ANALOG
OUT
EXT-DIG-IN
DIG-OUT-C
CDR MAIN BOARD
EXT-ANALOG-IN
/2
74F74D
SYS-CLK-16W (16.9344 Mhz)
SYS-CLK-BE
(8.4672 Mhz)
SYS-CLK-BE
(8.4672 Mhz)
7706A
SYS-CLK-11W
MICRO
CONTROLLER
TMP88CU77ZF
KEYS
RC5
EASY
JOG
DISPLAY
KEY BOARDS
7412
EBU CD CHANGER
CDR785, 210300

Table of Contents

Related product manuals