EasyManua.ls Logo

Philips DCC170/00 - Page 53

Philips DCC170/00
78 pages
Print Icon
To Next Page IconTo Next Page
To Next Page IconTo Next Page
To Previous Page IconTo Previous Page
To Previous Page IconTo Previous Page
Loading...
REG
+5.0V
REG
+5
0v
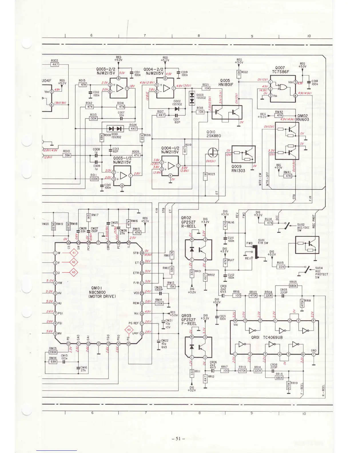
Q003-2/2
NJM2II5V
2.0v
I Q004
-2/2
ïffdl
NJM'g
=
core
-L
loon
Q
007
TC7586F
RUI5
R0r5
4.9Ve.8V)
3.8V
sl-
Q
005
HNIBOIF
4.8V8.6V)
QR
02
GP2527
R
-REEL
\
DIG
+32V
DIG
+32V
c0r8
l00n
7vI
4
'2.8n
4.9v
R0r0
12.8V)
3.8V
DIG
+3.0
RMIS
RM16
RMI5
2.5V
DIG
+3
2V
DIG
+3
2V
ï?JJt
FWD
RE
F
I
o-
()
lrJ
É
cM28
i22n
clt27
t50P
cM26
27n
\
(o
et
s
(o
s
DIG
+3
2V
su0l
F/R
SW
DIG
+3
2V
RUIT
t?8dr
cR0l
2v2
6V3
QR03
cP2527
F-REEL
DIG
+32V
cM22
lor
6V3
I
cR06
àlr"
RRIT
4
9V/4.9V)
OVrcV)
Q009
RN |
303
=
(J
I
(ts
F
=
\
e
\
r"j
Q
004
-t/2
NJM2II5V
0003-
r/2
NJM2II5V
àËHJ
ÍL9
W
STB
,4..
v
<42)
Er
\./
,4..
U
<.43) ETR
\./
HW F/R
QMO
I
Hv
NBC5800
vco
(MOTOR
DR
IVE
)
HU
REM
PG I
Vcc
FGI PG
REF
MV
REF
ooo
o
(L
tJ.t
trJ
u-
(L
È
J
lrJ
lrJ
(ts
I
G
QROI
TC4069UB
-
5l
-
RRI2

Table of Contents

Related product manuals