EasyManua.ls Logo

Philips DFR9000 - Page 41

Philips DFR9000
78 pages
Print Icon
To Next Page IconTo Next Page
To Next Page IconTo Next Page
To Previous Page IconTo Previous Page
To Previous Page IconTo Previous Page
Loading...
AUTO
V
R
DIR
DVSS
PDN
1
CCLK
CSN
DAUX
P-S
4
3
2
O
XTAL
RX
DIF <0:2>
OCKS <0:1>
I
I
CDT
CM <0:1>
MCK0
TX
LRCK
BICK
Φ
FS96
ERF
SDTO
2
1
DVDD
TVDD
AVDD
O
AVSS
E
F
A
B
C
D
E
F
1100 B3
2856 B4
2857 B4
2858 B4
2859 B5
2860 B5
1234
8123456
not used
not used
79
A
B
C
D
2864 B6
2865 C2
2866 D3
2867 D6
2868 E4
2869 E3
2871 E3
2876 D6
2877 E7
2884 D2
2885 D3
56789
3831 B7
3832 C4
3833 C4
3835 C6
3836 C4
3837 C6
3838 C3
not used
3841 C6
3842 D4
3843 D6
2861 B6
2862 B3
2863 B3
3855 E3
3856 C4
3857 D3
3870 D8
4820 C7
4821 C7
4822 E6
not used
not used
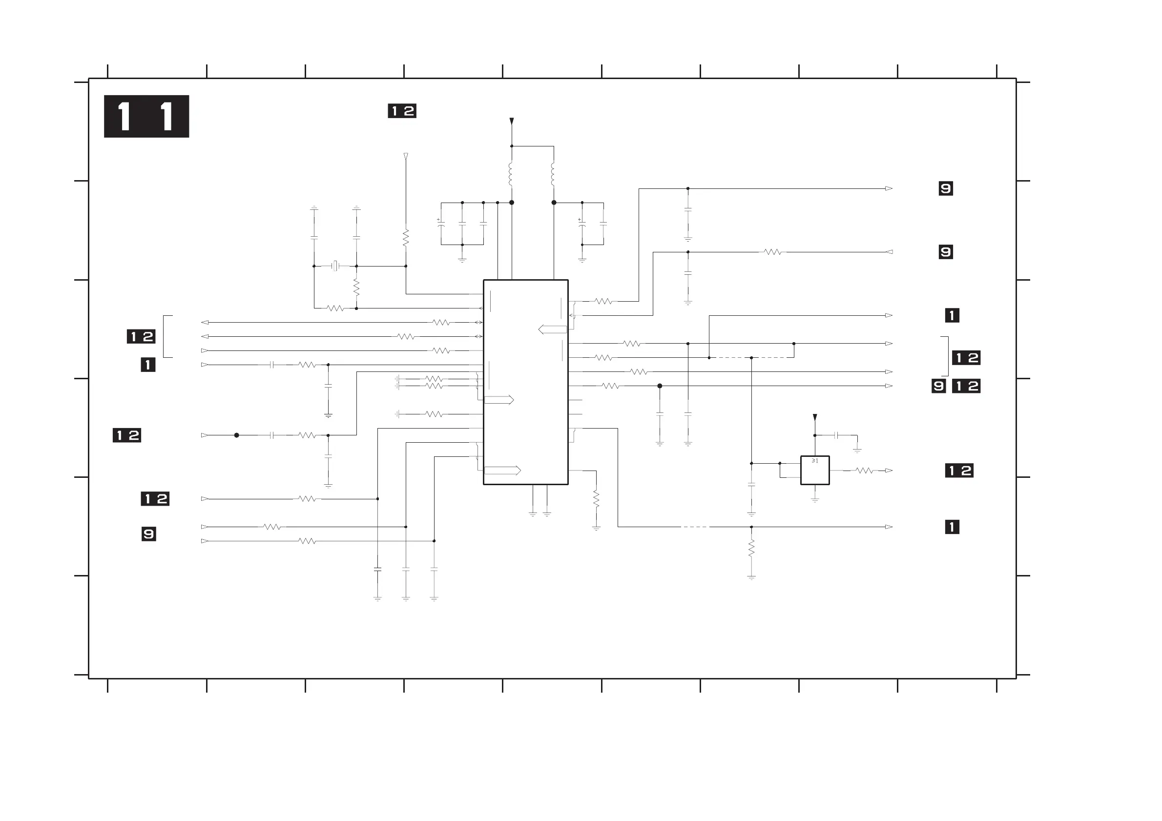
SPDIF Receiver
2886 D8
3824 B3
3827 C3
3829 C6
3830 C3
5851 A5
5852 A5
7853 B4
7854 D8
F854 D6
F855 D2
F856 B5
F857 B5
3848 E2
3849 E3
3850 D4
3851 E5
3854 E7
100n
2886
4820
18p
2864
10R
3855
3851
2885
470p
18K
100R
3857
18p
BLM18P
5851
2868
100R
3829
2869
18p
3836
100R
2876
10p
F855
470R
3843
3841
220R
F856
3850
100R
100R
3833
3849
220R
100n
2865
BLM18P
3837
100R
5852
2860
100n
100R
3835
47u
2859
16V
F854
2867
18p
4821
3831
100R
18p
2861
100R
100R
3854
F857
3824
25
26
16
7
8
11
20
3
4
5
6
12
13
14
1
2
18
17
19
24
23
15
9
10
21
28
27
22
7853
AK4112B
1M0
3827
100R
3830
100R3842
100n
2857
100n
2858
2884
100n
47u 16V
2856
4822
10p
2877
47p
2871
3856
220R
100R
3832
2862
18p
3848
100R
3870
47R
7854
1
2
35
4
74LVC1G32GW
2863
18p
24M576
1100
470p
2866
100R
3838
DSP_SPDIF_OUT
SPDIF_IN_RX
SPDIF_MCLK_01
ADC_LR
DSP_CLK
+3V3
SPDIF_PDN
SPDIF_CSN
SPDIF_CCLK
IIS_RC_CLK
IIS_RC_WS
SPDIF_CDTI
SPDIF_RX_TXV
+3V3
SPDIF_MCLK_02
SPDIF_MC_02
SPDIF_CDTO
SPDIF_ERF
IIS_IN_SPDIF
VPB
www.freeservicemanuals.info
13/10/2016
Published in Heiloo Holland

Other manuals for Philips DFR9000

Related product manuals