EasyManua.ls Logo

Philips DFR9000 - Page 56

Philips DFR9000
78 pages
Print Icon
To Next Page IconTo Next Page
To Next Page IconTo Next Page
To Previous Page IconTo Previous Page
To Previous Page IconTo Previous Page
Loading...
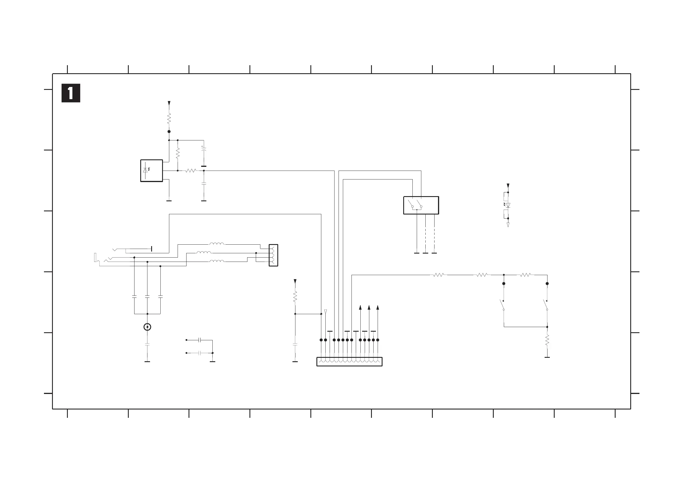
F544 E5
F545 E52437 E6
2438 E2
3521 A2
3523 B2
3524 B3 F552 E6
F553 A2
F547 E5
F548 E5
F550 E5
F551 E5
VOLUME
7401 B2
F530 D8
F531 D8
F540 E5
F541 E55432 C3
6402 B8
9
A
B
C
D
F542 E6
F543 E5
GND_ESD
GND_ESD
GND_ESD
ROTARY ENCODER
F546 E5
2435 D2
2436 E6
B
C
D
E
1412 D8 3525 D8
3526 D7
BACKLIGHT
3527 D7
3528 E8
3533 D4
4321 C6
4322 C6
5430 C3
5431 C3
78
E
A
BASS/TREB
SURROUND
1416 C1
1417 C4
1418 B6
2430 A3
2431 B3
2432 E4
2433 D2
2434 D2
RotaryVB
1413 D8
1414 E6
1
ROTARY ENCODER
IR RECEIVER
VOLUME
GND
6789
123456
45
KEY_1
RE_RC6
HP_R
HP_L
* for provision only
RotaryVA
from ASP BOARD
HEADPHONE
from Front CONTROL
23
1n0
2438
D
2n2
2431
EVQ21
1413
10K
3523
F542
F543
D
390R
3525
100R
3521
F552
1K0
3524
F548
F551
35V47u
2430
F530
D
F544
220R
3527
D
F546
3533
10K
D
GND_KEY1
F550
D
1n0
2436
5431
2u2
4
F553
D
04FE-ST-VK-N
1417
1
2
3
22n
2433
4322
7401
TSOP4836YA1
2
GND
1
OUT
3
VS
7
2
3
1
LGM1619-0271
1416
8
1412
EVQ21
D
F545
F540
D
2u2
5432
D
150R
3528
2435
F531
4321
2n2
SRGP
1418
A
1
B
2
C
345
2432
100p
D
2434
2n2
F547
14
2
3
4
5
6
7
8
9
14FNM-STK-A
1414
1
10
11
12
13
D
2u2
5430
F541
D
D
C-PAD
4
1
3
270R
3526
6402
TLWW8605
2
2437
1n0
+5V_UP
BL_ROT_V
+12V
+5V_C
+5V_C
+12V
+5V_UP
BL_ROT_V
GND_KEY1
FRONT RIGHT
www.freeservicemanuals.info
13/10/2016
Published in Heiloo Holland

Other manuals for Philips DFR9000

Related product manuals