EasyManua.ls Logo

Philips DFR9000 - Page 70

Philips DFR9000
78 pages
Print Icon
To Next Page IconTo Next Page
To Next Page IconTo Next Page
To Previous Page IconTo Previous Page
To Previous Page IconTo Previous Page
Loading...
D
E
A
B
C
D
E
1201 A1
1202 A4
1203 E6
1204 D6
2201 B2
2202 B1
2203 E6
2204 E6
2205 D7
2206 D6
23456789
123456789
2207 D8
2208 B9
2209 A8
2210 D3
A
B
C
2211 D4
2212 B1
2213 B2
2214 B2
2215 B1
2216 B2
3201 A4
3202 B4
3203 E1
3204 B6
3205 D6
3206 E6
3207 D5
3208 D6
3209 E6
3210 D7
3211 E7
3212 D1
3213 D1
3214 C3
1
3215 D2
3216 E4
3217 D1
3218 D1
3219 D1
3220 E3
3222 E2
3223 E1
3224 D4
3225 A7
3226 B8
3231 B3
3232 B3
3233 B3
3234 B3
3235 E3
3236 D9
3237 E9
3238 A7
3239 B8
4201 A2
4202 A2
6200 A5
6201 C7
6202 C5
6203 B8
6204 B9
6205 D2
6206 D4
6210 A8
6211 B8
7200 A5
7201 B7
7202 E7
7203 D7
7204 E1
7205 A9
7206 A9
7207 D1
7208 D3
7209 E3
7210-A D2
7210-B E2
7210-C C3
7210-D E9
7210-E D8
7210-F D9
7211 B5
7212 A8
F111 A5
F112 B5
F113 B7
F114 A1
F115 A1
F116 A1
F117 A1
F118 A1
F119 A1
F120 A1
F121 C3
F122 C4
82K
3215
100K
3212
14
7
270K
3211
74HC14D
7210-F
13 12
BC847CW
7205
470p
2206
PZT2222A
6200
PDZ-10B
7200
7207
BC857CW
2205
10n
100p
2211
10K
3231
BC857CW
7208
BC847CW
7202
BC846BW
1n0
2215
1M
7201
3239
100K
3222
3218
100K
100K
3203
PZT2222A
7211
3204
22K
2203
120p
6204
6203
BAS316
BAS316
2216
F121
1n0
2201
1n0
2204
470p
100K
2212
1n0
3216
10K
3233
10K
3232
180K180K
3209 3208
7203
BC857CW
3234
10K
10V
2208
1u0
7209
BC847CW
100n
2207
3
4
5
6
7
1201
FE-BT-VK-N
1
2
BC857CW
7206
74HC14D
7210-C
56
14
7
BAS316
6211
34
14
7
7210-B
74HC14D
3225
1M
3202
22K
1M
3238
F111
2214
1n0
10V
2209
1u0
10n
2202
F117
BC846BW
PDZ-5.6B
6201
7204
100K
3223
3220
100K
1M
F122
3226
3237
100R
100R
3236
42024201
3210
270K
22K
3201
PDZ-10B
6202
470n
2210
6206
BAS316
1M0
3205
3214
1M0
7212
F120
BC847CW
1204
375K
1202
1
2
3
4
5
6
F114
FE-BT-VK-NA
2213
3213
10K
1n0
14
7
7210-D
74HC14D
98
3217
56K
BAS316
6205
3224
10K
7210-E
74HC14D
11 10
14
7
33K
3235
3206
1M0
410K
1203
F113F112
12
14
7
BAS316
6210
7210-A
74HC14D
F116
3207
10K
F115
3219
100K
F118
F119
L_REF
DC
CLK1
CLK2
PDOWN
ENA
CL1+
CL2+
Vcc
Vcc
RIGHT
R_REF
DC
OUTCH2
Vcc
HOP
Vcc
Vcc
LEFT
ENA
HOP
OUTCH1
+VB1
CL2-
+VB2
Vcc
Vcc
CL1-
Vcc
-VB1
Vcc
Vcc
-VBb
VDR1
-VBa
VDR2
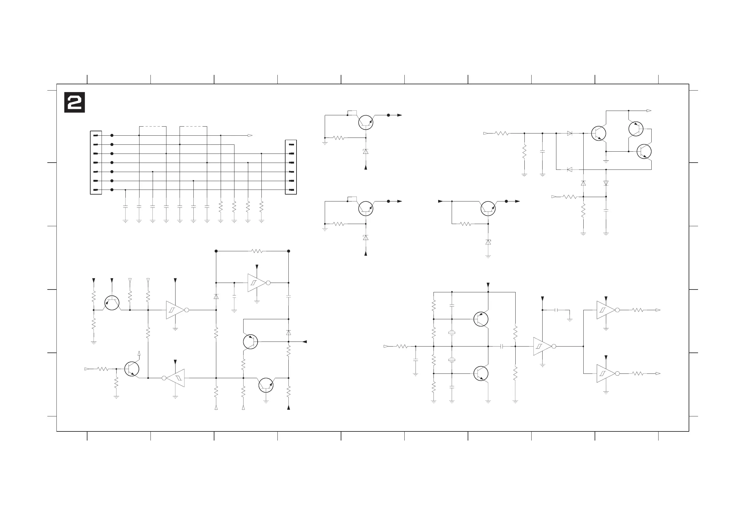
UCD AMPLIFIER
www.freeservicemanuals.info
13/10/2016
Published in Heiloo Holland

Other manuals for Philips DFR9000

Related product manuals