EasyManua.ls Logo

Philips DVP620VR - Page 27

Philips DVP620VR
104 pages
Print Icon
To Next Page IconTo Next Page
To Next Page IconTo Next Page
To Previous Page IconTo Previous Page
To Previous Page IconTo Previous Page
Loading...
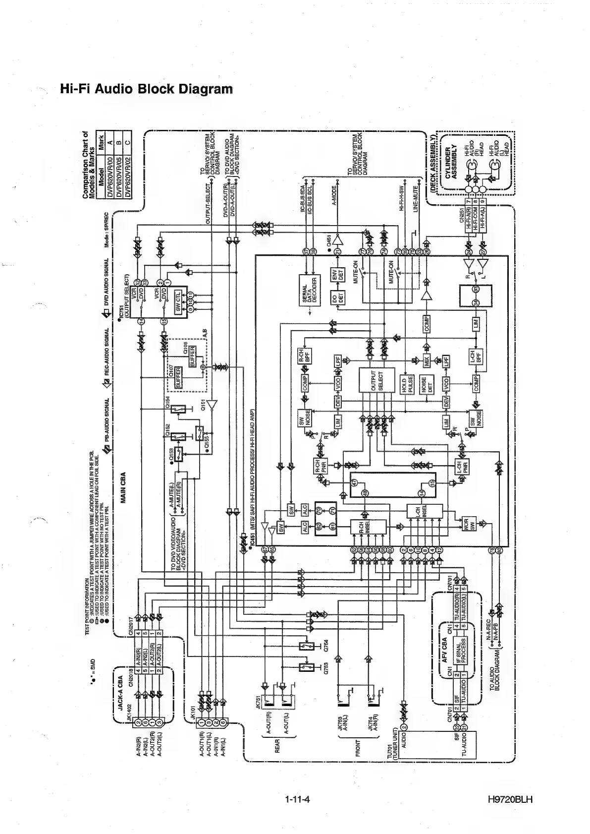
i-Fi
Audio
Block
Diagram
Laks
6
yc
J
wvezotg
30078
SSN,
olanyv
oL
|
q
YORE
WN
|
ale
BHF
vei}
1
coo
BS
4
|
(d)v-ld-IH
j
VF
1g2No
FS]
s
|
Goianv-n{
s+]
ssz00ud
go
o1anv-ns|
tg)
o1anv-ns
|
Sirfwounnly}4
wisi]
fel
aslalqs-€5
ais
YAONIIAD
ATaINassv
|
©
feonesanneae:
AIGINASSV
NOAG
J
(
*"ALAW-ANN
SHH
(LINN
BANAL)
bozn
5
Ae
wvuovia
;
M0018
TOHLNOD
WlSAS
/ONHAS
i
130
:
i3d
ANA
oa
¥aco003d
vivd
Wittas
°“AGOn-¥
f
_tossnson
|
|
mM
|
Vas
SNeoll
<
He
Ge)
¢e)
|
|
|
|
| |
|
|
a
eux
|
|
|
|
|
| |
|
au
ee
B-os
LNOUd
:
]
CONE
hea
-
esdyr
C)_
9
;
pw]
Pw]
Addn
|
|
HS)
iia
.
|
Bs
dV
GVH
!S-IH
/SSSOOd
O1ANV
ISH
/dVS
/SLIN)
LSPS
HY
TT
y
olany-dAd
oL
ayino-v-aaa
!
wvuovid
0718
IOLNOD
WALSAS
/OAW3S
(
Lo371SS-LNdLNo
ol
<NOLLO3S
AAG>
fo
cp
wvuovid
30
ino-wana
[Te
ga—la))
Cdinry
da
03)
(a)
ENV
piBep—(e)}
MLino-v
ee
a
ee:
<<
eo
(u)Lino-v
9
<NOLLOSS
GAd>
WVXYSVId
190718
°
JOIGNW/OZIA
GAG
OL
(2S
>—L[2
|
Ceino-v|2}-—_
ie))
(eino-v
|
SE
ee
eR
et
S—s|
Genrv]
S|
Cs
(9)}
env
i
gs—[r]
—wienrv|y}
8
100)]
wenn
102
B102
[
3
[eoniaoesaaa]
!
(togTas
INdino
veh
ALOGNO
|
PeLOZNO
zortoe|
|
_@
[Sonnoesana}
|
1$22ly
El
|.
yao
vo1owr
|W
__[O0/HA0ZSdAG}
=
savas:
epow
IYNDIS
O1GNY
GAG
CH
wnoisolanv-o3u
A>
wNoisolanv-ad
sill
JS8LY
Hil
Nod
1S31
V
a1¥oIQM
OL
d3En
@
pent
|
_teron_|
"BOIS
1104
NO
GV31
JNANOGWOD
V
HLIM
LNIOd
LSai
¥
JIVSIGNI
OL
Gisn:
«3
SIE
8
SISO
“80d
SHL.NISTOH
¥
SSOHOV
3UIM
USING
¥
HLM
LNIOd
S31
¥
SIIVOIGNI:
©
ans=.%,
jo
peyy
uostedwiog
NOLIVWHOANI
ANIOd
JS3L
H9720BLH
1-11-4

Other manuals for Philips DVP620VR

Related product manuals