EasyManua.ls Logo

Philips EP5331/10 - Water Circuit Diagram

Philips EP5331/10
53 pages
Print Icon
To Next Page IconTo Next Page
To Next Page IconTo Next Page
To Previous Page IconTo Previous Page
To Previous Page IconTo Previous Page
Loading...
PHI 5000 LATTE GO / GO+ 01 INTRODUCTION
4/9
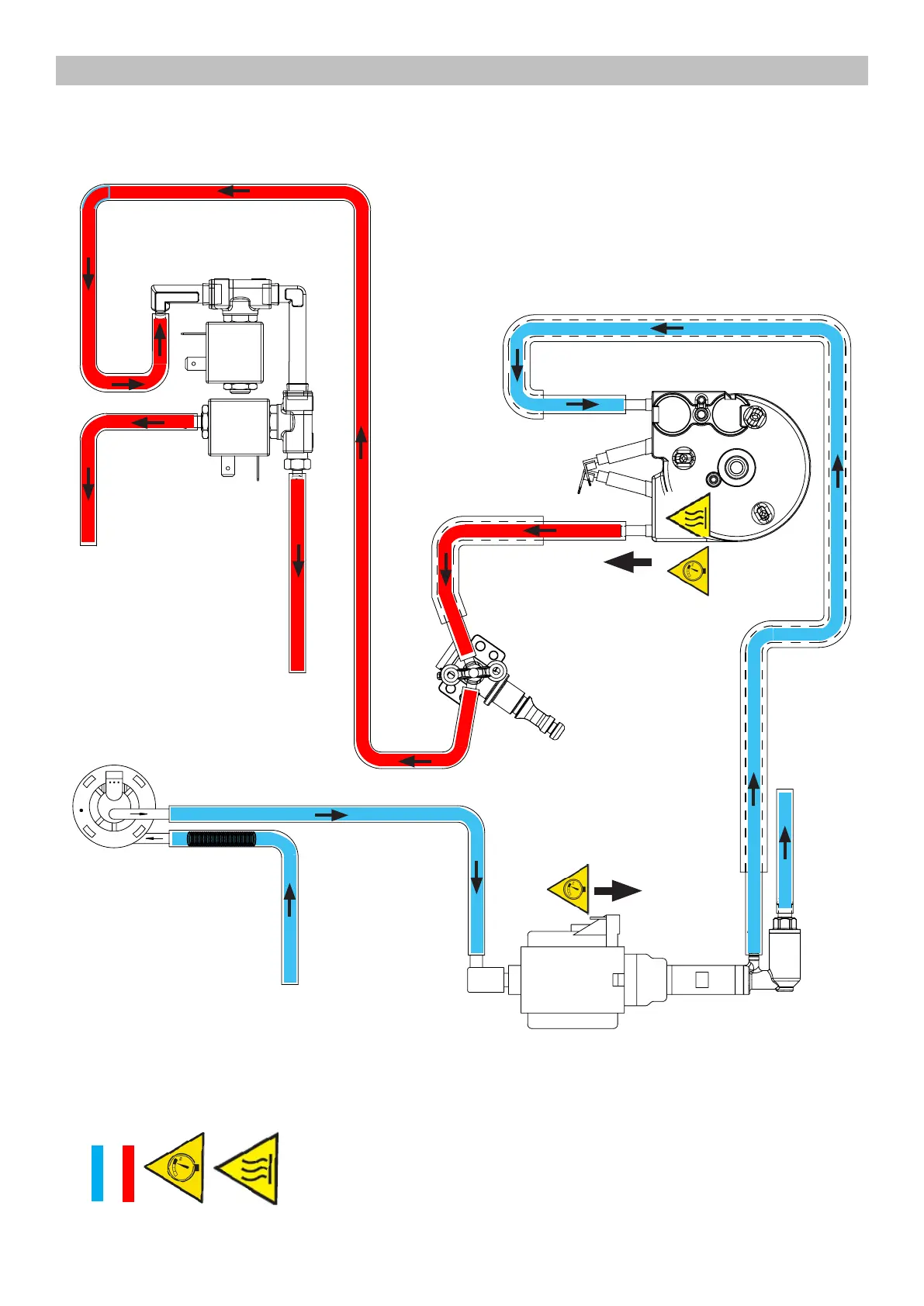
1.5. Water circuit diagram
Safety valve
Water
Hot water /steam
Water tank
Flowmeter
Pump
Boiler
Solenoid valves
Water
discharge
Discharge
Steam and
hot water
Brewing Unit
From this point circuit
High temperaure
From this point circuit
in pressure
Image 1

Related product manuals