EasyManua.ls Logo

Philips EP5360/10 - Electrical Diagram

Philips EP5360/10
57 pages
Print Icon
To Next Page IconTo Next Page
To Next Page IconTo Next Page
To Previous Page IconTo Previous Page
To Previous Page IconTo Previous Page
Loading...
PHI 5000 01 INTRODUCTION
5/9
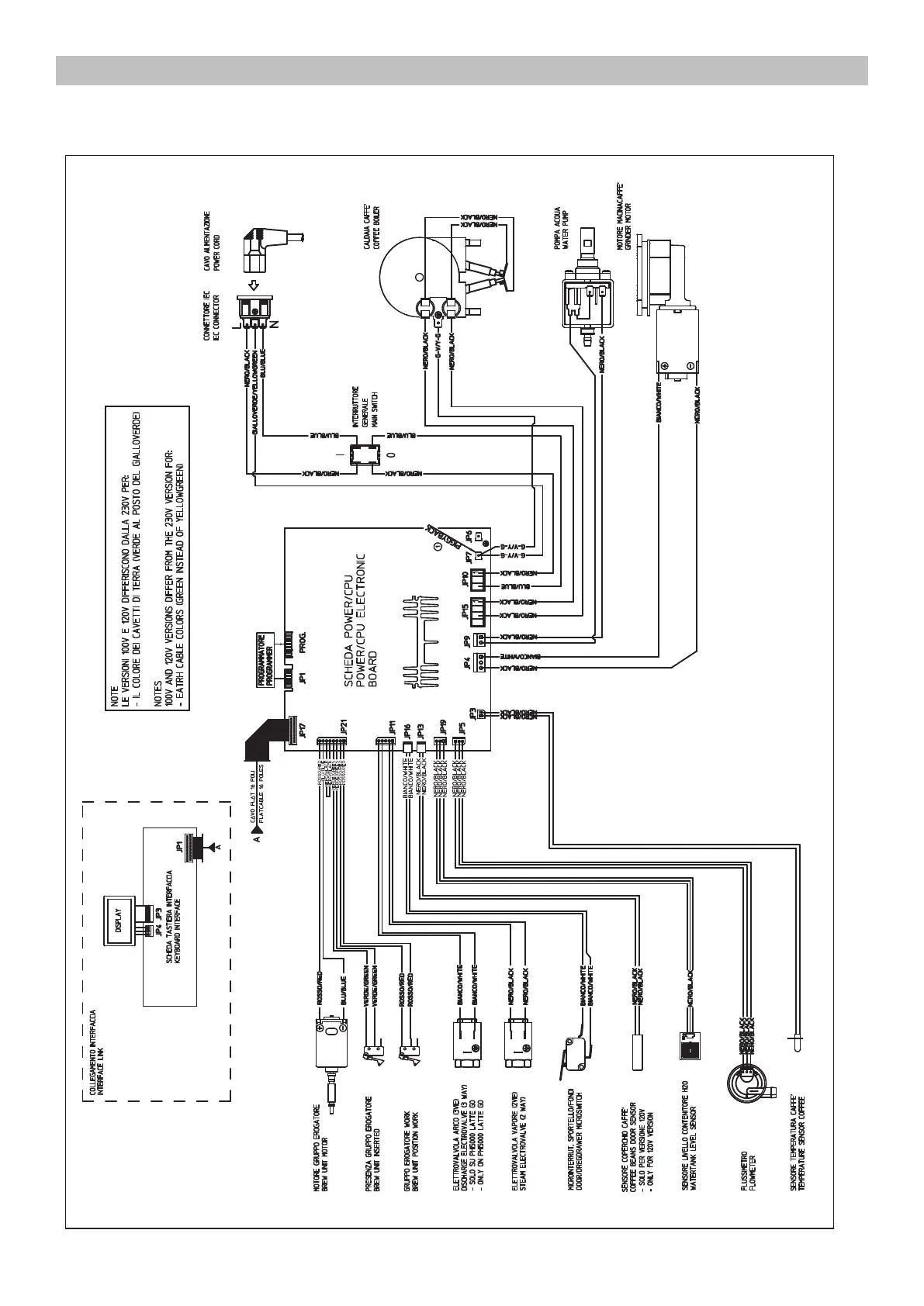
1.6. Electrical diagram

Related product manuals