EasyManua.ls Logo

Philips FR975 - Page 38

Philips FR975
75 pages
Print Icon
To Next Page IconTo Next Page
To Next Page IconTo Next Page
To Previous Page IconTo Previous Page
To Previous Page IconTo Previous Page
Loading...
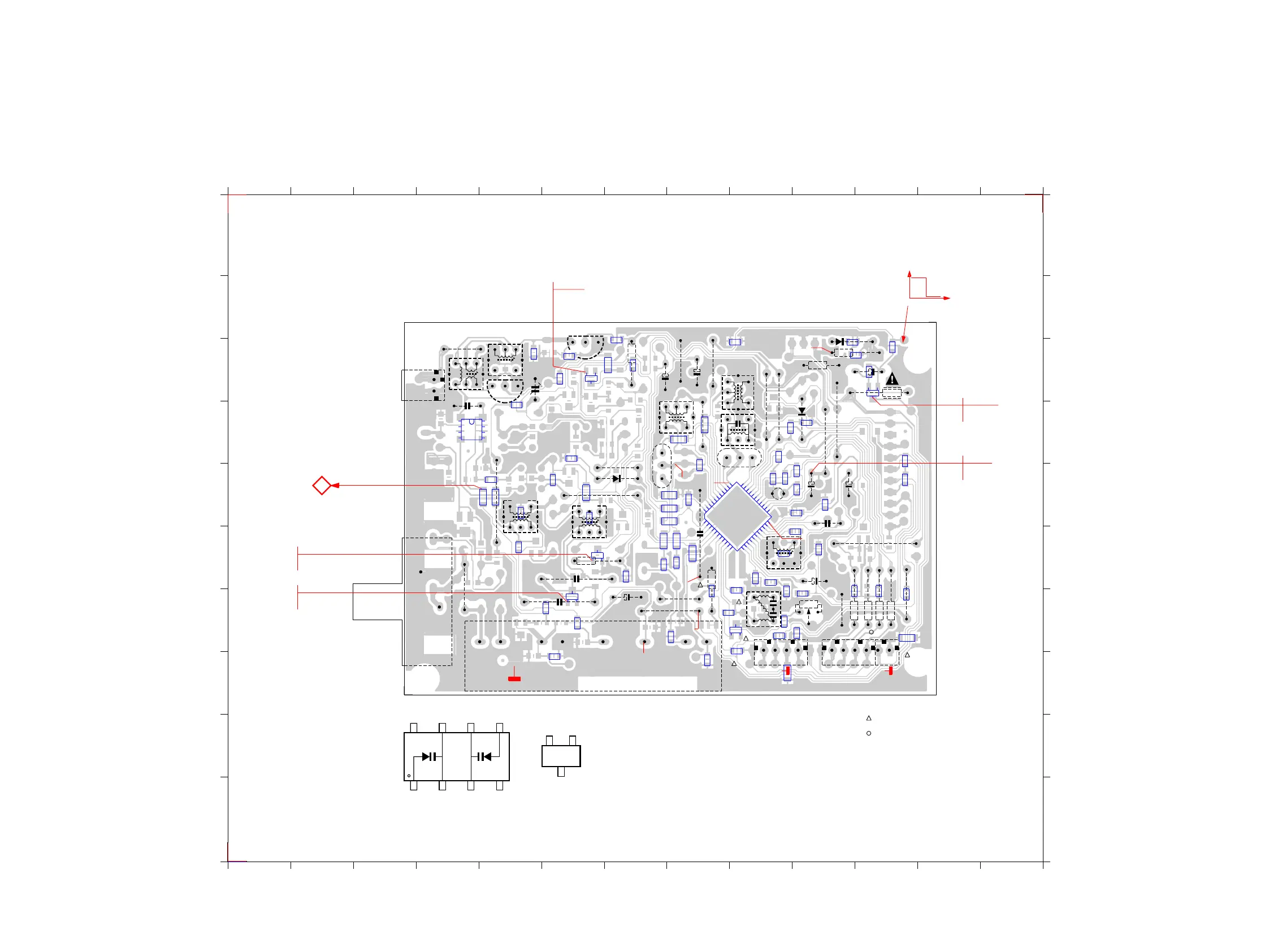
3104 213 34853
8204 090 55323
3104 217 04121/04341 bl. 110 - 01
TUNER 95 bis
1
IC 6105
c
eb
1
1
2
cbe
cbe
9813
LEU0149
8
41
4
6
only in RDS version (04121)
not in RDS version (04341)
1
1
TUNER 95 bis Combi: Copper side view
6106
2162
3164
2138
6107
3154
3155
6120
9121
9123
9120
2144
5121
9126
9115
3125
5111
2128
2129
9125
5114
5109
5110
5112
9102
9107
9108
3160
3161
3159
3158
1126
1121
2140
5107
2133
9118
3142
5115
1124
3167
2130
9116
9119
2106
9101
9104
5103
7104
9111
5102
2107
7105
1103
5122
5123
2123
3128
2102
1110
2125
9114
1102
9100
1
1
2
2
3
3
4
4
5
5
6
6
7
7
8
8
9
9
10
10
11
11
12
12
13
13
AA
BB
CC
DD
EE
FF
GG
HH
II
JJ
1102 F4
1103 C4
1110 G7
1121 H11
1124 H9
1126 G10
2102 G7
2106 C5
2107 C4
2108 C6
2109 C5
2120 F5
2122 E6
2123 F6
2125 G6
2127 F9
2128 C7
2129 C8
2130 F8
2131 F9
2132 F9
2133 F10
2134 G10
2135 G11
2136 G10
2137 E11
2138 E10
2139 E8
2140 F10
2141 E10
2142 E9
2143 C10
2144 E10
2145 G11
2147 G11
2148 E9
2150 F8
2151 F9
2152 F9
2158 D10
2160 E9
2161 E9
2162 C11
3103 H6
3104 G6
3107 G7
3108 C6
3109 B7
3120 D6
3123 E4
3124 E5
3125 C7
3128 F6
3129 E6
3130 E6
3131 C6
3132 E5
3134 E5
3137 G5
3138 D9
3139 F8
3140 H8
3141 G9
3142 G10
3143 G8
3144 H9
3145 F9
3146 B10
3147 H9
3150 C11
3151 C10
3152 G9
3153 G9
3154 C10
3155 C10
3158 G11
3159 G11
3160 G11
3161 G11
3162 D9
3163 F8
3164 C11
3165 D8
3167 F8
3169 D5
3171 D11
3172 F7
3173 F7
3176 D9
3177 F7
3178 B8
3181 D8
3183 E7
3184 E7
3185 E7
3186 G8
3188 G11
3192 D8
3197 C7
5102 C4
5103 C5
5107 F10
5109 D7
5110 E9
5111 C8
5112 C9
5114 D8
5115 G9
5121 E9
5122 E7
5123 E5
6105 D4
6106 E7
6107 B10
6120 D10
7101 E9
7103 G9
7104 D5
7105 B6
7109 C6
7110 D11
7122 F7
7124 G6
9100 F4
9101 E7
9102 D10
9104 E6
9107 F11
9108 G11
9111 C4
9114 E5
9115 C8
9116 G8
9118 G10
9119 G7
9120 D10
9121 D9
9123 D9
9125 D8
9126 C8
e
b
c
b
e
c
4
1
5
8
c
eb
b
e
c
1
12
23
34
b
c
e
3147
3178
2139
3120
3150
3146
3151
7110
2137
3171
2158
3176
2161
2148
3162
3138
3165
3197
3192
3181
3185
2143
2135
2147
2145
3188
2141
2152
2131
3145
2151
2142
2136
2134
3141
7103
3153
3152
2132
3139
3183
3184
2150
3173
3172
3163
3186
3143
3140
3107
3144
2127
7101
2160
3131
7109
2108
2109
3108
3129
3130
3169
3124
3132
6105
3109
2122
3177
7122
7124
3137
3103
3104
3134
2120
3123
+12V
MW
LW
MW
LW
=
=
0,7V
0V
=
=
0V
0,7V
VT
6
=
=
AM
FM
VDD
7V
6V
+12V
+FM
+8V
+1,4V
+1,4V
VCC +12V
RIGHT
LEFT
+9,6V
STEREO
CLOCK
DATA
+9,6V
ENABLE
MPX
0V
V
AM FM
12V
<0,5V
VDD
AM
FM
7V=
6V=
AM
FM
=
=
7A-4 7A-4
PCS 69 716
www.freeservicemanuals.info
07/08/2012
World of Free Manuals

Other manuals for Philips FR975

Related product manuals