EasyManua.ls Logo

Philips FR975 - Mono Board

Philips FR975
75 pages
Print Icon
To Next Page IconTo Next Page
To Next Page IconTo Next Page
To Previous Page IconTo Previous Page
To Previous Page IconTo Previous Page
Loading...
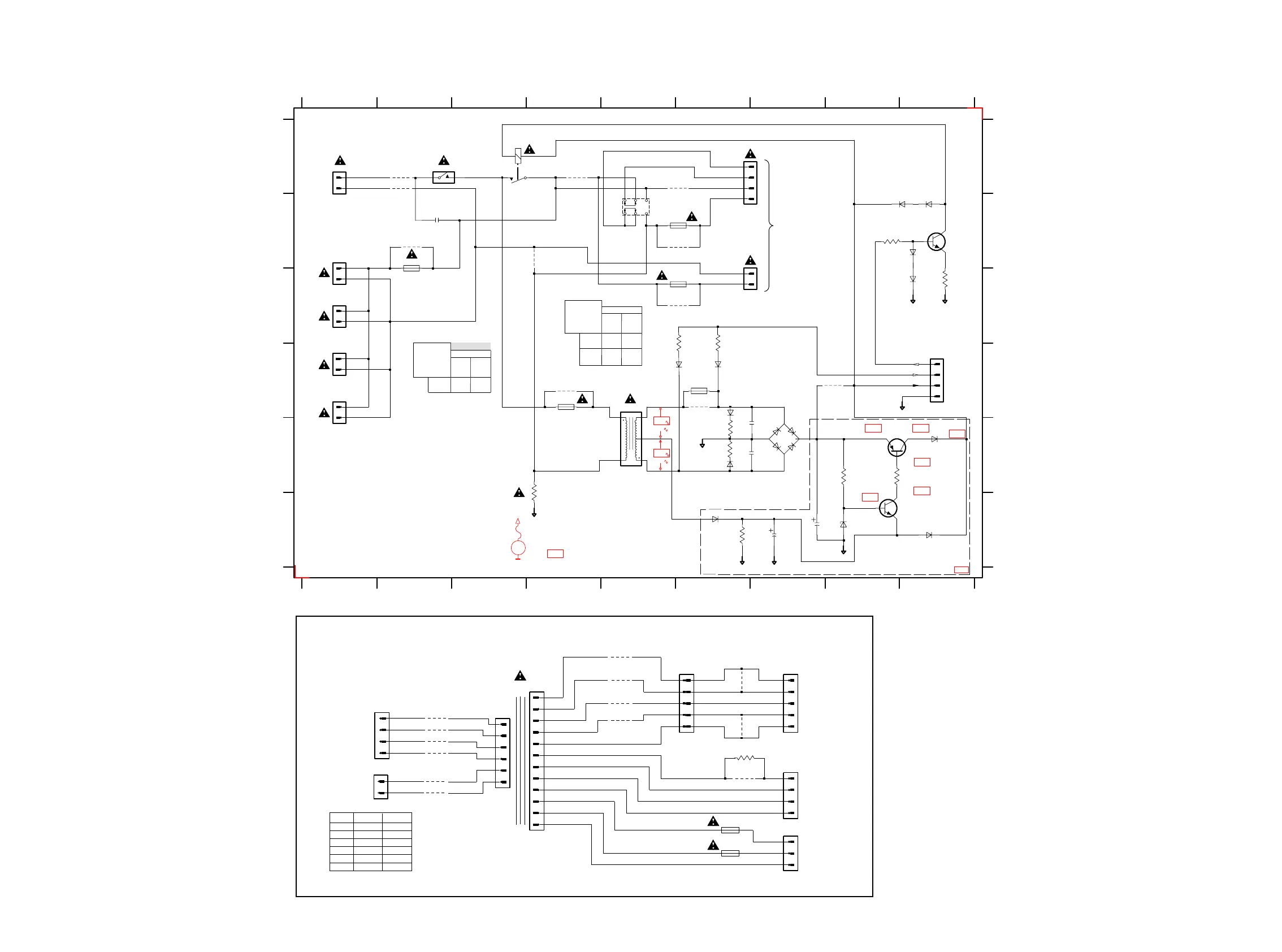
MAINS BOARD - CIRCUIT DIAGRAM
9-2 9-2
PCS 105 722
1053
1
2
1054b
2
1
/17 only
not for /17
mdi 22-03-00
3104 217 06610/06630/06650/06660/06670/06680/06690
only for /17
only for /01
not for /01
only for /17
not for /01
only for /01
not for /01
only for /01
only for /01
only for /01
not for /01
not for /01
12R
+V
GND
MAINS BOARD
MFD
D
E
F
0051 D9
1051 B1
1052 D1
1053 C1
1054 D1
1055 B5
1056 A2
1061 A1
1062 A3
1063 B6
1064 C6
1065 B6
1066 C6
1067 B2
1068 D4
1069 D6
2051 E7
2052 E7
2053 F7
2054 F7
2055 B2
3051 F4
3052 C6
3053 C6
3054 E8
T5A in /01
T2,5A in /00
123456789
123456789
A
B
C
D
E
F
A
B
C
T200mA
3055 E8
3056 F6
3057 C9
3058 B8
3059 E6
5051 A2
5052 D5
6051 D6
6052 E7
6053 E6
6055 E7
6056 E7
6057 B9
6058 B9
6059 E9
6060 F9
6061 F8
6062 D6
6063 B9
6064 C9
6065 F6
7051 E8
7052 F8
7053 B9
9051 A2
9052 A2
9053 A2
9054 B2
9055 A4
9056 A6
9057 B5
FOR /01 ONLY
NEUTRAL
LIVE
REL
FOR STAND BY CIRCUIT
ELECTRONIC VOLTAGE SELECTOR
9059 B4
9060 D4
9061 D8
9063 C6
9064 A5
9065 B1
9066 B1
9092 E2
9093 E2
9094 F2
9095 F2
9096 D6
1055
SDKGA
2
5
1
4
3
6
9096
6055
1N4003GP (4x)
9059
9056
6051
1N4148
9054
BC337-25
7053
1069
T315mA
3057
1065
3052
1K
1K
3053
6053
9060
6056
S
6064
1N4148
1067
1N4003GP
6059
S
6052
see table
1066
S
1068
S
3058
2K2
9061
10
2
3
4
56
7
8
9
2K2
3055
1
2
5052
Stand by
Transformer
1
1063
1
3
5
7
1064
S
1N4148
6062
1N4003GP
6065
S
BC547B
7052
SDT-R
1062
34
12
1N4148
6063
25
100u
2054
47n
2051
BZX79-C8V2
6061
9063
1
2
S
1051
9055
Stand by Relais
3051
10M
6060
1N4003GP
7051
BC327-25
3054
4K7
10K
3056
3
4
6058
1N41481N4148
6057
1057
T0 1254
monoboard supply part
1
2
100u
2053
S
1061
1
2
not for /17
TO MAINS TRANSFORMER
PRIMARY SIDE
4n7
2055
/00 = /22 /01 = /21 /17= /37
1056
12
9053
9052
1054a
2
1
/17 only
9057
47n
2052
6067
6066
3059
3061
10k
10k
1N4148
1N4148
see table
FR760
FR975
100W
FR740
FR965
60W
Power Version
IEC
9063
UL=/17
4A
-
5A
-
X
4A
VALUE TABLE
for
FUSE 1066
and
9063
FR760
FR975
100W
FR740
FR965
60W
Power Version
IEC
9057
4A
-
-
X
VALUE TABLE
for
FUSE 1065
and
9057
Only for /01
see table
see table
6066 D6
6067 E7
3061 E6
1057 D9
5
6
1
2
5001
1
2
3
4
8076
1
3
5
7
8077
9073
9072
9075
9074
9071
9076
12
2
3
4
5
6
7
8
9
1
10
11
*9062
*9098
9058
9099
T1,6A
1078
T2A
1079
1072
1
2
3
4
*9077
1
2
3
4
5
*9078
*1074
1
2
3
4
5
1073
1071
1
2
3
MAINS TRAFO PART
To 1251
monoboard
supply
To 1252
monoboard
supply
To 1255
monoboard
supply
To 1253
monoboard
supply
To 1063
mains board
To 1064
mains board
Primary part Trafo
Secondary part Trafo
/00 = /22 /01= /21 /17= /37
1074
9077
9078
9062
9098
FR760
FR975
x
-
-
x
x
FR740
FR965
-
x
x
-
-
*
9097
3079
1R
only for /01
not for /01
mdi 22-03-00
only /01
only /01
3V25,3V
25V
25V
8,3V
11,4V
12,7V
12V
6,5V
7,2V
5,5V
5,5V
12V
12,6V
12,0V
10V
10V
120V230V
Vdc measured during AMPLIFIER ON...............
V
EVM
V
Vdc measured during AMPLIFIER OFF (mute)
Voltages measured at nominal mains voltage and low output signal
MAINS VOLTAGE
12,7V
www.freeservicemanuals.info
07/08/2012
World of Free Manuals

Other manuals for Philips FR975

Related product manuals