EasyManua.ls Logo

Philips FR975 - Page 57

Philips FR975
75 pages
Print Icon
To Next Page IconTo Next Page
To Next Page IconTo Next Page
To Previous Page IconTo Previous Page
To Previous Page IconTo Previous Page
Loading...
10-4
PCS 105 727
10-4
3104 217 06420 / 06430 / 06490
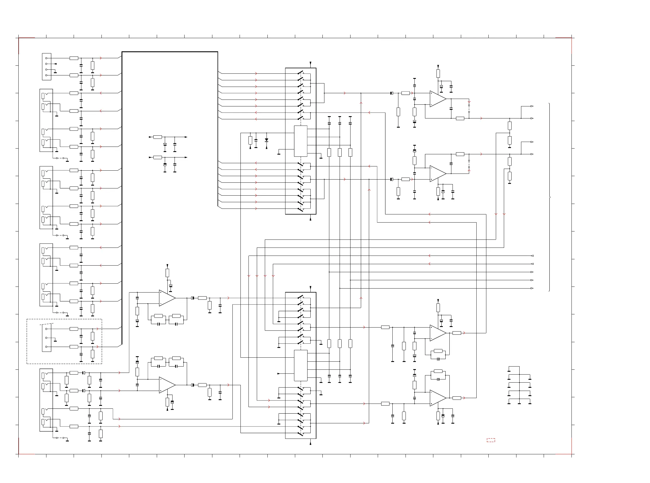
SOURCE SELECTOR PART FR965 - FR975
18 RES
LC7821
LOGIC
VDD
19
14DI
+12sel
CE 13
VSS 16
CL 15
100p
DD
100p
D
100p
D
17 S
30 R1
29 R2
28 R3
27 R4
25 R5
24 R6
22 R7
21 R8
11
8
5
VEE
–12sel
12
20
23
26
L33
L67
10 L8
9L7
6L5
4L4
2L2
1L1
IN
IN
IN
IN
IN
IN
4k7
22p
100n
100k
47µ
IN IN IN
5
4
6
NJM4560M
7
100p
22µ
IN
4k7
4k7
22
IN
µ
100p
4k7
22p
2
NJM4560M
1
100n
3
µ47
8
100k
IN
IN IN
+12
270E
–12
270E
1k
1k
1k
R624
VEE
12
–12sel
30 R1
28
29
R3
R2
27 R4
25 R5
26
23
IN
22p
CL
VSS
DI
22 R7
21 R8
17 S
LOGIC
16
20
D
15
14
CE
18 RES
10 L8
9
7
L7
L6
6L5
13
11
8
2k7
µ220
IN
IN
µ
IN
220
22p
39k
2k7
+12sel
19
VDD
3L3
4L4
2L2
LC7821
1L1
5
6
270E
–12
µ47 100n
IN IN
NJM4560M
5
4
7
2
NJM4560M
10k
3
8
ININ
1
47µ 100n
270E
+12
DDD
1k
1k
1k
100p 100p 100p
D
+12sel
3k3
1N4148
+12sel
33n
D
+12sel
100p
10k
100p
IN
10k 3k910k
IN
3k9
ss data
Right MDM
Left MDM
Control
Part
Volume
ss clk
ss ce
DownmL
DownmR
Right out
to Right in
to Left in
Left out
To / From
270E
–12
PH
82p
3
560E
2
4
270E
22µ
NJM4560D
1
560E
10µ
PH
10
PH
µ
10n
390k
82p
6
5
8
PH
NJM4560D
7
µ22
+12
27k
2n2
10n
390k
2n2
27k
47µ
10k
PH
1k5
3n3
PH
1k5
PH
µ47
10k
3n3
PH
56k
Phono In
100p
100p
220p
220p
TV
1
7
3
TV
PH TV
39k
TV
2
4
PH
6
39k
PH
1k
PH
8k28k2
TV
TV
56k
PH
PH
5
1k
10µ
330k 330k
µ10
PH
PH
1
4
Tuner 2
3
+12
TU
100p
TU
47k
1k8
TU
100p
1k8
TU
47k
TU
1
CDR
6
7
CDR
39k
5
4
3
39k
2
100p
CDR
CDR
100p
CDR
CDR
8k2 8k2
100p
CDR
100p
CDR
470E
470E
CDR/Tape In
CDR/Tape Out
CDR
SATSAT
SAT
6
7
SAT
39k
SATSAT
100p
8k2
SAT
CD
CD
4
5
3
39k
1
2
100p
8k2 8k2
CD
CD
8k2
100p
CD
100p
CD
39k
39k
4
TAPE
7
6
TAPE
39k
VCR In
VCR Out
TAPE
5
1
3
39k
470E
2
470E
8k2
TAPE
TAPE
8k2
100p
TAPE
100p
TAPE
100p
TAPE
100p
TAPE
100p
FAV FAV
3k3
100p
FAV FAV
3k3
FAV
6
4
18k
18k
5
Front AV L
Not in FR965
Tuner L
CDR Play L
CD L
SAT L
VCR Play L
Front AV L
CDR Rec L
VCR Rec L
CD R
CDR Play R
Tuner R
Front AV R
VCR Play R
SAT R
VCR Rec R
CDR Rec R
Tuner L
Tuner R
CDR Rec L
CDR Rec R
CDR Play L
CDR Play R
CD L
CD R
SAT L
SAT R
VCR Rec L
VCR Rec R
VCR Play L
VCR Play R
Front AV L
Front AV R
100n47µ
DD
270E
+12 +12sel
270E
–12
DD
–12sel
47µ 100n
TV IN FAV
PH
CDR
TAPE
SAT
TU CD
D
Front AV R
Phono R
TV L
TV R
Phono L
Right
Left
Left
Right
Downmix R
Downmix L
Rec R
Right
Rec L
Left
470E
IN
100p
470E
100p
IN
39k
Rec L
Rec R
100p
IN
470E
470E
Rec L
470E
100p
IN
470E
Rec R
10µ
10µ
LEU0177/0015
Front part
To 1437
SOURCE SELECTOR PART FR965 - FR975
3616
2570
3614
3615
3613
2510
2509
3637
2508
3636
2556
3554
2558
3553
2555
2557
3535
3536
1515b
2523
3549
2524
3550
2521
2522
2932
2933
3534
3533
3529
1514
3530
3531
3532
4503
3521
3522
2517
2518
3524
3523
2519
3527
1513
3525
2520
3528
4502
3526
3515
3516
2513
2514
3519
2515
3520
2516
1512
3517
3518
4501
3514
3951
2512
3950
3513
2511
1511
2572
3571
3572
25713573
1516
2573
3576
3540
3539
3574
3537
3538
4504
2525
2526
2574
3575
2584
35842582
3586
2583
3585
35832581
3582
2580
3580
2578
3581
2579
2561
7571b
2585
3579
2577
2575
2576
3577
7571a
2562
3578
2586
3567
3566
3588
3590
3587
3589
4566
2546
3546
2545
2542
2541
2559 6501
3555
262326222627
363236313630
3551
2551
2553
3545
7503a
7503b
2552
2554
3552
7501
2549
2543
35433541
2544
3544
2550
3542
363536343633
3556
3557
3591
2527
2529
7504a
2599
3595
2595
2593
3593
3596
2596
2594
7504b
3594
2600
2528
3592
2530
262626252624
7572
4565
1
1
2
2
3
3
4
4
5
5
6
6
7
7
8
8
9
9
10
10
11
11
12
12
13
13
14
14
15
15
16
16
17
17
18
18
19
19
20
20
AA
BB
CC
DD
EE
FF
GG
HH
II
JJ
KK
LL
MM
NN
OO
1511 A1
1512 B1
1513 E1
1514 H1
1515b K1
1516 L1
2508 B15
2509 F15
2510 L14
2511 A3
2512 B3
2513 C3
2514 C3
2515 D3
2516 E3
2517 F3
2518 F3
2519 G3
2520 G3
2521 H3
2522 I3
2523 K3
2524 L3
2525 N3
2526 O3
2527 K16
2528 N16
2529 K16
2530 N16
2541 B14
2542 F14
2543 C15
2544 E15
2545 C16
2546 E16
2549 C15
2550 E15
2551 B16
2552 F16
2553 B16
2554 F16
2555 D6
2556 E6
2557 D6
2558 E6
2559 D9
2561 I6
2562 N6
2570 N14
2571 M3
2572 M3
2573 M4
2574 M4
2575 K5
2576 L5
2577 K5
2578 L5
2579 K6
2580 L6
2581 J7
2582 M7
2583 J8
2584 M8
2585 J5
2586 M5
2593 L15
2594 M15
2595 L16
2596 M16
2599 K15
2600 M15
2622 D12
2623 D13
2624 M12
2625 M12
2626 M13
2627 D12
2932 J3
2933 J3
3513 B3
3514 B3
3515 B2
3516 C2
3517 D2
3518 D2
3519 D3
3520 E3
3521 E2
3522 F2
3523 F3
3524 F3
3525 F2
3526 G2
3527 G3
3528 H3
3529 H2
3530 I2
3531 I2
3532 J2
3533 J3
3534 J3
3535 K2
3536 L2
3537 N2
3538 N2
3539 N4
3540 O4
3541 C14
3542 F14
3543 C15
3544 E15
3545 C16
3546 E16
3549 K3
3550 L3
3551 B16
3552 F15
3553 D5
3554 E5
3555 D9
3556 N15
3557 J16
3566 I6
3567 N6
3571 M2
3572 N2
3573 M2
3574 M2
3575 M3
3576 N3
3577 J5
3578 M5
3579 J5
3580 L5
3581 J6
3582 L6
3583 J7
3584 M7
3585 J8
3586 M8
3587 D18
3588 E18
3589 D18
3590 F18
3591 L15
3592 N15
3593 L15
3594 M15
3595 L16
3596 L16
3613 K14
3614 N14
3615 K16
3616 M16
3630 E12
3631 E12
3632 E13
3633 L12
3634 L12
3635 L13
3636 B14
3637 F14
3950 A2
3951 B2
4501 E2
4502 H2
4503 J2
4504 O2
4565 C17
4566 E17
6501 D10
7501 A10
7503a C16
7503b E16
7504a K16
7504b M16
7571a M6
7571b J6
7572 J10
+12V
–13,5V
+12V
–13,5V
–13,5V
+12V
–13,5V
+12V
+12V +12V
+12V
–13,5V
+12V
+....V
+12V +12V
–13,5V –13,5V
- No special features ON
- Source position : Tuner FM
- Voltage measured during normal operation
.....V
Stand by
.....V
LEU0177R/0015
www.freeservicemanuals.info
07/08/2012
World of Free Manuals