EasyManua.ls Logo

Philips FW-C380/21 - Tape Module Exploded View; Tape Mechanism - Motor Exploded View

Philips FW-C380/21
104 pages
Print Icon
To Next Page IconTo Next Page
To Next Page IconTo Next Page
To Previous Page IconTo Previous Page
To Previous Page IconTo Previous Page
Loading...
9-9
9-9
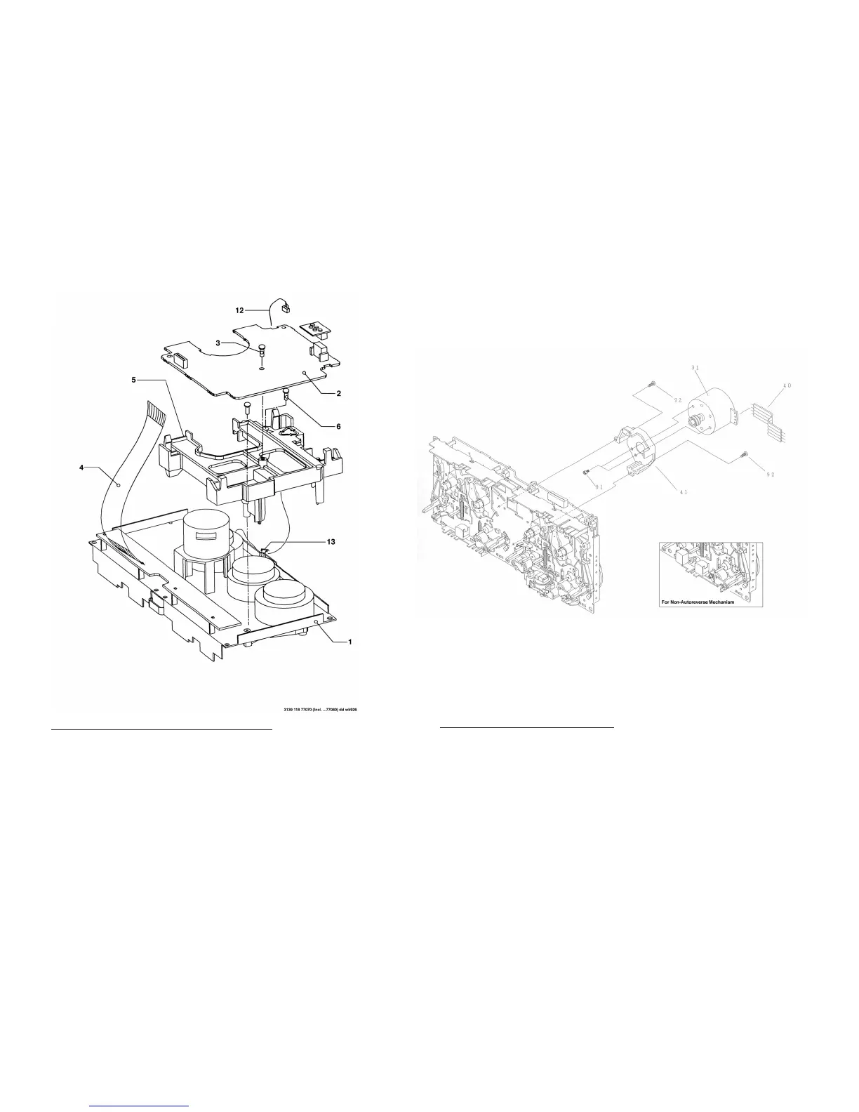
TAPE MECHANISM - MOTOR EXPLODED VIEW
31 4822 361 11055 Motor Assembly
91 - Screw M2,6 x 5
92 - Screw M2 x 5
Note: Only the parts mentioned in this list are normal
service spare parts.
TAPE MODULE EXPLODED VIEW
1 3139 118 77130 Autoreverse Mech. CWE44FR01
1 3139 118 77140 Non-Autoreverse Mech. CWE44FF02 Chrome/Ferro
1 3139 118 77950 Non-Autoreverse Mech. CWE44FF05 Ferro
3- Screw D3 x 10
6- Screw M2 x 16
7 3139 110 34080 Flex Cable 14 pin 7,5 cm
Note: Only the parts mentioned in this list are normal service spare parts.

Table of Contents

Related product manuals