EasyManua.ls Logo

Philips FW21 - B2

Philips FW21
23 pages
Print Icon
To Next Page IconTo Next Page
To Next Page IconTo Next Page
To Previous Page IconTo Previous Page
To Previous Page IconTo Previous Page
Loading...
ELEKTRONIKI
ELEKTRONIKI
ELEKTRONIKI
ELEKTRONIKI
ELEKTRONIKI
ELEKTRONIKI
ELEKTRONIKI
ELEKTRONIKI
8
0V
9
0V
6
0V
4
0V
3
0V
5
0V
11
0V
10
0V
12
0V
1
0V
2
0V
13
0V
2739
470p
+14
14
13.8V
7
0V
2747
100µ
3655
10k
3656
10k
2639
2637
33p
3639
47k
2635
3637 470k
100k
2641
68p
3641
1.5k
1V
1.2V
0.4V
7641
TBC548C
2640
2638
33p
3640
47k
2636
3638 470k
100k
2642
68p
3642
1.5k
1V
1.2V
0.4V
7642
TBC548C
3645 10k
3646
10k
47
0E
2665
680p
3657
470E
2
3
1
4
5.9V
5.9V
+
2661
10µ
3661
1.8k
2667
68p
2663
560p
3663 8.2k
2659
100p
5.9V
3650
470E
+14
8
T28
3659
18k
3682
22k
3683
47k
2658
3681
22k
2651
470p
2650
2671
4.7µ
220µ
3667
12k
3665
56k
2666
680p
6
5
7
5.9V
5.9V
+
2662
10µ
3662
1.8k
2668
68p
2664
560p
3664 8.2k
2660
100p
5.9V
3660
18k
2672
4.7µ
3668
12k
3666
56k
10k
10k
1
2
3
47k
47k
2
1
3
0.1V
0.1V
0V
10k
10k
1
2
3
0.1V
MOTOR
H SPEED
BRATION
10k
10k
1
2
3
10k
10k
1
2
3
10k
10k
1
2
3
10
3
10k
10k
3
10k
10k
1
2
3
10k
3
+14
2657
3684
47k
3658
470E
5
k
0.01V
3767
22k
7767
TBC548C
0V
0.6V
3768
10k
7768
TBC548C
0V
1
2
1707
10V
+14
3670
4.7k
13.9V
3653
47k
+14
3766
2.2k
10k
10k
1
2
3
10k
10k
1
2
3
10k
10k
1
2
3
2653
3651 1k
0V
PLAY A
PLAY B
REC
CR A
CR B
HSI
6782
1N4148
6783
1N4148
T61
T60
3677
22k
3678
1k
+14
2677
100µ
3679
68k
3674 22k
3673 22k
3671 1k
3672 1k
2V
0V
10V
3781
1k
10k
10k
1
2
3
7.4V
0V
0V
+14
3795
10k
+14
2769
470p
2770
220µ
5673
36mH
2673
82p
3779
18k
2679
560p
8
5.2V
REC OUT
7
5.4V
REC IN
6
5.4V
AGC
15
1.2V
Iref
3
11.4V
14
5.5V
V
12
5.7V
MIX OUT
13
4.9V
MIX IN
5
0V
AGC TC
T59
3777
100E
2777
3775
12k
2781
22n
2775
47µ
3798
12k
BIAS TRAP
5674
36mH
2674
82p
3780
18k
2780
560p
T55
3778
100E
2778
2782
22n
BIAS TRAP
9
5.3V
REC OUT
3771 1k
4
11.3V
3772 1k
2
0V
3773 1k
REC
2789 4.7µ
2785
470p
2786
470p
16
10.7V
Vcc
EQ
11
5.4V
AGC
10
5.4V
REC IN
EQ
AGC
DETECTOR
REF & BIAS
G
FE/CR
REC
MUTE
NS/HS
T57
T52
T49
1
0V
2771
4.7n
2772
4.7n
2773
4.7n
3774
33k
T51
T56
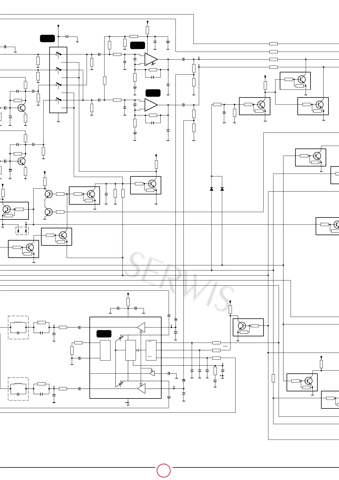
RECORDING
EQUALISER
IC
3776
4.7k
11.7V
0V
+14
3737 1k
ANALOG SWITCH
(A/B SWITCH)
T2
7764
DTC114ES
7763
DTA144ES
7653
DTC114ES
7667
DTC114ES
7765
DTC114ES
7636
MC14066B
7635B
NJM4560D
7635A
NJM4560D
7746
DTC114ES
7783
DTC114ES
7782
DTC114ES
7785
DTC114ES
77
4
DTC11
7781
DTC114ES
7776
DTC114ES
7795
DTC114ES
7796
DTC114ES
7770
CXA1298AP
2790
4.7µ
2784
2776
2768
100µ
2774
4.7µ
2783
3770
330E
KTRONIKI SERWIS ELE
B

Related product manuals