EasyManua.ls Logo

Philips FW21 - C2

Philips FW21
23 pages
Print Icon
To Next Page IconTo Next Page
To Next Page IconTo Next Page
To Previous Page IconTo Previous Page
To Previous Page IconTo Previous Page
Loading...
ELEKTRONIKI
ELEKTRONIKI
ELEKTRONIKI
ELEKTRONIKI
ELEKTRONIKI
ELEKTRONIKI
ELEKTRONIKI
ELEKTRONIKI
CD
KEYBOARD
M
KEYB
SHIFT
REGISTER
TUNER
T/D
CD
SH
REG
SHIFT
REGISTER
uP
uP
MIC
PHONO IN
MD
AUX IN
POWER
CD
AF
FTD
FTD
+V
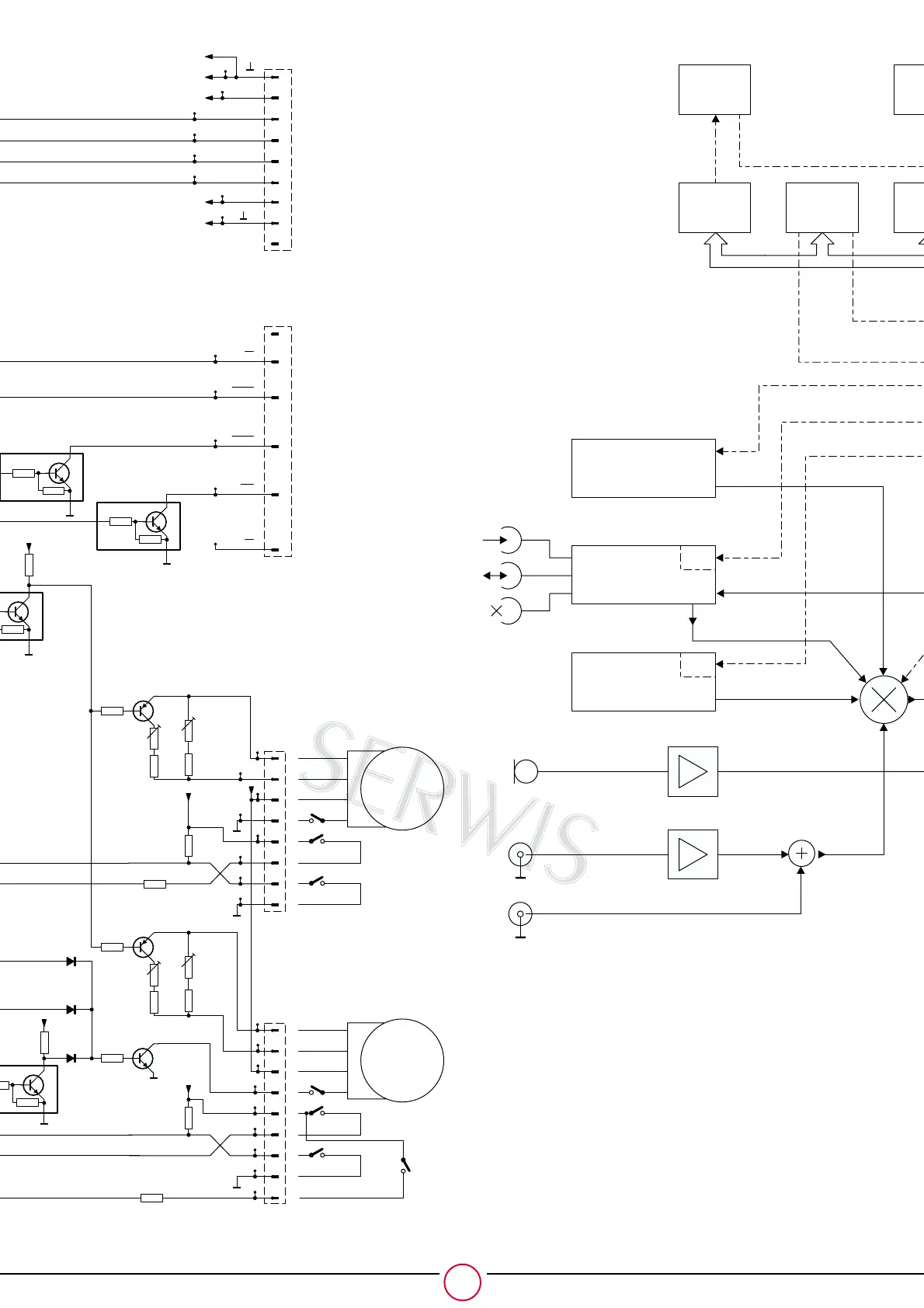
BLOCK DIAGRAM
10k
10k
1
2
10k
10k
1
2
3
10k
1
2
10k
k
1
2
2V
0V
0V
0V
0.04V
3781
1k
+12
M
1
2
3
4
5
6
7
8
3784
1k
3785
1.8k
3783
470E
3786
82E
3791
5.6k
10.8V
11.6V
11.6V
7791
BC558B
MOTOR A
NS ADJ.
MOTOR A
HS ADJ.
3735
1k
+14
T19
T15
T10
M
T11
T12
T13
MAIN A
MOTOR
DECK A
PLAY A
CR A
A
B
+
-
1
2
3
4
5
6
7
8
3788
1k
3789
1.8k
3787
470E
3790
82E
3792
5.6k
10.8V
11.6V
11.6V
7792
BC558B
MOTOR B
NS ADJ.
MOTOR B
HS ADJ.
3736
1k
+14
T20
T14
T17
T9
T18
MAIN A
MOTOR
DECK B
PLAY B
CR B
A
B
+
-
+14
3796
10k
M
T8
6796
1N4148
6795
1N4148
6794
1N4148
3797
4.7k
0.7V
0V
7797
BC337/40
3734
680E
REC
9
T16
3738
330E
T22
T21
1702
T8
T6
+12
1701
2V
1
T5
CR
2
T4
REC
3
T3
PLAY B
4
T1
PLAY A
5
T54
HS/NS
6
NC
4
T50
R OUT
TO FRONT
PCB
1700
2
T10
3
T6
+12
8
T42
+14
9
T44
5
T46
L OUT
6
T48
LIN
7
T47
RIN
1
NC
1699
M
TO
SELECTOR
PCB
TO 1705
CONNECTOR P WIRE
(SHEILD GROUNDING)
7745
DTC114ES
7744
DTC114ES
6
4
ES
7.6V
ELEKTRONIKI SERWIS
C

Related product manuals